自考题库
首页
所有科目
自考历年真题
考试分类
关于本站
游客
账号设置
退出登录
注册
登录
出自:电气工程公共基础
《建设工程勘察设计管理条例》对编制施工图设计文件的要求是,应当()。
A:满足施工招标、主要设备材料订货的需要,并注明建设工程合理使用年限
B:满足设备材料采购、非标准设备制作和施工的需要,并注明选用材料的生产厂、供应商
C:满足设备材料采购、非标准设备制作和施工的需要,并注明建设工程合理使用年限
D:满足施工招标、主要设备材料订货的需要,并注明选用材料的生产厂、供应商
DW型无激磁分接开关的动触头与定触头之间,应保持的接触压力为()。
A:0.5~1.5kg;
B:2~5kg;
C:9~11kg;
D:7~8kg。
对计算机软件和硬件资源进行管理和控制的软件是()。
A:文件管理程序
B:输入输出管理程序
C:命令处理程序
D:操作系统
时序逻辑电路分为同步时序逻辑电路和异步时序逻辑电路两种它们的区别是()。
A:同步时序逻辑电路状态的变化与时钟脉冲同步,而异步时序电路中没有统一的时钟脉冲,电路的状态随输入信号的改变而相应改变。
B:异步时序电路的每个状态都是“稳定状态”,而同步时序逻辑电路的状态分为“稳定”和“不稳定“两种。
C:同步时序电路中,任一时刻,几个输入变量可以同时变化。
D:异步时序电路中,每个时刻仅允许一个输入信号发生变化,以避免电路中可能出现的竞争现象。
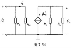
某放大电路的微变等效电路如图7-54所示,已知RB=82kΩ,,RC=5.6kΩ,=4.2kΩ,,RL=22kΩ,则电路的输入电阻ri和输出电阻r0分别为()。
A:ri=82kΩ,r0=5.6kΩ
B:ri=4kΩ,r0=4.5kΩ
C:ri=4kΩ,r0=5.6kΩ
D:ri=4.2kΩ,r0=22kΩ
一位十六进制数可以用()位二进制数来表示。
A:1
B:2
C:4
D:16
波长为λ的单色平行光垂直入射到一狭缝上,若第一级暗纹的位置对应衍射角为θ=±π/6,则缝宽的大小为()。
A:
B:λ
C:2λ
D:3λ
活塞式泵工作原理是由于活塞在泵缸内做往复运动,工件室容积发生周期性改变,引起()(发生变化,由此来输送并使液体获得能量。
A:流量
B:压力
C:内能
D:动能
设A,B是两个事件,若P(A)=0.3.P(B)=0.8,则当P(A∪B)为最小值时,P(AB)=()。
A:O.1
B:0.2
C:0.3
D:0.4
对原电池(-)Zn|Zn2+(c1)‖Ag(c2)|Ag(+)而言,欲使其电动势增加可采取的措施有()。
A:增大Zn2+的浓度
B:增加Ag+的浓度
C:加大锌电极面积
D:增加Ag电极的面积
下列属于小型机特点的是()。
A:高可靠性
B:高可用性
C:高服务性
D:高环保性
设函数f(x)={x
2
,x≤1;ax+b,x>1},为使函数f(x)在x=1处连续且可导,则()。
A:a=1,b=0
B:a=0,b=1
C:a=2,b=-1
D:a=-1,b=2
等空间频率编码
函数
的连续区间是().
A:[1,2)∪(2,+∞)
B:(1,2)∪(2,+∞)
C:(1,+∞)
D:[1,+∞)
在计算机存储中,1GB表示()。
A:1000KB
B:1024KB
C:1000MB
D:1024MB
服务级别经理要证实内部的服务台能在10秒钟内按一定比例接听来电,下列哪个文件会记录对服务台就此约定的要求()。
A:内部服务规范
B:运营级别协议
C:服务级别协议
D:与第三方的支撑合同
设随机变量X服从正态分布N(μ,16),Y服从正态分布N(μ,25).记p=P(X≤μ-4),g=P(Y≥μ+5),则p与q的大小关系是().
A:p>q
B:p
C:p=q
D:不能确定
微分方程的通解是()(C1、C2为任意常数)。
A:lnx+C
B:ln(x+C.
C:C2+ln
D:C2-ln
D/A转换器可比做()。
A:计数器
B:编码器
C:模拟式电压表
D:数字式电位器
三相变压器在线路端子侧有三个相同相位的零序电流。()
电阻分压器可以用接入阻尼电阻的方法来减小震荡。()
用高电平为输出有效的译码器实现组合逻辑电路时,还需要()。
A:与非门
B:或非门
C:与门
D:或门
若将一台正在运行的泵的出口阀门关死,则()。
A:泵的有效功率、轴功率、效率均为零
B:泵的有效功率、轴功率、效率均不为零
C:泵的有效功率为零,轴功率、效率不为零
D:泵的有效功率、效率为零,轴功率不为零
一元流动是指()。
A:均匀流
B:速度分布按直线变化的流动
C:运动参数随一个空间坐标和时间变化的流动
D:流线为直线的流动
均质细杆AB重力为P、长2L,A端铰支,B端用绳系住,处于水平位置,如图4-73所示。当B端绳突然剪断瞬时AB杆的角加速度大小为()。
A:0
B:
C:
D:
下列关于IaaS描述中,正确的是()。
A:引入按需使用和计价模式在任何地点和时间,都可以使用你需要的服务,并且只为之付费。
B:引入按需使用和计价模式在特定地点和时间,都可以使用你需要的服务,并且只为之付费。
C:引入按需使用和固定计价模式,在特定地点和时间,可以使用你需要的服务。
D:引入按需使用和固定计价模式在特定地点和任何时间,你都可以使用你需要的服务,并且保佑为了付费
变压器的温升试验时负载性质为容性.( )
TTL集成门电路的结构框图中不包含下列哪一项()。
A:输入级
B:放大级
C:中间级
D:输出级
椭圆偏振光可以看成是振动方向互相垂直的两个线偏振光的叠加,这两个线偏振光是()。
A:振幅相等,没有固定的相位关系
B:振幅相等,有固定的相位关系
C:振幅不相等,但相位差等于0或π
D:振幅不相等,但相位差等于π/2或3π/2
使用分裂绕组变压器主要是为了()。
A:当一次侧发生短路时限制短路电流
B:改善绕组在冲击波入侵时的电压分布
C:改善绕组的散热条件
D:改善电压形减少三次谐波分量
首页
<上一页
41
42
43
44
45
下一页>
尾页