自考题库
首页
所有科目
自考历年真题
考试分类
关于本站
游客
账号设置
退出登录
注册
登录
出自:电气工程公共基础
在VHDL语言中,信号赋值语句使用的代入符是()
A:=
B::=
C:<=
D:==
在下列器件中,
不属于
时序逻辑电路的是()。
A:计数器
B:移位寄存器
C:全加器
D:序列信号检测器
压器调压装置的作用是什么?
在励磁调节器中,综合放大单元的输出电压Uc就是_________单元的控制电压。
如图2.3-2所示,用波长为A的单色光照S(A)(B)缝干涉实验装置,若将一折射率为n的透明尖b插入光线2中,则当劈尖b缓慢地向上移动时(只遮住S2缝),屏C上干涉条纹的情况是()。
A:间隔变大,向下移动
B:间隔变小,向上移动
C:间隔不变,向下移动
D:间隔不变,向上移动
常见的译码器有哪几种。()
A:变量译码器
B:优先译码器
C:码制变换译码器
D:显示译码器
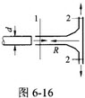
如图6-16所示,水从直径相同的喷嘴喷出,打在平板上,已知管道直径为50mm,水流速为4m/s,水对板的冲击力为()N。
A:31.4
B:62.8
C:15.7
D:47.1
变压器短路阻抗的大小取决于线圈间漏磁场的大小。()
试品电容量约为15000pf,当用10kvqs1型西林电桥测量其tgδ及C时,电桥分流器档位宜设置在( )档
A:0.01
B:0.025
C:0.06
D:0.15
用短路法做变压器油顶层或平均温升应以变压器的()为准进行加电。
A:总损耗
B:负载损耗
C:最大分接电流
D:额定电流
量纲和谐原理是指()。
A:只有量纲相同的量才可以乘除运算
B:基本量纲不能跟导出量纲运算
C:物理方程式中各项的量纲必须相同
D:量纲不同的量可以加减运算
振幅频率特性曲线表明,欲减少强迫振动的振幅,可采取的措施有()。
A:增加阻尼
B:避开共振区
C:增加阻尼,或使,或使
D:,或增加阻尼
PAL是上实际70年代末推出的一种可编程逻辑器件,它由()三部分组成。
A:可编程的与逻辑阵列
B:固定的或逻辑阵列
C:可编程的或逻辑阵列
D:输出电路
变压器内装接地片有哪些要求?
流体的特点是什么?
组合式有载分接开关过渡电阻烧毁的原因有哪些?
国务院负责安全生产监督管理的部门依照《安全生产法》,对全国安全生产工作实施()。
A:落实整改意见
B:安全检查
C:综合监督管理
D:有关法律的制定
根据我国合同法的在关规定,下列哪项情形的要约可以撤销()。
A:主要约已经到达受要约人
B:要约人确定了承诺期限
C:要约人明示要约不可撤销
D:受要约人有理由认为要约是不可撤销的,并已经为履行合同作了准备工作
为了提高泵的有效汽蚀余量,下列说法中正确的是()。
A:增加泵的几何安装高度
B:增加首级叶轮入口直径
C:装置诱导轮
D:降低泵的转速
编码是由哪些字段组成的()。
A:版本号
B:产品域名管理
C:产品分类管理
D:序列号
关于变压器的负载损耗与温度因数K的关系,下列叙述正确的是()
A:温度因数K与直流电阻的损耗成正比,与附加损耗成反比。
B:温度因数K与直流电阻的损耗成正比,与附加损耗成正比。
C:温度因数K与直流电阻的损耗成反比,与附加损耗成反比。
D:温度因数K与直流电阻的损耗成反比,与附加损耗成正比。
如果把触发器的JK输入端接到一起,该触发器就转换成()触发器。
A:D
B:T
C:RS
D:T
化学反应低温自发,高温非自发()。
A:△H<0,△S>0
B:△H>0,△S<0
C:△H>0,△S>0
D:△H<△,△S<0
已知某流体的黏性切应力τ=5.0N/m
2
,动力黏度μ=0.1Pa·s,则该流体的剪切变形速率()。
A:5.01/s
B:501/s
C:5.0m/s
D:50m/s
关于调制解调器(Modom),下列叙述中正确的是()。
A:将数字信号转换成交流信号
B:将交流信号转换成数字信号
C:兼有选项A和B的功能
D:使用不同频率的载波将信号转换到不同频率范围
如图所示,两小车A、B的质量分别为mA=1000kg,mB=2000kg,在水平直线轨道上分别以匀速vA=2m/s和vB=1.2m/s运动。一质量为mC=200kg的重物以俯角φ=60°,速度vC=4m/s落入A车内。当A车与B车相碰后紧接在一起运动。若不计水平向摩擦,则两车一起运动的速度为()。
A:1.5m/s
B:2m/s
C:2.5m/s
D:3m/s
如何拆卸大型变压器上铁轭叠片?
交流电焊机动铁心的制动螺钉或弹簧过松,会出现()现象。
A:焊接电流忽大忽小;
B:焊接电流很小;
C:焊接时有“嗡嗡”声;
D:焊接电流很大。
当集成维持—阻塞D型触发器的异步置0端RD=0时,则触发器的次态()。
A:与CP和D有关
B:与CP和D无关
C:只与CP有关
D:只与D有关
已知某流体的密度p=1000kg/m3,动力黏度μ=0.1Pa·s,则该流体的运动黏度v=()。
A:0.1×10-3m2/s
B:0.1×103m2/s
C:0.1×10-3s/m2
D:0.1×103s/m2
首页
<上一页
22
23
24
25
26
下一页>
尾页