出自:专业案例考试

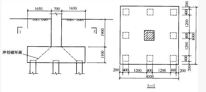
某建筑柱下桩基,由上部结构传至桩基承台顶面处相应于荷载的基本组合的内力值为:F=6600kN,MX=My=900kN·m,柱基独立承台下采用400mm×400mm钢筋混凝土预制桩,桩的平面布置及承台尺寸,如图所示。承台底面埋深3.0m,柱截面尺寸800mm×800mm,居承台中心位置。承台用C40混凝土(fT=1.71N/mm2),取h0=1050mm。承台及承台以上土的加权平均重度取20kN/m3。荷载的基本组合由永久荷载控制。按《建筑桩基技术规范》作答。



第1题,共2个问题
(单选题)柱对承台的冲切计算时,承台的受冲切承载力设计值(kN)最接近下列()项。
A:8800
B:9200
C:9800
D:10500

第2题,共2个问题
(单选题)角桩对承台的冲切计算时,承台的受冲切承载力设计值(kN)最接近下列()项。
A:2800
B:2500
C:1900
D:1500
监理单位在基坑工程监理中,检查()等单位提供的技术资料,具备开挖条件后发布开挖通知。
A:勘察
B:设计
C:主管部门
D:监测
某铁路桥梁采用独立墩基础,基础底面尺寸为3m×9m,埋深为4.0m,地基土为均质黏土,时代为全新世,成因为河流冲积相,液性指数为0.55,塑性指数为18,孔隙比为0.75,饱和重度为20kN/m3,桥墩位于河水中,常水位高出河底2.0m,一般冲刷线为河底下0.5m,该桥墩地基的容许承载力为()kPa。()
A:272.5
B:297.5
C:312.5
D:321.5
某民用建筑场地中取得干燥粉土试样,重度为15.6kN/m3,比重为2.70,其密实度及湿度为()。
A:密实,稍湿
B:中密,稍湿
C:密实,干燥
D:中密,干燥

某基坑工程为二级工程,拟开挖10m,地表水平,基坑侧壁直立,施工过程中,地表有5kPa的均布荷载,基坑地质资料如下:
①0~3m:粉土,γ=18.5kN/m3,φ=15°,c=5kPa;
②3~6m:粉土,水位以上γ=18.9kN/m3,水位以下γ=19.1kN/m3,φ=14°,c=15kPa;
③6~10m:砂土,γ=18kN/m3,φ=36°,c=0kPa;
④10~20m:粉土,γ=19.1kN/m3,φ=16°,c=20kPa;
⑤基坑外侧地下水位5.0m,基坑内地下水位0.0m。
如采用地下连续墙支护,墙的嵌入深度为7m,按《建筑基坑支护技术规程》(JGJ120-2012)要求计算墙背土压力的大小及作用点。



第1题,共5个问题
(单选题)墙背总的水土压力之和为()。
A:1490kN
B:1441.4kN
C:1478kN
D:1445.3kN

第2题,共5个问题
(单选题)第一层粉土层的主动土压力合力及其作用点距地表的距离分别为()。
A:42kN、2.0m
B:42kN、2.14m
C:36kN、2.0m
D:36kN、2.14m

第3题,共5个问题
(单选题)第三层砂土层的主动土压力合力及其作用点距地表的距离分别为()。
A:168,4kN、6.67m
B:128kN、8.1m
C:150kN、6.67m
D:150kN、8.17m

第4题,共5个问题
(单选题)第二层低液限黏土的主动土压力合力及其作用点距地表的距离分别为()。
A:50kN、4.15m
B:89.3kN、4.74m
C:50kN、4.78m
D:92.54kN、4.15m

第5题,共5个问题
(单选题)第四层主动土压力合力及其作用点距地表之距离分别为()。
A:544.6kN、17m
B:472kN、13.8m
C:500kN、17m
D:500kN、13.5m
当采用边长400mm×400mm,桩长L=14m(不计桩靴),振动沉桩工艺时,按公路桥涵地基规范JTGD63-2007计算,单桩抗压承载力容许值为()(见表4.11.1、图4.11.3)。
A:600kN
B:610kN
C:620kN
D:630kN
求桥涵基础的沉降。

第1题,共1个问题
(单选题)某桥墩基础如图3.3.3.1所示,基底尺寸为6m×12m,正常使用极限状态下,相应于作用的长期效应组合时,作用于基底的中心荷载N=17490kN(只考虑恒载作用,其中包括基础重力及水的浮力),基础埋置深度h=3.5m,地基土层为透水的亚砂土,其中γ'=9.31kN/m3,下层为中砂,其γ'=10.6kN/m3,如假定沉降计算的经验系数为0.78,则基础中心点的沉降量为()cm。
A:20.4
B:23.2
C:25.1
D:27.2
某公路工程位于河流一级阶地上,阶地由第四系全新统冲积砂层及亚砂土层组成,亚砂土层黏粒含量为12%,场地地震烈度为8度,基础埋深2.0m,地下水位4.0m,地层资料如下:0~6m,亚黏土,IL=0.4;6~8m,亚砂土;8m以下,含砾粗砂土。按《公路工程抗震设计规范》(JTJ004-1989)有关要求,该场地可初步判定为()场地。()
A:液化
B:不液化
C:需考虑液化影响
D:可不考虑液化影响
某水工建筑物隧道围岩资料如下:①岩石饱和单轴抗压强度为69MPa;②岩体完整性系数为0.65;③结构面平均张开度为2.0mm,有泥质充填,结构面平直光滑;④地下水活动状态为线状流水,10m洞长每分钟出水量为50L;⑤结构面产状无规律,延长度小于3.0m;⑥洞室围岩应力状态为σ1=4.2MPa、σ2=σ3=1.8MPa,洞轴线与σ1方向平行。该水工建筑物围岩类别应为()。
A:Ⅱ类
B:Ⅲ类
C:Ⅳ类
D:Ⅴ类
某建筑边坡重力式挡土墙如图所示,墙高H=10m,墙重为800kN/m,墙后砖土为砂土,γ=17kN/m3,c=0,=30°,墙背与砂土之间的摩擦角δ=16°,墙底与地基之间的摩擦系数μ=0.45。试问:按库仑土压力理论计算该墙的抗滑移稳定安全系数最接近下列()项。()
A:1.40
B:1.50
C:1.60
D:1.70
某粉质黏土土层进行旁压试验,结果为测量腔初始固有体积VC=496.0cm3,初始压力对应的体积V0=134.5cm3,临塑压力对应的体积VF=217.0cm3,直线段压力增量△p=0.28MPa,泊松比为0.38。试问:确定该土层的旁压模量E(MPa)最接近下列()项。()
A:5.8
B:6.3
C:7.1
D:7.8
某湿陷性黄土场地采用单液硅化法处理,场地尺寸为30m×30m,处理土层深度为7.0m,采用浓度为12%的水玻璃溶液掺2.5%的氯化钠,要求灌注时水玻璃溶液的相对密度为1.14,地基土天然孔隙比为1.0,填充系数为0.6,水玻璃出厂时比重为1.45,按《建筑地基处理技术规范》(JGJ79-2002)计算。

第1题,共2个问题
(单选题)加固整个场地需用配制后的水玻璃溶液()t。
A:2100
B:2155
C:2200
D:2255

第2题,共2个问题
(单选题)加固该场地时需从工厂购进水玻璃()t。
A:650
B:660
C:670
D:680
某粉砂土场地采用夯实水泥土桩处理,要求复合地基承载力达到400kPa,按正方形布桩,桩径为600mm,桩体混合料抗压强度平均值为9MPa,按桩周土体强度确定的单桩承载力为800kN,桩间土承载力为110kPa,折减系数为0.95,按《建筑地基处理技术规范》(JGJ79-2002)计算,桩间距宜为()。
A:1.62m
B:1.74m
C:1.83m
D:1.90m
地基中任意点处附加应力的计算。 有一矩形底面基础b=4m,1=6m,相应于荷载效应标准组合时,基础底面的附加应力为P0=100kPa,如图3.1.4.3所示,用角点法计算矩形基础外k点下深度z=6m处N点竖向附加应力为()kPa。()
A:13.1
B:6.5
C:29.9
D:18.2

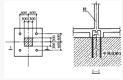
某单层地下车库建于岩石地基上,采用岩石锚杆基础。柱网尺寸8.4m×8.4m,中间柱截面尺寸600mm×600mm,地下水位位于自然地面以下1m,如图为中间柱的基础示意图。



第1题,共3个问题
(单选题)假定相应于作用的标准组合时,单根锚杆承担的最大拔力值Ntmax为170kN,锚杆孔直径为150mm,锚杆采用HRB335级钢筋(fy=300N/mm2),直径为32mm,锚杆孔灌浆采用M30水泥砂浆,砂浆与岩石间的粘结强度特征值为0.42MPa,试问,锚杆有效锚固长度ι(m)取值,与下列何项数值最为接近?()
A:1.0
B:1.1
C:1.2
D:1.3

第2题,共3个问题
(单选题)现场进行了6根锚杆抗拔试验,得到的锚杆抗拔极限承载力分别为420kN,530kN,480kN,479kN,588kN,503kN。试问,单根锚杆抗拔承载力特征值RT(kN),与下列何项数值最为接近?()
A:250
B:420
C:500
D:宜增加试验量且综合各方面因素后再确定

第3题,共3个问题
(单选题)相应于作用的标准组合时,作用在中间柱承台底面的竖向力总和为-600kN(方向向上,已综合考虑地下水浮力、基础自重及上部结构传至柱基的轴力);作用在基础底面形心的力矩值MXk、Mk均为100kN·m。试问,相应于作用的标准组合时,单根锚杆承受的最大拔力值Ntmax(kN),与下列何项数值最为接近?()
A:125
B:167
C:233
D:270
已知某建筑场地的钻孔土层资料如下表: 按《建筑抗震设计规范》(GB50011-2010),该建筑场地类别应确定为()。
A:Ⅰ类
B:Ⅱ类
C:Ⅲ类
D:Ⅳ类
某二级边坡局部有不稳定块体,其在坡面的平均尺寸为2m×2m,块体重量为130kN,边坡采用喷混凝土防护,混凝土抗拉强度设计值为1.5MPa,喷射混凝土的厚度不宜小于()。
A:5cm
B:8cm
C:10cm
D:15cm

某建筑柱下桩基承台,柱及承台相应尺寸见图6.1.7所示,柱为方柱,位于承台中心,承台顶面处相应于作用的基本组合时的轴压力F=2700kN,承台采用C30混凝土(fT=1.43N/mm2),钢筋的混凝土保护层厚度取100mm。按《建筑地基基础设计规范》作答。



第1题,共2个问题
(单选题)承台的斜截面受剪承载力设计值(kN)的最小值,最接近下列()项。
A:4908.4
B:5102.2
C:5362.1
D:5431.3

第2题,共2个问题
(单选题)验算柱对承台的冲切时,承台的抗冲切承载力设计值(kN),最接近下列()项。
A:7144
B:7321
C:7536
D:7613
某洞室围岩内聚力c=20kPa,内摩擦角为30°,重度为21kN/m3,正方形洞室边长为4.0m,岩体水平应力与垂直应力之比为0.80,洞室埋深为20m,地表无荷载,按太沙基松散体理论公式计算,作用在衬砌上的垂直压力为()。
A:130kPa
B:150kPa
C:170kPa
D:190kPa
某山区建筑地基,地面下3m深度内为岩性相同,风化程度一致的基岩,现场实测该岩体纵波速度为2600m/s,室内测试岩块纵波波速为4200m/s。从现场取6个试样进行饱和单轴抗压强度试验,得到饱和单轴抗压强度平均值为13.2MPa,标准差为5.42MPa。试问:确定3m深度岩石地基的承载力特征值(MPa)最接近下列()项。()
A:0.5
B:1.5
C:2.0
D:2.5
某Ⅱ类建筑场地位于7度烈度区,设计地震分组为第一组,设计基本地震加速度为0.1g,建筑结构自震周期T=1.4s,阻尼比为0.08,按《建筑抗震设计规范》(GB50011-2010)该场地中建筑多遇地震条件下地震影响系数为()。
A:0.01
B:0.02
C:0.03
D:0.04
某铁路桥梁用采独立墩基础,基础底面尺寸为3m×9m,埋深为4m,地基土为均匀的中密状态的细砂土,饱和重度为20kN/m3,桥墩位于河水中,常水位高出河底2.0m,一般冲刷线为河底下0.5m,该桥墩地基的容许承载力为()kPa。()
A:230
B:252.5
C:255
D:280

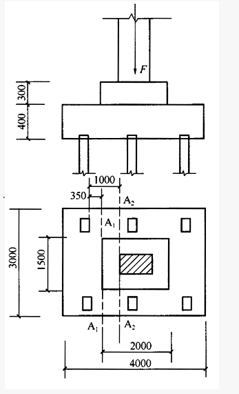
某建筑柱下桩基承台如图所示,柱截面尺寸为800mm×600mm,承台采用C40混凝土(fT=1.71MPa),承台顶面仅承受柱传来相应于荷载的基本组合时的轴压力值F。取承台板钢筋的混凝土保护层厚度为50mm。



第1题,共2个问题
(单选题)承台变阶处A1-A1截面的斜截面受剪承载力(kN)最接近下列()项。
A:1400
B:1600
C:1800
D:1900

第2题,共2个问题
(单选题)承台的柱边A2-A2截面的斜截面受剪承载力(kN)最接近下列()项。()
A:1600
B:1700
C:1800
D:1900
某筏板基础,其底层资料如习图3.3.25所示,该4层建筑物建造后两年需要加层至7层。已知未加层前基底有效附加压力P0=60kPa,建造后两年固结度U达0.80,加层后基底附加压力增加到P0=100kPa(第二次加载施工工期很短,忽略不计加载过程,E近似不变),加层后建筑物中点的最终沉降量最接近于()数值。()
A:94mm
B:108mm
C:158mm
D:180mm
某市存在大面积地面沉降,其地下水位下降平均速率为1m/年,现地下水位在地面下5m处,主要地层结构及参数见表11.5.1。按分层总和法计算。试问:今后15年内地面总沉降量(mm)最接近下列()项。()
A:270
B:290
C:310
D:330
某砂土场地采用振冲桩处理、正方形布桩,桩径0.6m,桩距1.8m,不考虑成桩时的振动下沉密实作用,土体天然承载力为120kPa,天然孔隙比为0.85,最大孔隙比为0.89,最小孔隙比为0.63,按《建筑地基处理技术规范》(JGJ79-2002)计算。处理后土体的相对密度为()。
A:0.70
B:0.78
C:0.85
D:0.90
某条形基础底宽4m,作用在基底上的相应于荷载效应标准组合时的三角形荷载引起的基底附加压力值的最大值P0=180kPa,则此条形基础中心线下z=6m处的竖向附加应力为()kPa。()
A:17.79
B:43.27
C:35.59
D:46.94
某建筑场地位于冲积平原上,地下水位为3.0m,地表至5m为黏性土,可塑状态,地下水位以上容重为19kN/m3,地下水位以下容重为20kN/m3,5m以下为砂层,黏粒含量4%,稍密状态,标准贯入试验资料如下表,拟采用桩基础,设计地震分组为第一组,8度烈度,设计基本地震加速度0.30g。 根据《建筑抗震设计规范》(GB50011-2010),回答以下问题: 该场地的液化等级为()。
A:轻微液化
B:中等液化
C:严重液化
D:显著液化
按双桥静力触探资料确定单桩承载力。 桩为预制混凝土方桩边长400mm,桩长12m(桩尖长0.4m),承台埋深2m。地层及静力触探资料如图4.5.2.4所示。 单桩竖向承载力标准值为()。
A:1850kN
B:1900kN
C:1950kN
D:2000kN
某基坑支护结构安全等级为二级,垂直开挖,采用复合土钉墙支护,设一排预应力锚杆,锚杆水平间距1m,结构计算宽度1m,自由段长度为5.0m。已知锚杆计算宽度内的弹性支点水平反力值为250kN,水平倾角20°,锚孔直径为150mm,土层与砂浆锚固体的极限黏结强度标准值qsik=46kPa,锚杆极限抗拔承载力标准值RK=1.3NK。锚杆的设计长度至少应取()时才能满足要求。()
A:16.0m
B:18.0m
C:21.0m
D:24.0m