自考题库
首页
所有科目
自考历年真题
考试分类
关于本站
游客
账号设置
退出登录
注册
登录
出自:电气工程公共基础
电容端电压和电感电流不能突变原因是()。
A:元件的端电压和电流不能突变
B:电场能量和磁场能量的变化率均为有限值
C:电容端电压和电感电流都是有限值
D:电容端电压和电感电流都受换路定律制约
为什么变压器短路试验所测得的损耗可以认为就是绕组的电阻损耗?
与计算机网络连接的系统都要遵守网路协议,网络协议主要由()三个要素构成。
A:语句、语义和同步
B:语句、语法和同步
C:语法、语义和同步
D:语法、语义和异步
下列关于振光的说法正确的是()。
A:线偏振光、椭圆偏振光、圆偏振光都可以看成两个振动方向相互垂直、频率相同且有固定相位差的线偏振光的合成。
B:部分偏振光和自然都可以看成两个振动方向相互垂直、频率相同且有固定相位差的线偏振光的合成。
C:对于自然光,通过传播方向的任意平面上的光振动均是线偏振光,且这些线偏振光振幅相等,频率相同,有固定的相位差。
D:对于部分偏振光,其通过传播方向的任意平面上的光振动均是线偏振光,且这些线偏振光振幅不等,频率相同,有固定的相位差。
要使泵内最低点不发生汽化,必须使有效汽蚀余量()必须汽蚀余量。
A:等于;
B:小于;
C:略小于;
D:大于。
如何进行“分接开关和操动机构的连接校验”?(以MR有载分接开关或长征电器一厂的ZY1有载分接开关为例)
变压器的结构参数包括(),(),(),(),()。
外施工频耐压试验电源优先选用线电压是因为线电压比相电压更稳定。()
若在白光中波长为380nm紫光与760nm的红光具有相同的强度,则在散射光中两者的比例是()。
A:1:16
B:16:1
C:1:2
D:2:1
在操作系统中,进程管理主要管理的是()。
A:输入设备
B:输出设备
C:处理机(CPU)
D:存储器
选择网络拓扑结构要综合各方面因素决定,可考试以下几个方面()。
A:Wlan覆盖范围
B:Wlan负载能力
C:用户使用Wlan的目的
D:不同的应用采用不同的Wlan方案
设D={(x,y)|1≤x2+y2≤4},则二重积分的值是().
A:3π
B:4π
C:5π
D:14/3π
TPS级保护用电流互感器是指低漏磁电流互感器,无剩磁限值。()
矩形脉冲是典型的数字信号,下列电路能够输出矩形脉冲的是()。
A:多谐振荡器
B:施密特触发器
C:单稳态触发器
D:石英晶体多谐振荡器
()属于最底层的LVM构成组件。
A:PV
B:LV
C:VG
D:以上均错
计算机全息图和光学全息图的同异点?
反应A(g)+B(g)→c(g)的速率方程为,若是密闭的反应容器增大一倍,则其反应速率为原来的()。
A:1/6倍
B:1/8倍
C:8倍
D:1/4倍
已知g(0)=1,f(2)=3,f’(2)=5,
等于().
A:1
B:2
C:3
D:5
对于曲线,下列说法
不正确
的是()。
A:有3个极值点
B:有3个拐点
C:有2个极值点
D:对称原点
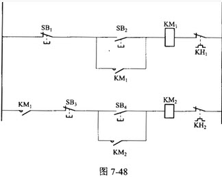
如图7-48所示的控制电路中,交流接触器KM1、KM2分别控制电动机M1和M2,以下叙述正确的是()。
A:M1、M2可以独立运行,互不影响
B:M1起动后,M2才能起动
C:先将M1起动,随后M2自行起动
D:先将M2起动,M1不能自行起动
用原码输出的译码器实现多输出逻辑函数,需要增加若干个()。
A:非门
B:与非门
C:或门
D:或非门
《招标投标法实施条例》(征求意见稿)中规定,招标人最迟应当在投标有效期届满()签发工程)日前发出中标通告,否则应当按照本条例第二十条第二款规定延长投标有效()。
A:20
B:25
C:30
D:35
谱线加宽
中性点端子的雷电冲击试验可以使用间接施加法和直接施加法。()
计算机网络的广泛应用的最大好处是()。
A:存储容量增大
B:计算机运行速度加快
C:节省人力
D:实现资源共享
1600kVA以上的电力变压器直流电阻的标准是:各相间的差别不应大于三相平均值的2%,无中性点引出时线间差别不应大于三相平均值的1%,变压器大修后应测量()的直流电阻。
A:所有各分头;
B:中间分头;
C:匝数最多分头;
D:最末分头。
下列哪一项是供应商管理中使用阶段的工作()。
A:收集资质
B:签订合作协议
C:向外援工程师明确服务内容、时间、地点和费用等,签订《工作说明书》
D:技术能力测试
光具组的入射光瞳、有效光阑、出射光瞳之间的关系一般为()。
A:入射光瞳和有效光阑对整个光具组共轭
B:出射光瞳和有效光阑对整个光具组共轭
C:入射光瞳和出射光瞳对整个光具组共轭
当事人在订立合同过程中,因提供虚假情况给对方造成损失,应当承担()。
A:损害赔偿责任
B:违约责任
C:返还财产责任
D:折价补偿责任
为了防止计算机病毒的传染,应该做到()。
A:干净的U盘不要与来历不明的U盘放在一起
B:不要复制来历不明的U盘上的程序
C:长时间不用的U盘要经常格式化
D:对U盘上的文件要经常重新复制
首页
<上一页
97
98
99
100
101
下一页>
尾页