自考题库
首页
所有科目
自考历年真题
考试分类
关于本站
游客
账号设置
退出登录
注册
登录
出自:电气试验工
架空线路导线水平排列时,面向负荷侧相序应遵守自左至右()。
A:A、B、C
B:A、C、B
C:B、A、C
D:C、B、A
潜水泵电缆的地线与漏电保安器的()极端子连接
A:N极上端子
B:N极下端子
C:N极的上下端子均可
D:以上答案都不对
在电力变压器的铁心柱上,同一相的高压绕组与低压绕组的相对关系表述错误是()。
A:高压绕组套在低压绕组之外
B:低压绕组套在高压绕组之外
C:高压绕组在低压绕组之上
D:高压绕组在低压绕组之下
南网预防性试验规程规定,油纸绝缘的耦合电容器在10kV电压下的tgδ值0.5%。
工作票中的人员包括()等。
A:安全员
B:工作负责人
C:工作许可人
D:工作票签发人
工作许可人:在线路上工作为()或领导指定人员担任。
A:施工单位小组安全员
B:当班值班员
C:领导指定人员
D:调度
在500kV变电设备现场作业,工作人员与带电设备之间必须保持的安全距离是()m。
A:6
B:5
C:4
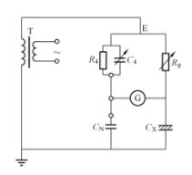
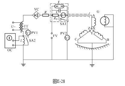
图E-28是什么试验接线方式?并写出主要元件名称。
局部放电测量中,视在放电量q是指在试品两端注入一定电荷量,使试品端电压的变化量和试品局部放电时引起的端电压变化量相同。此时注入的电荷量即称为局部放电的(),以皮库(PC)表示。
A:视在放电量
B:局部放电量
C:真实放电量
D:电荷量
在电气试验中,电流表必须()在电路中。
A:串联
B:并联
C:混联
电流继电器的()电流与()电流的比值称为继电器的返回系数。
输电线路防雷保护的根本目的是()。
电阻、电感、电容串联电路,谐振时电路呈现()。
A:阻性
B:容性
C:感性
D:以上答案都不对
电气测量用数字式仪表读数方便没有()误差。
A:A数值
B:偶然
C:摩擦
D:视觉
导线的截面选择要根据()选择。
A:安全工作电流
B:最小工作电流
C:最大工作电流
D:安全工作电压
采用摇表(或接地电阻测试仪)由于输出测试电流小,不用布放那么长的电压线和电流线。
岗位资格考试按照广东电网公司工作岗位规范的要求进行考试。()
220kV及以上变压器在线端电压为1.3Um/√3时,预防性试验要求局部放电量一般不大于300PC。
测量接地电阻时,对所用仪表及导线截面有什么要求?
摇测电容器的绝缘电阻时,只摇测各极对地绝缘电阻,不摇测极间绝缘电阻。
下面哪几种故障可造成变压器差动保护动作()。
A:变压器内部有故障
B:变压器引出线有故障
C:变压器套管有故障
D:母线短路
变压器分接开关的作用()。
A:调节变压器输出电压
B:分配电能
C:调节频率
D:改变磁通
图中接线是什么试验接线?
为什么白天耐压试验合格的绝缘油,有时过了一个晚上耐压就不合格了呢?
独立避雷针的接地电阻不宜大于()Ω 。
用于SF6开关设备的吸附剂有活性碳、活性氧化铝和(),这些吸附剂是()物质,具有很强的吸附能力,通常以吸附剂的()来表示吸附能力的强弱。
电气设备在进行大修后,或者在进行局部改造后,要进行检修后试验,试验应执行电力行业标准《电气设备预防性试验规程》中规定的大修、小修试验项目和试验合格标准。
对土壤电阻率测量要求是()
A:土壤电阻率分布均匀
B:测量的分层土壤深度应与接地网最大对角线长度相当
C:土壤保持相对干燥,测量不能在雨后进行
D:注意测量线之间的互感对土壤电阻率测量结果的影响
一交流电源设备,容量10kVA,如果带一功率因数0.6,功率为8KW的感性负载,电源是否过载?如果过载有什么办法可以解决吗?
影响绝缘子污闪电压的是含有大量的可溶性盐类或酸碱的积尘,当遇到高湿天气时,这些成分溶于水中,使绝缘子表面电导(),泄漏电流(),闪络电压大大()。
首页
<上一页
96
97
98
99
100
下一页>
尾页