自考题库
首页
所有科目
自考历年真题
考试分类
关于本站
游客
账号设置
退出登录
注册
登录
出自:电气工程公共基础
GB1094.3-2003中规定,绕组类型为全绝缘,设备最高电压Um≤72.5kV(方均根),则操作冲击属于()。
A:例行试验
B:特殊试验
C:不适用
D:型式试验
变压器用的电阻测温计其容许负载电流为()mA。
A:1
B:2.8
C:3.5
D:4
若f(v)为麦克斯韦气体分子速率分布函数,N为分子总数,m为分子质量,则的物理意义是()。
A:速率为v2的各分子的总平动动能与速率为v1的各分子的总平动动能之差
B:速率为v2的各分子的总平动动能与速率为v1的各分子的总平动动能之和
C:速率处在速率间隔v1~v2之内的分子的平均平动动能
D:速率处在速率间隔v1~v2之内的分子平动动能之和
测量直流电流时,应将电流表的“+”端接到直流电路中的( )端。
A:电位高
B:电位低
C:电流低
74LS138有()个译码输入端和()个译码输出端。
A:1,3
B:3,8
C:8,3
D:无法确定
根据《建设工程勘察设计管理条例》的规定,()未经审查批准的,不得使用。
A:勘察文件
B:方案设计文件
C:初步设计文件
D:施工图设计文件
图6-28中,水池的隔墙上开有两个相同的小孔A和B,小孔直径5cm,流量系数μ=0.62,上下游水位不变,两小孔的流量和为()L/s。
A:3.8
B:7.6
C:10.1
D:12.2
如果某个波带片对考察点P露出前5个奇数半波带,在P该点产生的振动的振幅和光强分别是不用光阑时的()倍。
A:5、10
B:10、50
C:10、100
D:50、100
近视眼,将()矫正到无限远,远视眼,将近点矫正到明视距离
对于油浸式变压器测量绝缘电阻时,施加()。
A:直流电压
B:直流电流
C:交流电压
D:交流电流
Canvas有各种属性,其中表示字体样式定义的属性名称是()。
A:GlobalAlpha
B:StrokeStyle
C:Font
D:Linecap
用1M×4的DRAM芯片通过()扩展可以获得4M×8的存储器。
A:位
B:字
C:复合
D:位或字
循环水泵在运行中入口真空异常升高,是由于()。
A:水泵水流增大;
B:循环水入口温度降低;
C:仪表指示失常;
D:循环水入口过滤网被堵
设列向量p=[1,-1,2]T是3阶方阵相应特征值λ的特征向量,则特征值λ等于().
A:3
B:5
C:7
D:不能确定
电解CuCl2水溶液,以石墨作电极,则在阳极上()。
A:析出Cu
B:析出O2
C:析出Cl2
D:石墨溶解
有机玻璃的介电系数为()
A:1.1~1.9;
B:2.1~3.0;
C:3.3~4.5;
D:4.7~6.0。
中华人民共和国国务院《计算机软件保护条例》中对于“著作权”的描述正确的是()。
A:中国公民、法人或者其他组织对其所有开发的软件,不论是否发表,享有著作权
B:外国人、无国籍人的软件首先在中国境内发行的,享有著作权
C:外国人、无国籍人的软件,依照其开发者所属或者经常居住地国同中国签订的协议,享有著作权
D:依照中国参加的国际条约享有的著作权,同样受《计算机软件保护》的保护
《安全生产法》规定,居民委员会、村民委员会发现其所在区域内的生产经营单位存在事故隐患或者安全生产违法行为时,应当向()报告。
A:当地人民政府或有关部门
B:监察部门
C:当地人民政府的上级机构
D:生产经营单位主管部门
TTL定时器型号的最后几位数字为()。
A:555
B:556
C:7556
D:7555
4f系统
计算全息的优点?
建设工程勘察、设计注册执业人员未受聘于()的,不得从事建设工程的勘察、设计活动。
A:建设工程承包单位
B:建设工程勘察、设计单位
C:建设工程科研院所单位
D:建设工程勘察、设计、施工单位
下列资金项目中
不属于
现金流入的是()。
A:销售收入
B:回收固定资产余值
C:回收无形资产
D:回收流动资金
tyD220/3电容式电压互感器,其额定开路的中间电压为13kv,若运行中发生中间变压器的短路故障,则主电容C1承受的电压将提高约( )
A:5%
B:10%
C:15%
D:20%
相干光学处理也有几个固有缺点?
有4个容量为10μF,耐压为10V的电容器,为提高耐压,应采取()接方法。
A:串;
B:两两并起来再串。
C:并;
D:两两串起来再并。
负有安全生产监督管理职责的部门依法对生产经营单位执行有关安全生产的法律、法规、国家标准或者行业标准的情况进行监督检查的职权
不包括
()。
A:对生产经营单位检查以及了解有关情况
B:对安全生产违法行为进行行政处罚
C:对主要负责人的违法行为进行行政处分
D:对事故隐患进行处理(责令排除、撤出人员、责令停产等)和对有关设施、设备、器材进行处理(查封、扣押)
下列逻辑电路中为时序逻辑电路的是()。
A:变量译码器
B:加法器
C:数码寄存器
D:数据选择器
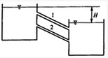
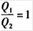
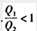
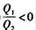
图示水面差为H的两水箱间并设两根等径等长的直长管,则两管的流量关系为()。
A:
B:
C:
D:
哪一个平台能够实时监控维护对象的运行状况()。
A:监控管理平台
B:服务台
C:运维调度平台
D:知识管理平台
首页
<上一页
95
96
97
98
99
下一页>
尾页