自考题库
首页
所有科目
自考历年真题
考试分类
关于本站
游客
账号设置
退出登录
注册
登录
出自:电气试验工
与架空线直接连接的旋转电机进线段上避雷器的接地电阻,应符合的要求为()。
A:不大于3Ω
B:不大于4Ω
C:不大于10Ω
为什么在交接和运行中,发电机要进行定子铁心损耗试验?
按照南网预试规程,以下哪一种气体成分不是110KV及以上SF
6
开关(GIS)的现场分解产物测试的常规检测项目()
A:H
2
S
B:CO
C:SO
2
D:H
2
长期密封使用的SF
6
,经几次小电流灭弧作用,()。
A:会减少但不会改变灭弧能力
B:不会减少也不会改变灭弧能力
C:不会减少但会改变灭弧能力
D:会减少也会改变灭弧能力
预防性试验为了发现运行中设备的隐患,预防发生事故或设备损坏,对设备进行的检查、试验或监测,也包括取油样或气样进行的试验。()
氧化锌避雷器的额定电压与一般电气设备的额定电压含义相同。
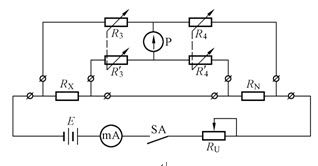
图E-16是什么仪器的原理接线图?图中哪一元件没有注明标号?
某用户一个月有功电能为2000kWh,平均功率因数cosφ=0.8,则其无功电能为1500kvarh。
架空电力线路夜间巡视时发现接头过热发红现象,应采取如下措施()。
A:继续运行
B:将线路负荷减少一半
C:线路停电处理
D:适当减少负荷,增加巡视
高压发电厂、变电所电力生产用低压电气装置共用的接地装置应符合R≤200/I的要求,但不应()。
A:>3Ω
B:>3.5Ω
C:>4Ω
D:>4.5Ω
真空断路器的灭弧室是在高真空状态下工作,其击穿电压比常压下的空气、SF6气体、变压器油的击穿场强高得多。()
变压器并列运行是将两台或多台变压器的一次侧和二次侧绕组分别接于()上,同时向负载供电。
A:公共的母线
B:两个线圈
C:中性点
用10kVA试验变压器进行工频耐压试验时,为精确监测试验变压器高压侧输出电流,可以在高压线圈“X”端与接地点之间串联仪表,采用仪表
不正确
的是()。
A:电压表
B:安培表
C:毫安表
D:微安表
测量土壤电阻率时,应注意测量线之间的()对土壤电阻率测量结果的影响。
对火花放电电压及击穿电压有影响的因素有()。
A:环境气压
B:环境温度
C:环境湿度
D:绝缘硬度
变电站地网接地电阻时,金属管道可能对测量结果的影响包括()几个方面。
A:对测试电流分流
B:影响土壤电阻率
C:影响地网与电压极之间电位差
D:影响接地网的拓扑结构
电缆直流耐压及泄漏电流试验时,为何要在高压侧直接测量泄漏电流?
电力变压器色谱分析中,当总烃含量大于()ppm时应()。
对电极形状不对称的棒-板间隙,直流击穿电压与棒的极性无关。
电压降法测量变压器直流电阻,是在被测绕组中通以()电流,测量通过绕组的电流和在绕组上的(),然后再根据()定律即可算出绕组的直流电阻。
什么是空载线路合闸过电压的定义?
工频交流耐压试验是考验试品承受()的有效方法,对保证设备()具有重要意义。
如果发现触电人呼吸困难、稀少或心跳失常、发生痉挛,应立即施行()。
A:人工呼吸或胸外心脏挤压
B:静卧休息
C:多走动
D:立即送医院
在进行变压器空载试验时,三相电压相差不应超过()。
A:0.05
B:0.03
C:0.04
D:0.02
高压试验时为保证人身和设备安全,应在试验回路的低压部分有可能出现高电压的地方接上保护放电器。()
保护间隙的工作原理是什么?
对油浸式变压器及电抗器的绝缘试验应在充满合格油,并静止一定时间,待气泡消除后进行,一般来说设备额定电压为220kV及330kV时,静止时间要求()。
A:>72h
B:>48h
C:>24h
不属于
6KV真空断路器试验的是()。
A:测量回路电阻
B:测量绝缘电阻
C:交流耐压
D:直流耐压
闸刀开关也称刀开关,它是由手柄和刀形触头组成,是手动操作机构中()的一种,用于操作不频繁的电路中。
A:复杂
B:最简单
C:较简单
D:最复杂
焦耳-楞次定律的具体内容是?
首页
<上一页
94
95
96
97
98
下一页>
尾页