自考题库
首页
所有科目
自考历年真题
考试分类
关于本站
游客
账号设置
退出登录
注册
登录
出自:电气工程公共基础
贝克线
如下说法,正确的有()。
A:恒定电流在其周围空间产生的磁场不随时间变化,称为恒定磁场
B:磁场对于电荷有力的作用,这种力称为洛仑兹力
C:磁感应线(B线)是无头无尾的闭合线,因此穿过闭合面的磁通必然为零
D:在不同媒质分界面上,磁感应强度切向分量相等,磁场强度的法向分量相等
雷电冲击试验选用负极性进行是因为大气中的雷电多是负极性的。
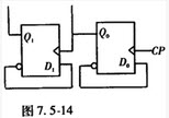
设图7.5-14所示电路的2个D触发器的初始状态为"0",则该电路是()。
A:异步二进制计数器
B:同步三进制计数器
C:异步四进制计数器
D:同步五进制计数器
一台Y/y0-12和一台Y/y0-8的三相变压器,变比相等,能否经过改接后作并联运行()。
A:能
B:不能
C:不一定
D:不改接也能
国际单位制中把( )作为质盆的单位。
A:kg
B:kgf
C:g
D:t
力对物体的作用效果是()
A:转动和移动;
B:转动;
C:移动;
D:做功。
TTL集成门电路输出级一般采用()输出形式。
A:集电极开路
B:三态门输出
C:图腾柱输出
D:复合管和图腾柱输出
横模
带有局放测量的长时感应耐压试验使用脉冲电流法时,可以监测视在放电量,放电功率和放电重复率。()
将1L4mol·L-1氨水与1L2mol·L-1盐酸溶液混合,混合后OH-离子浓度为().
A:1mol·L-1
B:2mol·L-1
C:8.0×10-5mol·L-1
D:1.8×10-5mol·L-1
共轴理想光学系统
效率最高的叶轮叶片型式是()。
A:前向型
B:径向型
C:后向型
D:轴向型
以下关于测量直流电阻的目的的叙述()是
不正确
的。
A:各相绕组的电阻是否平衡。
B:为用户提供作为安装.运行和维护的原始数据。
C:导线的规格.电阻率是不符合要求。
D:开关的接触电阻及波形是否良好。
下列选项中,关于LVM的说法哪些
不正确
()。
A:硬盘的多个分区由LVM统一卷组管理,可以方便的加入或移走分区以扩大或减小卷的可用容量,充分利用硬盘空间。
B:文件系统建立在逻辑卷上,而逻辑卷可根据需要改变大小(在卷组容量范围内)以满足要求
C:文件系统建立在LVM上,可以跨分区,方便使用
D:LVM通常用于装备大量磁盘的系统,但它不适于小系统
曲面3x2+y2-z2=27在点(3,1,1)处的法线方程为().
A:
B:
C:
D:
一个既有小数部分又有整数部分的数在数字系统中有()两种表示方法。
A:定点表示法
B:浮点表示法
C:源码表示法
D:反码表示法
额定容量S是指一台水轮发电机长期安全运行的最大允许输出_____________功率。
阴影莫尔法
水流一定方向应该是()。
A:从高处向低处流;
B:从压强大处向压强小处流;
C:从流速大的地方向流速小的地方流;
D:从单位重量流体机械能高的地方向低的地方流。
如何确定光学系统的视场光阑?
下面
不正确
的描述是()。
A:不论是周期的还是非周期的模拟信号,它们的频谱都可表示为频率的连续函数
B:周期模拟信号的频谱是离散的
C:非周期模拟信号的频谱是连续的
D:周期模拟信号的谱线高度随谐波次数的增大而减小
某产品由A、B、C、D四个零部件组成,进行价值工程对象选择时,它们的价值指数如下所示。则不应作为价值工程分析对象的是()。
A:1.8032
B:1.4246
C:1.0000
D:0.6419
关于项目总投资,说法正确的有()。
A:总投资=固定资产投资+流动资金
B:总投资=固定资产投资+建设期利息+流动资金
C:总投资=建设投资+建设期利息+流动资金
D:总投资=建筑安装工程费+设备及工器具购置费+工程建设其他费用+预备费
单位时间内流过某一通流()的液体体积称为流量
FTP协议是一种用于()的协议。
A:传输文件
B:提高计算机速度
C:提高网络传输速度
D:网络互联
在操作系统中,存储管理主要管理的对象是()。
A:硬盘
B:光盘
C:主存
以电对MnO-4/Mn2+与Fe3+/Fe2+电对组成原电池,已知则反应产物是()。
A:MnO4和Fe2+
B:MnO4和Fe3+
C:Mn2++和Fe2+
D:Mn2+和Fe3+
过流保护加装复合电压闭锁可以( )。
A:加快保护动作时间
B:增加保护可靠性
C:提高保护的灵敏性
D:延长保护范围
变压器的温升试验时施加的最小损耗应为总损耗的90%.( )
首页
<上一页
88
89
90
91
92
下一页>
尾页