自考题库
首页
所有科目
自考历年真题
考试分类
关于本站
游客
账号设置
退出登录
注册
登录
出自:电气工程公共基础
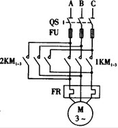
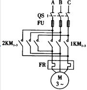
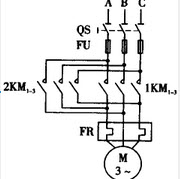
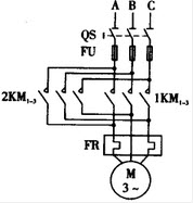
下面四个继电接触控制主电路中,不能实现电动机正反转控制的是()。
A:
B:
C:
D:
信息有多个特征,下列四条关于信息特征的叙述中,有错误的一条是()。
A:信息的可识别性,信息的可变性,信息的可流动性
B:信息的可处理性,信息的可存储性,信息的属性
C:信息的可再生性,信息的有效和无效性,信息的可使用性
D:信息的可再生性,信息的独立存在性,信息的不可失性
基本门如图7-61a所示,其中,数字信号A由图7-61b给出,那么,输出F为()。
A:1
B:0
C:
D:
在生产现场进行检修或安装工作时,为了保证安全的工作条件和设备的安全运行,防止发生事故,发电厂各分厂及有关的施工基建单位,必须严格执行____________制度。
某导体带有0.025C的电量,对地电压为250V,该导体的对地电容为()μF。
A:25;
B:100;
C:250;
D:0.025。
变压器带有局部放电测量的长时感应耐压试验时施加1.7Um或1.8Um的时间与试验频率无关.( )
断路器断路器失灵保护是当系统故障,故障元件的保护动作而_________时,通过故障元件的保护作用于变电站相邻断路器跳闸,有条件的通过通道,致使远端有关断路器同时跳闸的接线。
数字系统中,常用()电路.将输入脉冲信号变为等幅等宽的脉冲信号。
A:施密特触发器
B:单稳态触发器
C:多谐振荡器
D:集成定时器
函数
在x=π/3处取得极值,a的值应为().
A:-2
B:2
C:
D:
有载调压开关在运行中电气极限保护不起作用是由哪些原因造成的?怎样处理?
目镜有哪些常用形式?它们有什么像差特点?
冲击试验时测量电缆外皮中暂态电流引起的电磁干扰成为共模干扰。
黄氏计算全息图的特点?
下列说法
不正确
的是()。
A:逻辑电路可以分为组合逻辑电路和时序逻辑电路两类
B:组合逻辑电路中任意时刻产生的稳定输出信号,不仅取决于该时刻电路的输入信号,还取决于电路原来的状态
C:时序逻辑电路通常由组合电路和存储电路组成
D:存储电路是由触发器组成的
设随机变量X与Y相互独立,已知P(X≤1)=p,P(Y≤1)=q,则P(max(X,Y)≤1)等于().
A:p+q
B:pq
C:p
D:q
在下列任务中,哪个不是网络操作系统的基本任务。()
A:屏蔽本地资源
B:为用户提供基本的网络服务功能
C:管理网络系统的共享资源
D:提供网络系统的安全服务
某平面任意力系向O点简化后,得到如图4-7所示的一个主矢F'和一个主矩Mo,则该力系的最后简化结果为()。
A:作用在O点的一个合力
B:合力偶
C:作用在O点右边某点的一个合力
D:作用在O点左边某点的一个合力
图示容器内盛有两种不同的液体,密度分别为
,
,则有()。
A:A
B:B
C:C
D:D
流通面积一定时,流量与流速的关系怎样?
以下关于项目制约因素特征的说法正确的是()。
A:团队制定计划时的选择
B:项目管理人员不可控的因素
C:通常事先要识别,将不会发生改变,不是逐步完善的
D:制约是项目运作的重要环境
直接比较型ADC是将输入的模拟信号直接与参考电压比较,进而转换为输出的数字量,属于直接比较型的有()。
A:并行比较型
B:反馈比较型
C:V/T型
D:V/F型
元素的标准电极电势图如图3-1所示。
在空气存在的条件下,下列离子在水溶液中最稳定的是()。
A:Cu2+
B:Au+
C:Fe2+
D:Mn2+
说明三相变压器的零序阻抗受哪些结构因素的影响?
什么叫做第一辅助光线?什么叫做第二辅助光线?
()协议用于将电子邮件交付给Internet上的邮件服务器。
A:ICMP
B:POP3
C:PPP
D:SMTP
下列四种泵中压力最高的是()。
A:单作用叶片泵
B:普通齿轮泵
C:双作用叶片泵
D:柱塞泵
对径向式叶片,离心式泵的QT-HT∞的关系曲线为()。
A:水平直线
B:自左向右下降的直线
C:自左向右上升的直线
D:自左向右上升的曲线
使用钢丝绳式电动葫芦应注意什么问题?
三段距离保护的原理框图由_________、_________、_________三部分组成。
两种图像假彩色编码的方法?
首页
<上一页
83
84
85
86
87
下一页>
尾页