自考题库
首页
所有科目
自考历年真题
考试分类
关于本站
游客
账号设置
退出登录
注册
登录
出自:电气试验工
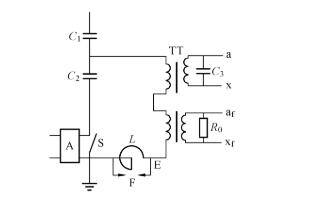
用下列设备:QK-刀开关;FU-熔丝;HG-绿色指示灯;SB1-常闭分闸按钮;SB2-常开合闸按钮;S1-电磁开关;S2-调压器零位触点;F-球隙;HR-红色指示灯;TR-调压器;TT-试验变压器;TV-电压互感器。进行交流耐压试验,画出试验接线图。
为什么变压器绝缘受潮后电容值随温度升高而增大?
为了消除表面泄漏的影响,在做直流泄漏试验时,通常采用屏蔽法。
因试验需要断开设备接头时,拆前应做好标记,接后应进行检查。()
泄漏电流试验在高压电机、电缆、电容器等的预防性试验中被广泛采用。
对电力设备绝缘进行高电压耐压试验时,所采用的电压波形有()。
A:直流
B:交流
C:雷电过电压操作
D:冲击波
在高土壤电阻率地区,应采取隔离、均压及其它保护措施并核算接触电压、跨步电压满足运行要求。()
配电区的10千伏配电设备应加装()。
A:接地线
B:放电间隙
C:管形避雷器
D:FS阀型避雷器
产生直流高压的半波整流电路中,高压整流硅堆的额定参数主要有额定整流电流和()。
A:额定负荷电流
B:额定反峰电压
C:额定开断电流
D:额定工作电压
表示绝缘材料在高温作用不改变介电、力学、理论等性能的能力称为()性。
A:耐热
B:热弹
C:热稳定
D:热惯
测量绝缘电阻及直流泄漏电流通常不能发现的设备绝缘缺陷是()。
A:贯穿性缺陷;
B:整体受潮;
C:贯穿性受潮或脏污;
D:整体老化及局部缺陷。
影响固体电介质绝缘劣化和热击穿的一个重要原因是( )。
A:电容电流
B:介质损耗
C:表面泄漏电流
D:电场的性质
在进线段上的阀式避雷器的接地端,应与电缆的金属外皮和避雷线连在一起接地,接地电阻R()
A:>3Ω
B:<3Ω
C:>4Ω
D:<4Ω
220kV断路器的开断电流为21kA,将它更换为31.5kA的断路器。更换断路器后开断容量是S=U×I=220×31.5=6930MVA。
自强号使用的GALAXY1000PW系列的UPS中的开关Q3P指的是()。
A:整流器输入开关
B:静态旁路输入开关
C:电池保护开关
D:逆变器输入开关
发生短路故障的一个显著特征是()突然增大,别一特征是()锐减。
在测量电力电缆吸收比时,兆欧表的“G”端子座接于()上。
A:线芯
B:绝缘层
C:防护层
D:接地端子
500kV电抗器连同套管绝缘电阻大于10000MΩ时,吸收比不低于1.1,或极化指数不低于1.3。
操作过电压与()、()、()有着密切的关系。
A:系统接线
B:绝缘水平
C:中性点接地方式
D:开关性能
电压互感器工作特点是二次阻抗小,因此可以认为近似于开路状态下工作。
按照机械强度的要求,继电保护二次回路的连接电缆应采用()的控制电缆,其截面积应符合规程要求,连接强电端子的不得小于()mm
2
图E-71为220kV电容式电压互感器的原理接线图。画出使用QS1型西林电桥,采用自激法测量主电容C1的介损、电容量和分压电容C2的介损、电容量的试验接线图。
R、L、C并联,接入一个频率可变的电源,开始时IR=10A,IL=15A,IC=15A总电路呈阻性,当频率上升时,电路()。
A:呈容性;
B:呈感性;
C:呈阻性;
D:性质不变。
净距小于100mm平行或交叉管道,应每隔()用金属线进行跨接。
A:10m
B:20m
C:30m
D:40m
目前GIS带电局放测量的方法有()。
A:特高频法
B:SF
6
组份分析法
C:超声波法
D:SF
6
气体微水测量
红外检测时一般先用红外热像仪对所有应测部位进行全面扫描,找出热态异常部位,然后对异常部位和重点检测设备进行准确测温。()
在理想的纯电容电路中,电流与电压的相位关系是:通过电容器的电流()电压()。
频率的单位符号为dB。
绘图题:画出用QS1型西林电桥测量-tgδ的原理接线图(正接线)。
在GIS出厂见证的气体密封性试验项目中,GIS充入SF
6
气体至额定压力并静置超过6小时,方可进行试验。()
首页
<上一页
83
84
85
86
87
下一页>
尾页