自考题库
首页
所有科目
自考历年真题
考试分类
关于本站
游客
账号设置
退出登录
注册
登录
出自:预算员
某砖混结构住宅楼工程,使用预应力空心板作为楼(屋)面板,总共需要板量为:①YKB3306-4,675块,0.139m
3
/块;②YKB3006-4,500块,0.126m
3
/块;③YKB3005-4,420块,0.104m
3
/块。三种板的制作工程量应为()m
3
。
A:200.505
B:203.513
C:203.112
D:201.508
装饰工程类别如何确定?
按《重庆市建筑工程计价定额(2008)》的规定:计算综合脚手架工程量时,挑阳台按水平投影面积的()计算。
A:全面积
B:1/2
C:1/3
D:1/4
下列选项
不属于
预制结构构件的是()。
A:预制外挂墙板
B:预制柱
C:预制叠合楼板
D:预制叠合梁
税金是以直接费、间接费、利润三项之和为基数计算
根据GB50500-2013清单计价规范9,3.1规定:已标价工程量清单中有适用于变更工程项目的,应采用该项目的单价;但当工程变更导致该清单项目的工程数量发生变化,且工程量偏差超过()%时,该项目单价可以调整。
A:5
B:8
C:10
D:15
招标人需对已发出的招标文件进行必要的澄清或修改的,应当在招标文件要求提交投标文件截止时间至少()日前完成。
A:5
B:10
C:15
D:20
冻结排桩法深基坑支护技术的主要特点有()。
A:适用于大体积深基坑施工
B:适用于含水量高的地基基础施工
C:不宜用于软土地基基础施工
D:适用于地下水丰富的地基基础施工
E:适用于工期要求较紧的基础施工
下列中的()
不属于
企业管理费。
A:办公费
B:临时设施费
C:工具用具使用费
D:工程排污费
E:夜间施工费
砌筑通常采用“三一砌砖法”, 指的是()
A:一铲灰
B:一块砖
C:一挤揉
D:一皮杆
工程量清单采取()方法计价。
A:工料单价
B:综合单价
C:定额计价
D:单位估价
顶棚吊顶用的木龙骨和角钢的损耗率为()。
A:3%
B:5%
C:6%
D:7%
某挖土机挖土一次正常循环工作时间为 50s,每次循环平均挖土量为 0.5m
3
,机械正常利用系数为 0.8,机械幅度差系数为 25%,按 8 小时工作制考虑,挖土方预算定额的机械台班消耗量为()台班/1000m
3
。
A:5.43
B:7.2
C:8
D:8.68
建筑物楼层是建筑物水平的围护和承重构件,它的作用是(),因而楼层必须有足够的刚度和稳定性。
A:水平分隔建筑物上下空间
B:具有承受使用中的荷载及隔墙和楼板自重等荷载
C:楼层起着对墙体或柱的水平支撑作用,增加墙或柱的稳定性
D:满足各种使用功能的要求
预算定额比施工定额的水平()。
A:高
B:低
C:一样
D:不能比较
根据《重庆市建设工程工程量清单计价规则(2013)》,编制招标工程量清单的依据包括下列中的()。
A:投标时拟定的施工方案
B:国家计量规范及重庆市计量规则
C:建设工程设计文件及相关资料
D:拟定的招标文件
E:有关标准、规范、技术资料
砖柱以立方米计算,应扣除()所占体积。
A:梁头
B:板头
C:混凝土或钢筋混凝土梁垫
D:钢筋混凝土板
进口设备购置费计算中,关税=()×进口关税税率。
A:FOB价
B:CIF价
C:抵岸价
D:货价
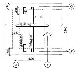
下图是一块四周支承在圈梁上的现浇钢筋混凝土板示意图。其中②号钢筋的根数应为()。
A:13根
B:10根
C:12根
D:9根
我国现行的工程造价计价方法有两种:工程定额计价法和工程量清单计价法。
根据《建设工程工程量清单计价规范》,关于楼梯梯面装饰工程量计算的说法,正确的是()。
A:按设计图示尺寸以楼梯(不含楼梯井)水平投影面积计算
B:按设计图示尺寸以楼梯梯段斜面积计算
C:楼梯与楼地面连接时,算至梯口梁外侧边沿
D:无梯口梁者,算至最上一层踏步边沿加 300mm
建筑面积是指建筑物各层水平面积的总和,包括了建筑物中的()
A:居住面积
B:使用面积
C:辅助面积
D:结构面积
建筑工程和装饰装修工程分开发包的,建筑工程套用建筑物垂直运输子目乘以系数()。
A:0.625
B:0.7
C:0.77
D:0.8
普通水泥适用早期强度要求较高的混凝土工程。()
在振冲器水平振动和高压水的共同作用下,使松砂土层振密或在软弱土层中成孔,然后回填碎石等粗粒料形成桩柱,并和原地基土组成复合地基的地基处理方法是()
A:重锤夯实法
B:强夯法
C:挤密桩施工法
D:深层密实法
预算定额中人工单价主要包括()内容。
A:基本工资
B:工资性补贴
C:文明施工费
D:社会保障费
价值工程的三个基本要素是什么?
某建设项目,业主将其中一个单项工程通过工程量清单计价方式招标确定了中标单位,双方签订了施工合同,工期为6 个月。每月分部分项工程项日和单价措施项目费用如表所示。
总价措施项目费用为12 万元(其中安全文明施工费用6.6万元),其他项目费用包括:暂列金额为10万元,业主拟分包的专业工程暂估价为28万元,总包服务费用按5%计算:管理费和利润分别以人材机费用之和为基数计取,计算费率为8%:规费和税金以分部分项工程项目费用、措施项目费用、其他项目费用之和为基数计取,计算费率为10%。 施工合同中有关工程款结算与支付的约定如下: (1)开工前,业主向承包商支付预付款,包括扣除暂列金额和安全文明施工费用后的签约合同价的20%以及安全文明施工费用的60%。预付款在合同期的后3个月从应付工程款中平均扣回: (2)开工后,安全文明施工费用的40%随工程进度款在第1个月支付,其余总价措施费用在开工后的前4个月随工程进度款平均支付: (3)工程进度款按月结算,业主按承包商应得工程进度款的90%支付: (4)其他项目费用按实际发生额与当月发生的其他工程款同期结算支付: (5)当分部分项工程量增加(或减少)幅度超过巧%时,应调整相应的综合单价,调价系数为0.9(或1.1): (6)施工期间材料价格上涨幅度在超过基期价格5%及以内的费用由承包商承担,超过5%以上的部分由业主承担: (7)工程竣工结算时扣留3%的工程质量保证金,其余工程款一次性结清。施工期间,经监理人核实及业主确认的有关事项如下: 1)第3个月发生合同外零星工作,现在签证费用4万元(含管理费和利润),某分项工程因设计变更增加工程量 20%(原清单工程量400厅,综合单价180 元/m
3
)m,增加相应单价单价措施费用1万元,对工期无影响: 2)在第4个月业主的专业分包工程完成,实际费用22万元:另有某分项工程的某种材料价格比基期价格上涨12%(原清单中,该材料数量300m
2
,材料价格200 元/m
2
)m。 假设该单项工程实际总造价比签约合同价增加了30 万元,在竣工结算时业主应支付承包商的工程结算款应为多少万元?(计算结果有小数的保留三位小数)
在约定风险范围时,()不应包括在承包人的风险范围内,价款调整方法应当在专用条款内约定。
A:自然灾害
B:不可预见性灾害
C:设计变更及施工条件变更
D:政策性调整
学校教学楼的建筑工程,最基本建设项目中称为一个()
A:建设项目
B:单项工程
C:单位工程
D:分部工程
首页
<上一页
82
83
84
85
86
下一页>
尾页