自考题库
首页
所有科目
自考历年真题
考试分类
关于本站
游客
账号设置
退出登录
注册
登录
出自:基础考试
如图所示放大电路中,已知三极管工作在放大区RC=1.5kΩ,RS=2kΩ,其小信号模型(微变等效电路)参数rbe=1kΩ,若所有的电容都足够大,则该电路的输出电阻rO最接近于()kΩ。
A:0.5
B:1
C:1.5
D:2
图示结构(不计轴向变形)AB杆轴力为(EI=常数):()
A:A
B:B
C:C
D:D
水准仪中圆水准器的作用是()。
A:粗略置平仪器
B:精确置平视线
C:消除视差
D:照准目标
轻型动力触探试验的探测深度一般小于()m。
A:16
B:8
C:6
D:4
岩体变形试验中当需要进行深部岩体变形特性试验时,可以采用()。
A:承压板法
B:狭缝法
C:单(双)轴压缩法
D:钻孔径向加压法
结构如图,折杆AB与直杆BC的横截面面积为A=42cm
2
,W
y
=W
z
=420cm
3
,[σ]=100MPa,则此结构的许可荷载[P]为:()
A:15kN
B:30kN
C:45kN
D:60kN
我国现行国家标准测定金属硬度的方法有()
A:布氏硬度
B:络氏硬度
C:维氏硬度
D:摩氏硬度
图示冲床的冲压力F=300πkN,钢板的厚度t=10mm,钢板的剪切强度极限τ
b
=300MPa,冲床在钢板上可冲圆孔的最大直径d是:()
A:d=200mm
B:d=100mm
C:d=4000mm
D:d=1000mm
有一普通完全井,其直径为1m,含水层厚度H=11m,土壤渗透系数k=2m/h。抽水稳定后的井中水深h
0
=8m,试估算井的出水量:()
A:0.084m
3
/s
B:0.017m
3
/s
C:0.17m
3
/s
D:0.84m
3
/s
空心截面圆轴,其外径为D,内径为d,某横截面上的扭矩为M
n
,则该截面上的最大剪应力为:()
A:A
B:B
C:C
D:D
图示应力状态为其危险点的应力状态,则杆件为:()
A:斜弯曲变形
B:偏心拉弯变形
C:拉弯组合变形
D:弯扭组合变形
图示正方形截面等直杆,抗弯截面模量为W,在危险截面上,弯矩为M,扭矩为M
0
,A点处有最大正应力σ和最大剪应力τ。若材料为低碳钢,则其强度条件为:()
A:A
B:B
C:C
D:D
以下关于防火墙技术的描述中,错误的是()。
A:防火墙可以对网络服务类型进行控制
B:防火墙可以对请求服务的用户进行控制
C:防火墙可以对网络攻击进行反向追踪
D:防火墙可以对用户如何使用特定服务进行控制
用完全潜水井进行抽水试验计算渗透系数k,两位工程师各按一种经验公式选取影响半径R,分别为R
1
=3000r
0
,R
2
=2000r
0
,其他条件相同,则计算结构k
1
/k
2
为:()
A:1.50
B:0.95
C:0.67
D:1.05
下列物质中,酸性比H
2
GeO
3
弱的是()。
A:A
B:B
C:C
D:D
振冲置换法加固软粘土地基的主要作用是填料置换。
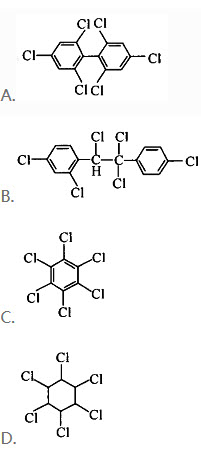
六氯苯的结构式正确的是( )
A:A
B:B
C:C
D:D
如图示有压管路,水箱液面与管道出口断面的高差H=6m,水箱至管道出口断面的水头损失h
w
=2mH
2
O,则出口断面水流平均流速v为:()
A:10.84m/s
B:8.85m/s
C:7.83m/s
D:6.25m/s
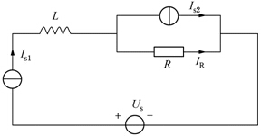
图示电路中,I
s1
、I
s2
、U
s
均为已知的恒定直流量,设通过电阻上的电流I
R
、如图所示,则下列说法正确的是()。
A:按照基尔霍夫电流定律,可求得I
R
=I
s1
+I
s2
B:按照基尔霍夫电流定律,可求得I
R
=I
s1
-I
s2
C:因为电感元件的直流电路模型是短路,所以,I
R
=U
s
/R
D:因为电感元件的直流电路模型是开路,所以,I
R
=I
s2
图示给出温度为T
1
与T
2
的某气体分子的麦克斯韦速率分布曲线,则T
1
与T
2
的关系为:()
A:T
1
=T
2
B:T
1
=T
2
/2
C:T
1
=2T
2
D:T
1
=T
2
/4
桩的端承力总是小于桩的摩阻力。
当利用孔径变形法测定岩体的空间应力状态时,应采用()的方法。
A:三孔交会测试
B:两孔交会测试
C:两孔平行测试
D:不确定
暴露在常温空气中的碳并不燃烧,这是由于C(s)+O
2
(g)
CO
2
(g)的()。(已知CO
2
(g)的值为-394.36kJ·mol
-1
)
A:
>0,不能自发进行
B:
<0,但反应速率缓慢
C:逆反应速率大于正反应速率
D:上述原因均不正确
本规范
不包括
()的内容.
A:基坑工程
B:桩基础
C:土方工程
D:爆破工程
对某投资方案进行单因素敏感性分析,选取的分析指标为净现值NPV,考虑投资额、产品价格、经营成本为不确定性因素,计算结果如图所示,不确定性因素产品价格变化的临界点约为:()
A:-10%
B:0
C:10%
D:20%
首页
<上一页
77
78
79
80
81
下一页>
尾页