自考题库
首页
所有科目
自考历年真题
考试分类
关于本站
游客
账号设置
退出登录
注册
登录
出自:基础考试
反应PCl
3
(g)+Cl
2
((g)
PCl
5
((g),298K时
=0.767,此温度下平衡时,如p(PCl
5
)=p(PCl
3
(),则p(Cl
2
()等于:()
A:130.38kPa
B:0.767kPa
C:7607kPa
D:7.67×10
-3
kPa
半径为R的圆管中,横截面上流速分布为
,其中r表示到圆管轴线的距离,则在r
1
=0.2R处的黏性切应力与r
2
=R处的粘性切应力大小之比为:()
A:5
B:25
C:1/5
D:1/25
速度υ、长度L、重力加速度g的无量纲组合是:()
A:A
B:B
C:C
D:D
如图所示电路中,已知I
1
=1A,I
2
=5A,I
5
=4A,则I
4
应为()A。
A:-10
B:-2
C:2
D:10
岩石中细微裂隙的发生和发展结果引起岩石的()
A:脆性破坏
B:塑性破坏
C:弱面剪切破坏
渗流流速υ与水力坡度J的关系是:()
A:υ正比于J
B:υ反比于J
C:υ正比于J的平方
D:υ反比于J的平方
两容积不等的容器内分别盛有可视为理想气体的氦气和氮气,如果它们的温度和压强相等,则两气体()。
A:单位体积内的分子数必相同
B:单位体积内的质量必相同
C:分子的平均动能必相同
D:单位体积内气体的内能必相同
防渗墙施工中,射水法属于()
A:深层搅拌水泥土成墙
B:高压喷射水泥成墙
C:挤压注浆成墙
D:置换建槽成墙
梁上载荷如图5-6-4所示,则梁横截面上剪力与弯矩绝对值最大则为:()
A:A
B:B
C:C
D:D
某土样高度为2cm,压缩试验数据如下表所示,当压力由0增加至100kPa时,土样的压缩变形量为()。
A:0.98mm
B:1.04mm
C:1.16mm
D:2.08mm
一般来说,某反应在其他条件一定时,温度升高其反应速率会明显增加,主要原因是:()
A:分子碰撞机会增加
B:反应物压力增加
C:活化分子百分率增加
D:反应的活化能降低
井点降水中的电渗井点降水的适用条件为()。
A:渗透系数小于0.1m/d的黏性土
B:淤泥质黏性土和淤泥
C:砂土、粉土
D:碎石土、可溶岩及破碎带
判断基桩承载能力极限状态的标准是()
A:基桩达到最大承载力
B:基桩出现不适于继续承载的变形
C:基桩发生整体失稳
D:桩头位移过大
E:桩身的破裂
以下关于土的渗透性描述正确的是()
A:渗流速度为其实际流动速度
B:水在土中的渗流速度与水力梯度成正比
C:测定粘性土的渗透系数宜用常水头法
D:渗流力的大小与水力梯度成正比
压水试验的单位吸水量的定义为()。
A:单位长度试验段每分钟所吸收的水量
B:在单位水头压力下的总吸水量
C:单位横截面积上的吸入水量
D:在单位水头压力下,单位长度试验段门分钟所吸收的
采用分层总和法计算地基最终沉降计算时,对地基土压缩模量E
s
的合理取值方法是()。
A:采用压缩曲线上р=0.1~0.2MPa间的压缩模量E
s0.1-0.2
B:采用压缩曲线上相应于自重应力至自重应力加附加应力段的压缩模量E
s
值
C:采用现场载荷试验确定的地基土变形模量E
0
D:采用地基土的弹性模量E
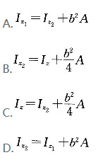
如图所示一矩形截面,面积为A,高度为b,对称轴为z,z
1
和z
2
均平行于z,下列计算式中正确的为:()
A:A
B:B
C:C
D:D
图示结构,EA=常数,C、D两点的水平相对线位移为:()
A:A
B:B
C:C
D:D
如图示两相干波源S
1
和S
2
相距λ/4(λ为波长),S
1
的位相比S
2
的相位超前1/2。在S
1
、S
2
的连线上,S
1
外侧各点(例如P点)两波引起的简谐振动的相位差是:()
A:0
B:π
C:1/2π
D:3/2π
在粘性土地基上进行浅层平板载荷试验,采用0.5m×0.5m,荷载板,得到结果为:压力与沉降曲线(p-s曲线)初始段为线性,其板底压力与沉降的比值为25kPa/mm,方形荷载板形状系数取0.886,粘性土的泊松比取0.4,则地基土的变形模量为:()
A:9303kPa
B:9653kPa
C:9121kPa
D:8243kPa
在较完整的硬质岩中,下列()是影响锚杆极限抗拔力的主要因素。
A:灌注砂浆对钢拉杆的粘结力
B:锚孔壁对砂浆的抗剪强度
C:锚杆钢筋数量
D:锚杆钢筋直径
在地形图上,长度依测图比例尺而宽度不依比例尺表示的地物符号是()。
A:依比例符号
B:不依比例符号
C:半依比例符号
D:地物注记符号
单元体的应力状态如图所示,若已知其中一个主应力为5MPa,则另一个主应力为:()
A:-85MPa
B:85MPa
C:-75MPa
D:75MPa
下列方程中不为全微分方程的是()
A:A
B:B
C:C
D:D
当自然光以58°角从空气射入到玻璃板表面上时,若反射光为线偏振光,则透射光的折射角为()。
A:32°
B:46°
C:58°
D:72°
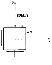
单元体的应力状态如图所示,其σ
1
的方向:()
A:在第一、三象限内,且与x轴成小于45°的夹角
B:在第一、三象限内,且与y轴成小于45°的夹角
C:在第二、四象限内,且与x轴成小于45°的夹角
D:在第二、四象限内,且与y轴成小于45°的夹角
按《水利水电工程地质勘察规范》(GB50287-1999),初步设计阶段土石坝坝址勘察时,下述()说法是正确的。
A:工程地质测绘的范围应包括库址区及坝肩地段
B:可采用综合测井查明覆盖层层次,测定土层密度
C:勘探点间距宜采用50~100m
D:岩土试验时,第四系地层主要土层的物理力学性质试验组数累计不应小于11组
向原电池(一)Ag,AgCl│Cl
-
‖Ag
+
│Ag(+)的负极中加入NaCl,则原电池电动势的变化是:()
A:变大
B:变小
C:不变
D:不能确定
下列物质中,两个氢原子的化学性质不同的是:()
A:乙炔
B:甲酸
C:甲醛
D:乙二酸
0.1mol的某不饱和烃在一定条件下能跟0.1molH
2
发生加成反应生成饱和烃,完全燃烧时生成0.3molCO
2
气体,该不饱和烃是:()
A:CH
2
=CH
2
B:CH
3
CH
2
CH=CH
2
C:CH
3
CH=CH
2
D:CH
3
CH
2
C≡CH
首页
<上一页
76
77
78
79
80
下一页>
尾页