自考题库
首页
所有科目
自考历年真题
考试分类
关于本站
游客
账号设置
退出登录
注册
登录
出自:电气试验工
工频耐压试验时,试验变压器在空载的情况下(不连接试品),根据高压侧输出电压与低压侧输入电压之比是否完全符合变比K的关系来校验高压侧直读仪表读数是否准确,称为()。
A:空载试验
B:空载校对
C:短路试验
涠洲终端处理厂的电力系统的高压开关柜的控制电源为()VDC,由免维护直流屏提供。
A:24
B:380
C:220
D:110
通常把绝缘电阻、泄漏电流、介损tgδ、油的化学性能等的试验叫作绝缘的予防性试验,试说明这些试验项目可以发现的绝缘缺陷的类型。
电流的大小用电量的多少来度量,称为电流强度。
大气过电压可分为直接雷击、雷电反击和感应雷电过电压。
电动机电流速断保护定值应()电动机()电流。
()是指单位时间内局部放电的平均脉冲个数。通常以每秒放电次数来表示。
A:放电功率
B:放电重复率
C:放电的能量
D:放电的均方率
变电所中出现的雷电过电压有()、()、()两个来源。
某一电缆长5.4km,测得其绝缘电阻300MΩ,土壤温度30℃,电缆30℃时的绝缘电阻温度换算系数K是1.41,试计算电缆在20℃时每公里的绝缘电阻是多少?
热丝钨极氩弧焊
电流互感器的二次回路应有一个接地点,一般在()处经端子接地,但对于有几组电流互感器与保护装置连接时,一般在()经端子接地。
高压熔断器的熔体动作具有()特性,通过熔体的短路电流(),熔体的熔断时间()。
对于变电所的进线段保护,为了使阀式避雷器有效地发挥保护作用,就必须采取哪些措施?
公司系统内部安全生产监督人员实行持证上岗制度。()
规程》规定,测量直流1mA时的临界动作电压u
1
mA与初始值相比,变化应不大于()。
A:±5%
B:±6%
C:±8%
D:±10%
为什么对含有少量水分的变压器油进行击穿电压试验时,在不同的温度时分别有不同的耐压数值?
在变电站停电环境温度为20℃,测得220kV断路器膜纸绝缘并联电容器介质损tgδ值为0.4%。合格
FZ型带并联电阻的普通阀式避雷器严重受潮后,绝缘电阻()。
A:变大;
B:不变;
C:变化规律并不明显;
D:变小。
变压器交接、预防试验包括()两部分。
A:绝缘试验
B:绕组试验
C:特性试验
D:耐压试验
在简单电路中,没有电流就没有电压,有电压就一定有电流。
110kV~220kV变压器绕组连同套管的tanδ值在20℃时()合格。
A:0.2%
B:0.5%
C:0.4%
D:0.8%
绝缘电阻低的试品,交流耐压一定会击穿。()
输出的专业英语为()。
A:SWITCH
B:OUTPUT
C:EMERGENCY
D:INPUT
高压试验工作可以1人进行。
通过空载特性试验,可发现变压器的哪些缺陷?
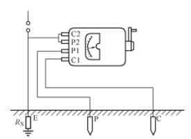
图中是什么试验接线?
套丝时、圆柱体的外径要()螺纹大径。
A:小于
B:大于
C:等于
D:略大于
进行直流耐压试验时,为了安全和便于操作,试验设备的布置要()连线要短,引线对地要(),试品表面要擦拭干净,非试验部分要()。
正式投产的设备,由于老化,失修等,可引发设备事故、故障以及人员伤亡的缺陷称为()。
A:设备缺陷
B:设备隐患
C:设备故障
D:重大事故
短路电流是导体产生电动力并使导体摆动和发生混线的主要因素。
首页
<上一页
75
76
77
78
79
下一页>
尾页