自考题库
首页
所有科目
自考历年真题
考试分类
关于本站
游客
账号设置
退出登录
注册
登录
出自:电气试验工
当绝缘内的缺陷不是整体分布性的,而是集中在某一小点,介质损耗正切值tanδ对这类局部缺陷的反应不够灵敏。
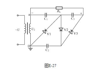
三级倍压整流电路如图E-27所示,在负载RL上就可得3U2m的电压,简述其工作原理
。
按继电保护所起的作用可分为主保护、后备保护和()保护,其中后备保护又可分为()保护和()保护。
变压器铁芯必须()接地。
A:一点
B:两点
C:多点
D:不
理想电压源与理想电流源的外特性曲线是垂直于坐标轴的直线,两者是不能进行等效互换的。
对于()的断路器,投入运行前必须验收合格才能施加电压。
A:退出运行
B:处于冷备用状态
C:新安装
D:大修后
电容式传感器最常用的形式是由两个平行电极组成、极间以空气为介质的电容器。
功率三角形中,功率因数角的对边是Q。
吸附剂在使用前应根据该吸附剂活化温度要求充分活化,在使用过程中应使油温保持在该吸附剂要求的最佳温度范围之内。
杆上避雷器安装时,相间距离应不小于()mm。
A:150
B:200
C:250
D:350
影响球隙测量结果的分散性有()。
A:球隙间的距离
B:球面的尘污
C:球隙间空气游离不充分
D:电压的波动
无论是双卷变压器或三卷变压器,其出厂试验要求只对高压绕组进行外施耐压试验。()
导线切割磁力线时产生的感应电动势与磁场的磁感应强度()。
A:无关
B:成反比
C:成正比
绝缘体有缺陷时,其介损tgδ将随试验()升高而变()。
进行绝缘试验时,户外试验应在良好的天气进行,且空气相对湿度一般不高于50%。
锯割工件时的推力和压力是由()控制的。
A:右手
B:右手压力左手推力
C:左手
D:左手推力右手压力
简述测量球隙的工作原理。
放大电路的静态工作点,是指输入信号为()时管子的工作点。
A:零;
B:正;
C:负;
D:额定值。
对各种继电器的绝缘电阻,即各带电部分对地()之间或交直流电路之间的绝缘电阻,应为()MΩ。
电气装置每个接地部分应以单独接地线与接地网或接地母线相连接,严禁在一个接地线中串接几个需要接地的部分。()
为什么介质的绝缘电阻随温度升高而减小,金属材料的电阻却随温度升高而增大?
一台站用变的绝缘电阻在20℃时测得绝缘阻为450MΩ;在30℃时测得为300MΩ.结论合格
有效值与最大值之间的关系为()。
A:
B:
C:
D:
开关柜局放带电测试,应记录环境()。
A:温度
B:湿度
C:温度和湿度
D:压力
规程规定,对某些低压回路(如二次回路),允许以2500V绝缘电阻表测试绝缘电阻1min来代替()。
A:过电流试验
B:冲击试验
C:耐压试验
试验现场应装设(),遮栏或围栏与试验设备高压部分应有足够的安全距离,向外悬挂“止步,高压危险!”的标示牌,并派人看守。
试验支路的直流电源应设专用的(),所接熔断器必须保证()不允许用设备的直流支路电源作为检验时的直流电源。
在使用C65型电压表进行测量时、当指针偏转小于上量限的()时,必须更换量程。
A:10%
B:20%
C:30%
D:50%
串联谐振的特点是:电路总电流达到最小值,电路总阻抗达到最大值,在理想情况下(R=0),总电流可达到零。()
变压器利用电磁感应原理,可以对()进行变换。
A:直流电能
B:交流电能
C:热能
D:电能
首页
<上一页
73
74
75
76
77
下一页>
尾页