自考题库
首页
所有科目
自考历年真题
考试分类
关于本站
游客
账号设置
退出登录
注册
登录
出自:计算机科学
计算机软件是指()
A:计算机程序
B:源程序和目标程序
C:源程序
D:计算机程序及便于了解程序所需的阐明性资料
判断指令是否正确:DIV 10
报表打印输出时,报表页脚的内容只在报表的()打印输出;而页面页脚的内容只在报表的()打印输出。
输入10个数据和一个整数m,把输入的10个数据依次向左移动m次。例如输入的数据为:1,2,3,4,5,6,7,8,9,10,m的值为3,则移动后的数据为:4,5,6,7,8,9,10,1,2,3
URL组成部分包括()
A:协议
B:路径及文件名
C:网络名
D:主机名
以下哪些快捷键的用法正确()
A:Ctrl+A:选择整个工作表
B:Ctrl+Shift+拖动某个单元格:复制单元格,并以插入方式粘贴到目标位置
C:Ctrl+;:插入当天的日期
D:F4:设置绝对或相对引用方式
在Excel中,“常用”工具栏的()可以复制格式。
A:格式刷
B:剪切
C:复制
D:粘贴
DBMS
标签所显示的内容,由()属性值决定。
A:Text
B:Name
C:Caption
D:Alignment
什么是泛化?泛化是否就是类的继承,如果不是请说明理由。
可再入代码
ARP协议用于()。RARP协议用于()。
中国互联网络的域名体系是如何规定的?
修改凸缘的宽度应先指定偏移的(),再输入凸缘的宽度。
A:基准点和偏移量
B:基准点
C:偏移量
D:距离
计算机的声卡作用是:()
A:可以实现人与计算机的对话框
B:实现人与计算机语音交流工作经验
C:实现声音分数字的相互转换
D:将计算机上的文章读出来
简述模块化与信息隐藏在软件设计中的意义。
ASP。NET与ASP相比,主要有哪些进步?
典型的局域网交换机允许10Mb/s与100Mb/s两种网卡共存,它采用的技术是10/100Mb/s的()。
A:线路交换
B:令牌控制
C:自动侦测
D:速率变换
插入编辑可以只替换声音而不改变画面。
对于Java中的集合类java.util.ArrayList,以下说法正确的是()。
A:这个集合中的元素是无序的
B:可以通过键来获取这个集合中的元素
C:可以通过addFirst()方法,在列表的首部插入元素
D:在对这个集合的元素执行遍历操作时,效率比较高
字母设计的原则为(),(),()并重。
计算机网络最突出的优点是()。
A: 存储容量大
B: 精度高
C: 共享资源
D: 运算速度快
使用()命令可以为现有的尺寸添加公差后缀。
A:【编辑文字】
B:【快速引线】
C:【编辑标注】
D:【编辑标注文字】
控制器和运算器集成在一起,合称为()。
在FrontPage2000中,滚动字幕是利用()命令实现的
A:MARQUEE
B:FONT
C:CLASS
D:META
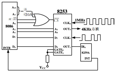
某8088应用系统如图所示,系统中有一片8253,利用通道0输出频率为4KHz的方波,利用通道1完成对外部事件计数,每记满1000个脉冲向CPU申请一次中断,当A15-A3=0000000100100时,地址译码输出为低电平,已知中断类型码为70H。
编写8253初始化程序。
Struts 2框架由()k和xwork框架发展而来。
某8086系统用3片8259A级联构成中断系统,主片中断类型号从10H开始。从片的中断申请连主片的IR4和IR6引脚,它们的中断类型号分别从20H、30H开始。主、从片采用电平触发,嵌套方式,普通中断结束方式。请编写它们的初始化程序。
在UML的需求分析建模中,对用例模型中的用例进行细化说明应使用()。
A:活动图
B:状态图
C:配置图
D:组件图
综合布线中常使用的三种标记是()。
A:电缆标记
B:设备标记
C:场标记
D:插入标记
首页
<上一页
746
747
748
749
750
下一页>
尾页