自考题库
首页
所有科目
自考历年真题
考试分类
关于本站
游客
账号设置
退出登录
注册
登录
出自:基础考试
下列属于单根锚杆锚固质量评价内容的有()
A:全长黏结型锚杆杆长度和锚固密实度
B:自钻式锚杆杆件长度和锚固密实度
C:端头锚固锚杆杆长度和锚固密实度
D:摩擦型锚杆杆长度
E:摩擦型锚杆杆体密实度
级数
收敛的充要条件是()
A:A
B:B
C:C
D:D
粒径大于0.075mm的颗粒质量不超过总质量的50%,且塑性指数等于或小于()的土,应定名为粉土。
A:10
B:13
C:15
D:17
等效孔径095的含义是允许()的颗粒(以质量计)通过筛布。
A:95%
B:5%
C:0.95%
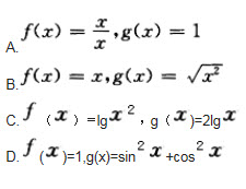
下列函数中f(x)和g(x)相同的是()
A:A
B:B
C:C
D:D
室内侧限压缩试验测得的e-P曲线愈陡,表明该土样的压缩模量()。
A:愈大
B:愈小
C:愈均匀
当土体含水率小于缩限时,粘性土的体积随含水率的进一步减小而()。
A:增大
B:减小
C:不确定
D:不变
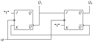
由JK触发器组成的应用电路如图所示,设触发器的初值都为0,经分析可知这是一个()。
A:同步二进制加法计数器
B:同步四进制加法计数器
C:同步三进制计数器
D:同步三进制减法计数器
石灰桩按其加固机理有哪几方面的作用()
A:成孔挤密
B:膨胀挤密
C:吸水作用
D:置换作用
若一点电荷对放在相距6cm处的另一点电荷的静电作用力为F,当两个点电荷之间的距离缩小到3cm时,静电作用力的大小为()。
A:F/4
B:F/2
C:2F
D:4F
对于HCl气体溶解于水的过程,下列说法正确的是:()
A:这仅是一个物理变化过程
B:这仅是一个化学变化过程
C:此过程既有物理变化又有化学变化
D:此过程中溶质的性质发生了变化,而溶剂的性质未变
规程建议采用的相对变形的方法来作为变形稳定的标准,则A%取()是合适的。
A:4%
B:5%
C:6%
D:7%
一端固定一端自由的细长(大柔度)压杆,长为L(如图a)所示,当杆的长度减小一半时(如图b)所示,其临界荷载F
cr
比原来增加:()
A:4倍
B:3倍
C:2倍
D:1倍
等直杆的受力情况如图所示,则杆内最大轴力N
max
和最小轴力N
min
分别为:()
A:N
max
=60kN,N
min
=15kN
B:N
max
=60kN,N
min
=-15kN
C:N
max
=30kN,N
min
=-30kN
D:N
max
=90kN,N
min
=-60kN
与二进制数11011101.1101等值的八进制数是()。
A:135.61
B:335.64
C:235.61
D:235.64
对水利工程进行长期监测的目的是为了()方面的需要。
A:诊断
B:预测研究
C:法律
D:诊断、预测研究和法律
A、B两点之间并联了0三根管道,则AB之间的水头损失
等于:()
A:A
B:B
C:C
D:D
对于粒径小于5mm的土,其土粒比重测定采用()测定。
A:比重瓶法
B:浮称法
C:虹吸筒法
D:浮称法或虹吸筒法
研究船体在水中航行的受力试验,其模型设计应采用:()
A:雷诺准则
B:弗劳德准则
C:韦伯准则
D:马赫准则
在下列选项中,应列入项目投资现金流量分析中的经营成本的是:()
A:外购原材料、燃料和动力费
B:设备折旧
C:流动资金投资
D:利息支出
对洞室围岩压力的计算,不能用铁路隧道的计算方法进行计算的是()
A:H/B<1.7的非高边墙
B:不产生显著偏压力的一般围岩
C:采用钻爆法施工的隧道
D:膨胀围岩
已知某导线全长为S=720m,测得其纵坐标增量闭合差f
x
=+0.09m,横坐标增量闭合差f
y
=-0.47m,则导线的全长相对闭合差为()。
A:1/1300
B:1/1500
C:1/1900
D:1/2500
两个点电荷带电量分别为q和2q,相距L,现将第3个点电荷Q放在它们之间,要使Q静止,则Q与q的距离应为()。
A:A
B:B
C:C
D:D
对厚度为240mm的砖墙,当梁跨度大于或等于多少时,其支承处宜加设壁柱或采取其他加强措施?()
A:4.8m
B:6.0m
C:7.5m
D:4.5m
岩体锚固荷载观测时,重要工程或部位的观测锚杆数量应是工程锚杆根数的()。
A:1/5
B:1/10
C:1/20
D:1/30
反应3NO
3
-
+8Al+5OH
-
+18H
2
O→3NH
3
+8Al(OH)
4
-
中的还原剂是()。
A:NO
3
-
B:Al(OH)
4
-
C:Al
D:H
2
O
三种受压杆件如图5-10-11所示,设杆1、杆2和杆3中的最大压应力(绝对值)分别用σ
max1
、σ
max2
和σ
max3
表表示,它们之间的关系有四种答案:()
A:A
B:B
C:C
D:D
影响计算机图像质量的主要参数有()。
A:颜色深度、显示器质量、存储器大小
B:分辨率、颜色深度、存储器空间大小
C:分辨率、存储器大小、图像加工处理工艺
D:分辨率、颜色深度、图像文件的尺寸
有反应:Fe
2
O
3
(s)+3H
2
(g)
2Fe(s)+3H
2
O(l),此反应的标准平衡常数表达式应是:()
A:A
B:B
C:C
D:D
关于预压加固法,下面哪种情况有助于减少达到相同固结度所需的时间:()
A:增大上部荷载
B:减小上部荷载
C:增大井径比
D:减小井径比
首页
<上一页
71
72
73
74
75
下一页>
尾页