自考题库
首页
所有科目
自考历年真题
考试分类
关于本站
游客
账号设置
退出登录
注册
登录
出自:基础考试
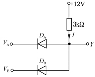
电路如图所示,设D
A
、D
B
为理想二极管,当V
A
=3V、V
B
=6V时,电流I=()mA。
A:1.5
B:2
C:3
D:4
土工合成材料具有反滤功能,主要产品有()。
A:无纺土工织物
B:有纺土工织物
C:土工格栅
D:塑料水带
E:土工格室
图示悬臂梁和简支梁长度相同,关于两梁的Q图和M图有下述哪种关系?()
A:Q图和M图均相同
B:Q图和M图均不同
C:Q图相同,M图不同
D:Q图不同,M图相同
水压致裂法可应用于测试比钻孔套心应力技术方法更深处的岩体应力。
方程x
2
-z
2
=1在空间解析几何中的图形为()
A:双曲线
B:圆
C:双曲柱面
D:圆柱面
已知某名义长度30m的钢尺的尺长方程式为L=30m+2.8mm+α(t-20℃)×30m,现用该尺在水平地面丈量得AB距离S′=75.000m,AB间的高差为1.5m,丈量时钢尺温度为31℃。则计算得AB距离的水平距离()。
A:75.002m
B:75.032m
C:74.968m
D:74.998m
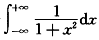
反常积分
()
A:收敛于π
B:收敛于π/2
C:收敛于π/4
D:发散
视准轴是指下列中哪两点的连线?()
A:目镜中心与物镜中心
B:十字丝中央交点与物镜光心
C:目镜光心与十字丝中央交点
D:十字丝中央交点与物镜中心
一单色平行光束垂直照射在宽度为1.0mm的单缝上,在缝后放一焦距为2.0m的会聚透镜。已知位于透镜焦平面处屏幕上的中央明条纹宽度为2.0mm,则入射光波长约为:()
A:10000
B:4000
C:5000
D:6000
如图所示,截面尺寸为240mm×250mm的钢筋混凝土柱,支承在490mm厚的砖墙上,墙采用MU10砌块、M2.5混合砂浆砌筑,可能最先发生局部受压破坏的是哪个图所示的砖墙?()
A:A
B:B
C:C
D:D
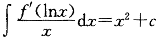
如果
,则f(x)等于:()
A:A
B:B
C:C
D:D
一密闭容器中,有A、B、C三种气体建立了化学平衡,它们的反应是A(g)+B(g)→C(g),相同温度下,体积缩小2/3,则平衡常数
为原来的()。
A:3倍
B:2倍
C:9倍
D:不变
曲柄机构在其连杆AB的中点C与CD杆铰接,而CD杆又与DE杆铰接,DE杆可绕E点转动。曲柄OA以角速度w=8rad/s绕O点逆时针向转动。且OA=25cm,DE=100cm。在图示瞬时,O、A、B三点共在一水平线上,B、E两点在同一铅直线上,∠CDE=90°,则此时DE杆角速度的大小和方向为:()
A:A
B:B
C:C
D:D
在牛顿环装置中,若对平凸透镜的平面垂直向下施加压力(平凸透镜的平面始终保持与玻璃片平行),则牛顿环()。
A:向外扩张,中心明暗交替变化
B:向中心收缩,中心处始终为暗斑
C:向外扩张,中心处始终为暗斑
D:向中心收缩,中心明暗交替变化
一定量的理想气体从初态Ⅰ(V,T)开始,先绝热膨胀到状态Ⅱ,然后经等容过程使温度恢复到T,最后经等温压缩回到状态Ⅰ。在这个循环中()。
A:内能增加
B:内能减少
C:向外界放热
D:对外界作功
强夯加固后的地基可立即进行质量检测。
项目投资现金流量表中的现金流出
不包括
:()
A:所得税
B:营业税金
C:利息支出
D:经营成本
温度、压强相同的氦气和氧气,其分子的平均平动动能
和平均动能
有以下哪种关系?()
A:
和
都相等
B:
相等,而
不相等
C:
不相等,而
相等
D:
和
都不相等
在低碳钢拉伸实验中,冷作硬化现场发生在:()
A:弹性阶段
B:屈服阶段
C:强化阶段
D:局部变形阶段
无侧限抗压强度试验试样的破坏形式为塑性破坏(即无破裂面)时,选取破坏值应按应变()所对应的轴向应力为抗压强度。
A:10%
B:15%
C:20%
土中的液态水,
不包括
()
A:冰
B:强结合水
C:弱结合水
D:自由水
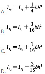
已知图5-5-10所示矩形截面中I
z1
及b,h,要求I
z2
。现有四种答案,试判断哪一种是正确的?()
A:A
B:B
C:C
D:D
由原单位荷载试验测定的地基荷载变形曲线上规定的变形所对应的荷载值称为()。
A:地基承载力基本值
B:地基承载力特征值
C:地基承载力设计值
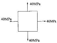
某点的应力状态如图所示,则过该点垂直于纸面的任意截面均为主平面。如何判断此结论?()
A:此结论正确
B:此结论有时正确
C:此结论不正确
D:论据不足
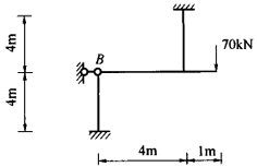
图示结构(EI=常数)支座B的水平反力R
B
等于:()
A:10kN(→)
B:10kN(←)
C:15kN(→)
D:0
如图所示,导体回路处在一均匀磁场中,B=0.5T,R=2Ω,ab边长L=0.5m,可以滑动,α=60°,现以速度v=4m/s将ab边向右匀速平行移动,通过R的感应电流为()A。
A:0
B:0.43
C:0.75
D:-0.86
汇水面积是一系列什么线与指定断面围成的闭合图形面积?()
A:山谷线
B:山脊线
C:某一等高线
D:集水线
在自重作用下未发生显著湿陷的黄土
不属于
湿陷性黄土。
在岩土工程分析评价中,下列哪一项可仅作定性分析()
A:土体的变形性状
B:各种临界状态的判定问题
C:场地的稳定性与适宜性
D:岩土体的强度
在图示xy坐标系下,单元体的最大主应力σ
1
大致指向:( )
A:第一象限,靠近x轴
B:第一象限,靠近y轴
C:第二象限,靠近x轴
D:第二象限,靠近y轴
首页
<上一页
67
68
69
70
71
下一页>
尾页