自考题库
首页
所有科目
自考历年真题
考试分类
关于本站
游客
账号设置
退出登录
注册
登录
出自:计算机科学
在控制系统中,接受控制器的命令执行控制任务的是()
50in屏幕的尺寸是()。
A:1.5m×1.1m
B:1.2m×0.9m
C:1m×0.75m
D:1.7m×1.2m
退出VisaulFoxPro的命令是()。
A:clear
B:quit
C:cancel
D:exit
下列常量说明中,符合语法的是()。
A:CONST color=red
B:CONST const=10*5
C:CONST xl:=3.9
D:CONST color=”abcd”
数学表达式Sin(60o)的正确PASCAL表达式是()
A:Sin(60)
B:Sin(3.14159*60)
C:Sin(3,14159*60/180.0)
D:Sin(60*3.14159/360.0)
Bevel Profile(侧面斜切)物体光滑由()、()参数控制。
模拟地线和数字地线都是地线,所以一般可以随意连接在一起。
ARP协议主要用于由MAC地址来获取对应的IP地址。
下列选项中,超文本系统结构模型有()。
A:ODA模型
B:HAM模型
C:HyTime模型
D:Dexter模型
SD方法的设计总则是()。
A:程序简洁、操作方便
B:结构清晰、合理
C:模块内聚性强
D:模块之间耦合度低
主存容量是指RAM和ROM总和;它是衡量微型计算机计算机数据处理能力的一个重要指标;构成主存的器件通常采用()。
对绞电缆就是UTP电缆。
如果在文字样式对话框中将字体设置为宋体,则不能设置()。
A:宽度因子
B:倾斜角度
C:粗体
D:注释性
PowerPoint 2000中,若要在当前演示文稿中添加一张带图表的幻灯片,下列操作中正确的是()。
A:利用"插入"菜单下的"图表"中的选项进行设置
B:利用"插入"菜单下的"新幻灯片"中的选项进行设置
C:利用“文件”菜单下的"新建"中的选项进行设置
D:利用"常用"工具栏中的"新幻灯片"中的选项进行设置
简述编译程序的基本过程的任务。
在一个链队列中,front和rear分别为头指针和尾指针,则插入一个结点s的操作为()。
A:front=front->next
B:s->next=rear;rear=s
C:rear->next=s;rear=s;
D:s->next=front;front=s;
需求分析阶段的任务是设计分ER图
指令基本格式常由哪两大部分组成?
8086的四个段寄存器分别是什么?
CAT1最高频率带宽是750KHZ,用于报警系统或只适用于语音系统。
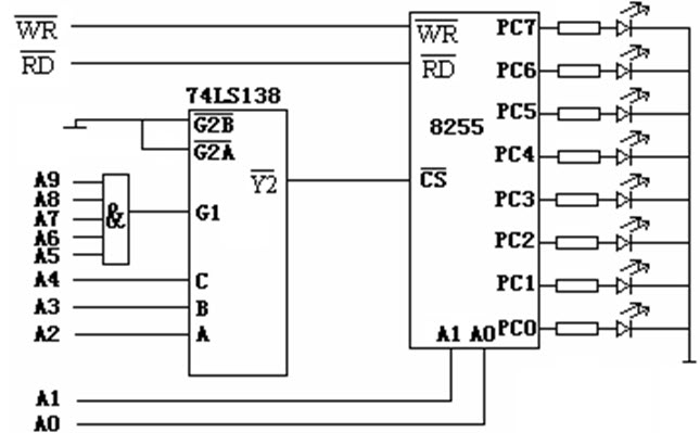
如图所示,将8255的C端口接8个发光二极管,使这8个发光二极管依次亮灭,其中74LS138译码器与地址总线已经连接正确。
应用圆角命令“offset”对一条多段进行圆角操作是()
A:可以一次指定不同圆角半径
B:如果一条弧线段隔开两条相交的直线段,将删除该段而替代指定半径的圆角
C:必须分别指定每个相交处
D:圆角半径可以任意指定
母版页是后缀为()的文件。
A:master
B:asax
C:aspx
D:ascx
excel图表中,如果修改数据源中数据,图表也会自动更改。()
PowerPoint中可以对幻灯片进行移动、删除、添加、复制、设置动画效果,但不能编辑幻灯片具体内容的视图是()
A:普通视图
B:幻灯片浏览视图
C:幻灯片视图
D:大纲视图
如图所示,左上图执行“滤镜>杂点>蒙尘与划痕”命令后,得到右下图所示效果,使用历史记录画笔工具要对其局部进行恢复,却弹出不能使用历史记录画笔工具的警告对话框,下列描述可能的原因中正确的是()
A:可能在打开图像后对画布的大小进行过调整,画布的大小与历史记录不相符合
B:可能在执行“滤镜>杂色>蒙尘与划痕”命令之前未保存一个快照
C:可能在打开图像时,历史记录面板未自动创建第一幅快照
D:可能和历史记录在不同的图层上
如果需要在MyForm=CreateObject(“form”)所创建的表单对象Myform中添加command1按钮对象,应当使用命令()。
A:Add Object Commandbutton AS command1
B:Command1=Addobject(“commandbutton”,“command1”)
C:Myform.Addobject(“commandbutton”,“command1”)
D:Myform.Addobject(“command1”,“commandbutton”)
使用分类汇总前,要排序,排序字段为()。
A:字符字段
B:分类字段
C:逻辑字段
D:数字字段
“回收站”里面存放着用户删除的文件。如果想再用这些文件,可以从回收站中执行“还原”操作。如果不再用这些文件,可以清空回收站。
试比较两种采样观察法的优劣。
首页
<上一页
677
678
679
680
681
下一页>
尾页