自考题库
首页
所有科目
自考历年真题
考试分类
关于本站
游客
账号设置
退出登录
注册
登录
出自:电气工程公共基础
把一个五进制计数器与一个四进制计数器串联可得到()进制计数器。
A:4
B:5
C:9
D:20
TTL与非门由()组成。
A:输入级
B:放大级
C:中间级
D:输出级
为什么无激孩调压变压器例分头后要测医道流电阻?
激光
关联和链有几种不同的形式()。
A:1种
B:2种
C:3种
D:4种
主从RS触发器由哪三部分组成()。
A:主触发器
B:从触发器
C:与门
D:非门
工频电压峰值和有效值的测量误差应在3%以内;谐波峰值的测量误差应小于谐波峰值的10%,或基波峰值的()%。
A:1;
B:3;
C:5;
D:8。
抽样值来表示
ABC分类法中,部件数量占60%~80%、成本占5%~10%的为()。
A:A类
B:B类
C:C类
D:以上都不对
ISP-PLD器件开发系统的组成有()。
A:计算机
B:编程器
C:开发软件
D:编程电缆
方程
满足初始条件
的解是().
A:
B:
C:
D:
测定变压器油的闪点,实际上就是测定()。
A:油的蒸发度;
B:油的蒸发度和油内挥发成分;
C:油的燃烧温度;
D:油内的水分和挥发成分。
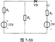
电路如图7-50所示,已知R1=R2=2kΩ,R3=3kΩ,VD为理想二极管,电流I为()mA。
A:0.75
B:0
C:1
D:3
真空中波长为λ的单色光,在折射率为n的均匀透明媒质中,从A点沿某一路径传播到B点,路径的长度为Z。如将A、B两点光振动位相差记为Δ,则以下各组结果中正确的是()。
A:l=3λ/2,Δ=3π
B:l=3λ/(2n),Δ=3nπ
C:l=3λ/(2n),Δ=3π
D:l=3n,λ/2,Δ=3π
物像共轭
冲击发生器的充电会回路既可以采用恒压充电,也可以采用恒流充电。()
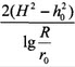
图6-36中,普通潜水井(完全井),半径为r0影响区半径为R,未受影区水位为H,水井内水位h0,土壤渗流系数为k,该单井流量为()。
A:
B:
C:
D:
以下属于智能大厦计算机网络系统需求的是()?
A:功能性需求
B:替代需求
C:空间和用户数需求
D:应用系统需求
两明渠均匀流,流量相等,且断面形状尺寸、水深都相同,A的粗糙系数是B的2倍,渠底坡度A是B的几倍?()
A:0.5倍
B:1倍
C:2倍
D:4倍
运行中的配电变压器应做哪些测试?
在VHDL语言中,ARCHITECTURE中的语句都是()执行的语句。
A:顺序
B:并行
C:即可顺序也可并行
D:无法确定
以下特性中
不属于
可转换债券的特点是()。
A:可转换性
B:无风险性
C:股权性
D:债权性
蜡烛燃烧有如下变化:①蜡烛燃烧②蜡烛气化③蜡烛变短④火焰冒黑烟⑤蜡烛熔化。属于化学变化的是()
A:①②③④⑤
B:①④⑤
C:②③⑤
D:①④
变形系统
梯队型组织的特点包括()。
A:以技术为主要考核点
B:按照工作难易划分结构
C:独立运作,资源无法共享
D:沟通成本高
经过检修的互感器,瓷件的掉瓷面积允许不超过瓷件总面积的()。
A:1%~2.5%;
B:2.5%~3%;
C:3%~3.5%;
D:0.5%~0.75%。
简述配电变压器器身绝缘装配过程。
信息化系统管理文档的要求是什么()。
A:要求使用单位给所有参与管理的人员建立相关的人事档案
B:要求使用单位整理系统施工文件,并应建立相关的技术档案
C:要求使用单位建立系统的管理规程,并应建立相关的售后服务技术档案
D:要求使用单位建立系统的管理、作用、检测、维护规程,并应建立相关的技术档案
波带片型基元全息图
最概然速率νp的物理意义是()。
A:νp是速率分布中最大速率
B:νp是大多数分子的速率
C:在一定的温度下,速率与Vp相近的气体分子所占的百分率最大
D:νp是所有分子速率的平均值
首页
<上一页
64
65
66
67
68
下一页>
尾页