自考题库
首页
所有科目
自考历年真题
考试分类
关于本站
游客
账号设置
退出登录
注册
登录
出自:基础考试
重力大小为W的物块能在倾斜角为α的粗糙斜面上下滑,为了维持物块在斜面上平衡,在物块上作用向左的水平力F(如图所示)。在求解力F的大小时,物块与斜面间的摩擦力F的方向为:()
A:F只能沿斜面向上
B:F只能沿斜面向下
C:F既可能沿斜面向上,也可能向下
D:F=0
在洞室收敛观测中,当应力与时间关系曲线呈上凹型分布时,表明岩体很快将失稳。
一填方工程的土料为粘性土,如要在现场测试其密度,最好采用()
A:环刀法
B:灌砂法
C:灌水法
某弱酸HA的K
a
=1.0×10
-4
,则1.0mol·L
-1
的溶液的pH为()。
A:4.00
B:3.00
C:2.00
D:6.00
在附壁紊流中,粘性底层厚度δ比绝对粗糙高度△大得多的壁面称为:()
A:水力光滑面
B:水力过渡粗糙面
C:水力粗糙面
D:以上答案均不对
如图所示,当阀门的开度变小时,流量将:()
A:增大
B:减小
C:不变
D:条件不足,无法确定
固结试验测固结系数时,施加每级压力后应按时间要求读数,直稳定为止,一般为()。
A:12h
B:24h
C:48h
下列各物质的水溶液中,pH<7的是()。
A:AlCl
3
B:Na
3
PO
4
C:NaAc
D:NH
4
Ac
圆管紊流粗糙区(阻力平方区)的沿程摩阻系数λ与:()
A:雷诺数Re有关
B:相对粗糙度有
关
C:雷诺数Re和
有关
D:雷诺数Re和管长L有关
等高线间隔是()。
A:相邻等高线之间的水平距离
B:相邻等高线之间的坡度
C:相邻等高线之间的高程差
D:相邻等高线之间的距离
与砂土相比,粘土有较多结合水膜,所以有较大的()
A:重量
B:孔隙
C:内摩擦角
D:粘聚力
图5-8-10所示同一根梁的三种载荷情况,但均在线弹性范围内工作,试指出下列关系式中哪个是正确的?()
A:A
B:B
C:C
D:D
岩体应力测试中属于应力解除法的有()。
A:孔径变形法
B:孔壁应变法
C:水压致裂法
D:孔底应变法
在同一介质中两列相干的平面简谐波的强度之比是I
1
/I
2
0=4,则两列波的振幅之比是()。
A:A
1
/A
2
=4
B:A
1
/A
2
=2
C:A
1
/A
2
=16
D:A
1
/A
2
=1/4
单桩载荷试验定测定()。
A:桩侧摩阻力
B:桩底端承力
C:桩侧摩阻力与桩底端承力之和
D:桩侧摩阻力与桩底端承力之差
水泥胶砂抗折强度试验取三条试件的平均值,如三个值中有超过平均值±()%时应将此值剔除。
A:5
B:10
C:15
D:20
用杂化轨道理论推测下列分子的空间构型,其中为平面三角形的是()。
A:NF
3
B:BF
3
C:AsH
3
D:SbH
3
基坑降水设计时,()
不正确
。
A:降水井宜沿基坑外缘采用封闭式布置
B:回灌井与降水井的距离不宜大于6m
C:降水引起的地面沉降可按分层总和法计算
D:沉降观测基准点应设在降水影响范围之内
图5-4-12所示圆杆,材料为铸铁,两端受力如图,杆的破坏截面有四种答案:()
A:沿纵截面2-2破坏
B:沿螺旋面1-1破坏
C:沿横截面4-4破坏
D:沿螺旋面3-3破坏
以下有关网络管理功能的描述中,错误的是()。
A:配置管理是掌握和控制网络的配置信息
B:故障管理是对网络中的故障进行定位
C:性能管理用于监视和调整工作参数,改善网络性能
D:安全管理是使网络性能维持在较好水平
饱和黏土层的固结应力与前期固结应力()。
A:都是总应力
B:都是有效应力
C:不能确定前期固结应力是否全转化为有效应力
D:不能确定固结应力是否全转化为有效应力
膨胀土中,引起土体胀缩最主要的成分是()
A:长石
B:伊利石
C:蒙脱石
D:高岭石
图所示四种结构,各杆EA相同。在集中力P作用下结构的变形能分别用U
1
、U
2
、U
3
、U
4
表示。下列结论中哪个是正确的?()
A:A
B:B
C:C
D:D
直径为50mm的圆截面上的扭转最大剪应力τ
max
等于70MPa(图5-4-6),则C点处的剪应力τ
c
为:()
A:35MPa
B:38MPa
C:42MPa
D:50MPa
工程上目前应用最普遍的锚杆锚固质量的无损检测方法是()。
A:声波反射法
B:电磁波法
C:测桩仪法
D:锚杆拉拔试验法
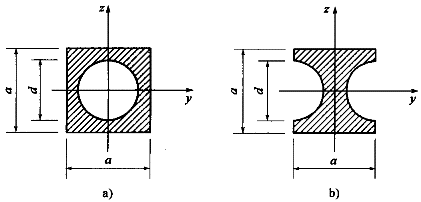
面积相等的两个图形分别如图a)和图b)所示。它们对对称轴y、z轴的惯性矩之间关系为:()
A:A
B:B
C:C
D:D
岩石块体密度试验中的水中称量法测定岩石的块体密度,方法简易,计算成果准确,而且不受试验坏境影响。
现金流量图可以全面、形象、直观地表达经济系统的资金运动状态,它的三要素是()。
A:现金流量的大小,即资金数额
B:方向,即资金流入或流出
C:作用点,即资金发生的时间点
D:资金流出与流入的差值
E:投入资金
下列溶液混合,属于缓冲溶液的是:()
A:A
B:B
C:C
D:D
对某一非恒定流,以下对于流线和迹线的说法正确是:()
A:流线和迹线重合
B:流线越密集,流速越小
C:流线曲线上任意一点的速度矢量都与曲线相切
D:流线可能存在折弯
首页
<上一页
62
63
64
65
66
下一页>
尾页