自考题库
首页
所有科目
自考历年真题
考试分类
关于本站
游客
账号设置
退出登录
注册
登录
出自:安全生产技术基础
水运交通事故的发生与外界条件、技术保障、不良的航行条件、导航失误等因素密切相关、技术故障主要有船舶动力装置和电力系统技术故障、操舵及螺旋桨遥控装置失控、惰性气体系统故障、导航设备故障和()。
A:船舶避让操纵失误
B:航路标志故障
C:航海图资料失效
D:通信设备故障
三相四线制配电系统是()。
A:TI
B:TN—C
C:TN—S
D:TN—C—S
下列关于爆炸特点说法
不正确
的是_。
A:在石化、化工生产过程中,发生的爆炸事故大多是爆炸性气体混合物的爆炸
B:粉尘本身的理化性质(燃烧热、氧化反应速度等)以及粉尘的颗粒大小、粉尘浓度都是粉尘爆炸的影响因素
C:水能抑制粉尘的悬浮性,因而降低了粉尘的爆炸性
D:着火源是蒸气爆炸的必备条件
户内管道位置有哪些要求?
瓦斯喷出和煤(岩)与瓦斯(二氧化碳)突出煤层的掘进通风方式必须采用()。
A:抽出式
B:抽出式或压入式
C:压入式
D:压抽混合式
铁路线间距为区间及站内两相邻线路()。
A:中心线之间的距离
B:内侧钢轨之间的距离
C:外侧钢轨之间的距离
D:内侧钢轨间距与外侧钢轨间距的平均值
触电事故是指从事起重操作和检修作业人员,因触电而导致人身伤亡的事故.按作业场合可以分为()。
A:野外施工作业触电事故
B:施工现场触电事故
C:翻转作业中的触电事故
D:室内作业的触电事故
E:室外作业的触电事故
扣件式脚手架搭设中剪刀撑斜杆与地面的倾角一般宜控制在()度之间。
为什么锅炉灭火时应立即切断燃料?
气体燃烧的火灾为_______类火灾。
A:A
B:B
C:C
D:D
湿土地区开挖时,若为人工降水,降至坑底()深时方可开挖。
A:0.2m以下
B:0.5m以下
C:0.2m以上
D:0.5m~1.0m以下
锅炉压力容器缺陷中最危险的是( )。
A:均匀腐蚀
B:变形
C:裂纹
D:内部沉积污垢
下列有关特殊化学品火灾扑救方式的说法中,正确的是()。
A:扑救气体类火灾时,切忌盲目扑灭火焰,在没有采取堵漏措施的情况下,必须保持。稳定燃烧
B:扑救爆炸物品火灾时,切忌用沙土盖压
C:扑救爆炸物品堆垛火灾时,应采用低压水流或雾状水,水流不宜吊射
D:扑救遇湿易燃物品火灾时,可用泡沫、干粉、二氧化碳等灭火剂扑救
E:扑救易燃液体火灾时,比水轻又不溶于水的液体用直流水、雾状水往往无效,可用普通蛋白泡沫或轻泡沫扑救;水溶性液体最好用抗溶性泡沫扑救
下列关于特殊化学品火灾扑救说法中,
不正确
的是()。
A:扑救爆炸物品堆垛火灾时,水流应采用吊射
B:扑救爆炸类物品火灾时,切忌用沙土盖压
C:扑救液化气体类火灾时,应立即扑灭火焰.
D:扑救毒害品、腐蚀品的火灾时,应尽量使用低压水流或雾状水
“失去燃料跳闸”保护动作的条件如何?
矿井通风的总压力是矿井在井巷某断面具有的_的总和。
A:(静)压能和位能
B:(静)压能和动能
C:(静)压能、位能和动能
D:位能和动能
高温车间的纵轴应与当地夏季主导风向相垂直。当受条件限制时,其角度不得小于()。
A:30°
B:45°
C:50°
D:60°
电磁式过电流脱扣器是过电流状态下瞬时动作的脱扣器,起( )作用?
A:短路保护
B:漏电保护
C:限压保护
D:限流保护
矿井通风的总压力是矿井在井巷某断面具有的()的总和。
A:(静)压能和位能
B:(静)压能和动能
C:(静)压能、位能和动能
D:位能和动能
车辆转向架侧架、摇枕的使用年限不得超过()年。
A:20
B:25
C:30
D:35
下列有关通风的说法错误的是_。
A:对于点式扩散源,可使用局部排风;对于面式扩散源,可使用全面通风
B:局部排风所需风量小,经济有效,并便于净化回收;全面通风所需风量大,不能净化回收
C:采用全面通风时,在厂房设计阶段就需要考虑空气流向等因素
D:全面通风的目的不是消除污染物,而是将污染物分散稀释,所以全面通风不仅适合低毒性作业场所,也适合于污染物量大的作业场所
高处作业时不准往下或往上乱抛材料和工具等杂物
锅炉有哪几种热损失?
道路交通系统的基本要素是指()。
A:人
B:车
C:路
D:政策
E:天气
试述机组负荷对水位的影响。
下列对于苯的理化性质的描述,
不正确
的是_。
A:比水重
B:有强烈芳香味
C:无色透明
D:不溶于水
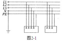
在低压配电及防护系统中,图2-1表示()系统。
A:TT
B:TN-S
C:TN-C—S
D:TN-C
扣件式脚手架,计算出的立杆稳定性不满足要求时调整哪个参数()
A:减小脚手架横向间距
B:减小连墙件间距
C:小脚手架纵向间距
D:减小步距
高温作业分级标准是按照工作地点的()将高温作业分级。
A:WBGT指数
B:高温作业时间
C:人数
D:定向辐射热
一次风旁路管的作用是什么?
首页
<上一页
61
62
63
64
65
下一页>
尾页