自考题库
首页
所有科目
自考历年真题
考试分类
关于本站
游客
账号设置
退出登录
注册
登录
出自:基础考试
槽形截面梁受力如图所示,该梁的变形为下述中哪种变形?()
A:平面弯曲
B:斜弯曲
C:平面弯曲与扭转的组合
D:斜弯曲与扭转的组合
根据公式lgK
=nE
/0.059可以看出,溶液中氧化还原反应的平衡常数
()。
A:与温度无关
B:与浓度无关
C:与浓度有关
D:与反应式书写无关
质量为m,半径为R的均质圆盘,在边缘A点固结一质量为m的质点,当圆盘以角速度w绕O点转动时,系统动量K的大小为()
A:A
B:B
C:C
D:D
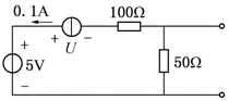
图示电路中,电流源的端电压U等于()V。
A:20
B:10
C:5
D:0
图示的晶体管均为硅管,测量的静态电位如图所示,处于放大状态的晶体管是()。
A:A
B:B
C:C
D:D
某企业拟投资生产一种产品,设计生产能力为15万件/年,单位产品可变成本120元,总固定成本1500万元,达到设计生产能力时,保证企业不亏损的单位产品售价最低为:()
A:150元
B:200元
C:220元
D:250元
影响焊接钢构件疲劳强度的主要因素是:()
A:应力比
B:应力幅
C:计算部位的最大拉应力
D:钢材强度等级
如图所示,当阀门开度变小时,流量将()。
A:增大
B:减小
C:不变
D:不确定
属于防渗墙质量主要检测方法的有()。
A:防渗围井检测法
B:静力触探检测法
C:注水试验检测法
D:测压管检测法
E:同位素示踪法
如果两个偏振片堆叠在一起,且偏振化方向之间夹角呈30°,假设二者对光无吸收,光强为I
0
的自然光垂直入射在偏振片上,则出射光强为:()
A:A
B:B
C:C
D:D
预应力锚索进行张拉时,超张拉载荷是指超过设计载荷的20%时的载荷值。
图示各杆件的E、I、l均相同,在图b)的四个图中,与图a)杆件左端的转动刚度(劲度)系数相同的是:()
A:A
B:B
C:C
D:D
图示刚架,各杆线刚度i相同,则结点A的转角大小为:()
A:A
B:B
C:C
D:D
等截面圆轴上装有四个皮带轮,如何安排合理,现有四种答案:()
A:将C轮与D轮对调
B:将B轮与D轮对调
C:将B轮与C轮对调
D:将B轮与D轮对调,然后再将B轮与C轮对调
要求地形图上能表示实地地物最小长度为0.2m,则宜选择的测图比例尺为:()
A:1/500
B:1/1000
C:1/5000
D:1/2000
下列()选项不宜采用管式孔隙水压力计。
A:观测弱透水层的稳定水位
B:观测排水固结处理地基时的孔隙水压力
C:观测强夯法处理地基时的孔隙水压力
D:作为观测孔观测抽水试验的水位下降
已知梁的弯矩图(图5-6-5),其相应的剪力图为:()
A:A
B:B
C:C
D:D
函数f(x)=cos2x(-∞<x<+∞)展开成x的幂级数为()
A:A
B:B
C:C
D:D
下列物质中只能生成一种一氯取代物的是()。
A:CH
4
B:C
3
H
8
C:CH
3
CH
2
CH
2
CH
3
D:CH
3
CH
2
CH(CH
3
)
2
强夯法的有效加固深度取决于()。
A:夯锤体积
B:夯锤落距
C:夯锤质量
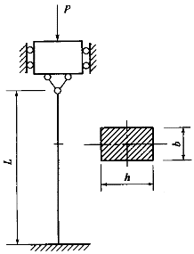
一端固定,一端为球形铰的大柔度压杆,横截面为矩形(如图所示),则该杆临界力P
cr
为:()
A:A
B:B
C:C
D:D
压杆失衡是指压杆在轴向压力的作用下:()
A:局部横截面的面积迅速变化
B:危险截面发生屈服或断裂
C:不能维持平衡状态而突然发生运动
D:不能维持直线平衡而突然变弯
按近代量子力学的观点,核外电子运动特征()。
A:是有波粒二象性
B:可用
2
表示电子在核外出现的概率
C:原子轨道的能量呈连续变化
D:电子运动的轨迹可用
的图表示
质量为2m,半径为R的偏心圆板可绕通过中心O的轴转动,偏心距OC=R/2。在OC连线上的A点固结一质量为m的质点,OA=R如图示。当板以角速度w绕轴O转动时,系统动量K的大小为()。(注:C为圆板的质心)。
A:K=0
B:K=mRw
C:K=3/2mRw
D:K=2mRw
矩形截面挖去一个边长为a的正方形,如图示。该截面对z轴的惯性矩I
z
为()。
A:A
B:B
C:C
D:D
设高温热源的热力学温度是低温热源的热力学温度的n倍,则理想气体在一次卡诺循环中,传给低温热源的热量是从高温热源吸取的热量的多少倍?()
A:n
B:n-1
C:
D:
高压缩性土,其压缩系数a
1-2
应满足的条件是:()
A:0.1MPa≤a
1-2
<0.5MPa
B:a
1-2
<0.1MPa
C:0.1MPa≤a
1-2
<0.3MPa
D:a
1-2
≥0.5MPa
图中相互之间可以列总流伯努利方程的断面是:()
A:1-1断面和2-2断面
B:2-2断面和3-3断面
C:1-1断面和3-3断面
D:3-3断面和4-4断面
一平面简谐波沿x轴正方向传播,振幅A=0.02m,周期T=0.5s,波长λ=100m,原点处质元的初相位φ=0,则波动方程的表达式为:()
A:A
B:B
C:C
D:D
在测试土粒比重时,浮称法和虹吸筒法只适用于不含细粒土的粗粒土。
首页
<上一页
59
60
61
62
63
下一页>
尾页