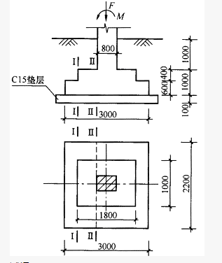
某建筑物阶梯形柱下独立基础,如图所示,柱子截面尺寸为0.8m×0.6m,基础底面尺寸为3m×2.2m,基础上阶截面尺寸为1.8m×1.0m,经计算,相应于作用的基本组合时的地基平均净反力pj=300kPa。基础混凝土采用C20级(fT=1.1N/mm2)。取aS=50mm。

第1题,共2个问题
(单选题)试问:确定变阶处截面Ⅰ-Ⅰ的受剪承载力设计值最接近下列()项。
A:800
B:850
C:900
D:930
第2题,共2个问题
(单选题)确定柱边截面Ⅱ一Ⅱ的受剪承载力设计值最接近下列()项。
A:1200
B:1100
C:1000
D:900