自考题库
首页
所有科目
自考历年真题
考试分类
关于本站
游客
账号设置
退出登录
注册
登录
出自:电气工程公共基础
在GB1094.2-1996中规定,油浸式变压器连续额定容量稳态下的温升限值规定,油不与大气直接接触的变压器,其顶层油温升为()。
A:50K
B:55K
C:60K
D:65K
低压验电笔一般适用于交直流电压为( )v以下
A:220
B:380
C:500
若级数在x=-2处收敛,则此级数在x=5处()。
A:发散
B:条件收敛
C:绝对收敛
D:收敛性不能确定
门电路与RC元件构成的多谐振踌器电路中,随着电容C充电,放电,受控门的输入电压uI随之上升、下降,当uI达到()时,电路状态迅速跃变。
A:Uoff
B:UT
C:UON
D:UOH
发电机的调整特性曲线是指在保持转速、负载功率因数和端电压不变的条件下( )的关系曲线
A:转子电流和转子电压
B:定子电流和定子电压
C:转子电流和定子电流
D:转子电压和定子电压
变压器空载和负载时的损耗是一样的。
一架望远镜筒长40cm,物镜焦距36cm,其放大本领为()。
A:-9
B:9
C:-10
D:8
在微机中,访问最快的存储器是()。
A:硬盘
B:U盘(闪存盘)
C:光盘
D:内存
关于名义利率与实际利率的说法中,错误的是()。
A:计息周期为年时,名义利率等于实际利率
B:名义利率越大,计息周期越短,实际利率与名义利率的差值就越大
C:给定利率12%,按季计息,则实际利率为12.55%
D:名义利率全面地反映了资金的时间价值
直角刚杆OAB在图4-45示瞬时角速度ω=2rad/s,角加速度a=5rad/s2,若OA=40cm,AB=30cm,则B点的速度大小、法向加速度的大小和切向加速度的大小为()。
A:100cm/s,200cm/s2,250cm/s2
B:80cm/s,160cm/s2,200cm/s2
C:60cm/s,120cm/s2,150cm/s2
D:100cm/s,200cm/s2,200cm/s2
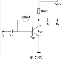
某放大电路如图7-53所示,已知三极管电流放大系数β=50,,静态时等于()V。
A:10.2
B:7.6
C:6.8
D:8.3
设周期信号则()。
A:u1(t)较u2F.更接近u(t)
B:u2(t)较u1(t)更接近u(t)
C:u1(t)与u2(t)接近u(t)的程度相同
D:无法做出三个电压之间的比较
雷电冲击试验时,非被试绕阻应该短路后直接接地。
TTL与非门由()三部分组成。
A:输入级
B:输出级
C:放大级
D:中间级
某人今后10年内每半年存款5000元,已知年利率为10%,按季度复利计息,那么第10年末存款本利和是()元。
A:108000
B:145833
C:152580
D:166381
从业人员发现事故隐患或者其他不安全因素,应当立即向()报告;接到报告的人员应当及时予以处理。
A:现场安全生产管理人员或者本单位负责人
B:安全生产监督管理部门负责人
C:现场监理人员或者安全生产管理人员
D:安全生产管理人员或者应急救援人员
IP地址用前8位表示网络号,用后24位表示主机号,该IP地址属于()。
A:A类
B:B类
C:C类
D:非法的
变压器油的酸价(酸值)随使用时间的增长而()。
A:不变;
B:增高;
C:下降;
D:减小。
建设工程质量管理条例》规定,建设单位、勘察单位、设计单位、施工单位、工程监理单位依法对()负责。
A:建设工程安全
B:建设工程质量
C:建设工程质量监督
D:执行工程建设强制性标准
除建设工程主体部分的勘察、设计外,经(),承包方可以将建设工程其他部分的勘察、设计进行分包。
A:建设行政主管部门批准
B:发包方书面同意
C:监理工程师书面批准
D:发包方或者总监工程师书面同意
入瞳(入射光瞳)
PLD(可编程逻辑器件)属于()电路。
A:非用户定制
B:全用户定制
C:半用户定制
D:自动生成
1×10-10mol·L-1HCl与1×10-10mol·L-1的HAc溶液中H+浓度比较,其结果是()。
A:HCl中的H+浓度远大于HAc中的H+浓度
B:HCl中的H+浓度远小于HAc中的H+浓度
C:两种溶液的H+浓度接近
D:两者无法比较
设L是曲线y=lnx上从点(1,0)到点(e,1)的一段弧,则曲线积分=()。
A:e
B:e-1
C:e+1
D:0
理想二极管的正向电阻为()。
A:零
B:无穷大
C:约几千欧
D:任意值
设A,B是n阶方阵,下列等式成立的是().
A:(A+B)
2
=A
2
+2AB+B
2
B:(A-B)×(A+B)=A
2
-B
2
C:(A+B)×(A-B)=A
2
-B
2
D:(A+B)
2
=A
2
+AB+BA+B
2
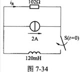
如图7-34所示电路中,换路前处于稳态,换路后i(0)等于()A。
A:-1
B:-2
C:0.2
D:0
静止的液体中,任意一点的压强的大小与下列哪一项无关?()
A:当地重力加速度
B:受压面的方向
C:该点的位置
D:液体的种类
函数
在x=0处().
A:不连续,不可导
B:连续,可导
C:连续,不可导
D:可导,不连续
PC机的“Pentium4/1.8G”或“Celeron/1.7G”中的“Pentium4”和“Celeron”指的()。
A:CPU生产厂家
B:CPU产地
C:CPU的频率代码
D:CPU产品系列名
首页
<上一页
57
58
59
60
61
下一页>
尾页