自考题库
首页
所有科目
自考历年真题
考试分类
关于本站
游客
账号设置
退出登录
注册
登录
出自:基础考试
不均匀系数Cu越小表示土颗粒越均匀,土的级配越好。
图中相互间可以列总流伯努利方程的断面是()。
A:1-1断面和2-2断面
B:2-2断面和3-3断面
C:1-1断面和3-3断面
D:3-3断面和4-4断面
图示为大小都不为零的三个力F
1
、F
2
、F
3
组成的平面汇交力系,其中F
1
和F
3
共线,则这三个力的关系应该:()
A:一定是平衡力系
B:一定不是平衡力系
C:可能是平衡力系
D:不能确定
水通过小孔口出流,孔口直径d=5cm,作用水头H=4m,已知孔口流速系数
=0.98,收缩系数ε=0.62,则孔口流量为()。
A:10.61/s
B:17.41/s
C:10.81/s
D:17.01/s
水利行业规范规定,液限以锥体入土深度为()mm时土的含水率为准。
A:17
B:15
C:12
D:10
当位移量随时间急剧增大时,说明围岩岩体有可能失稳。
下列操作系统中,()不是多用户操作系统。
A:DOS
B:LINUX
C:UNIX
D:WindowsNT
财务评价是工程经济分析的核心内容,其目的在于确保决策的正确性和科学性,下列()是财务评价的方法。
A:确定性评价方法
B:不确定性评价方法
C:静态评价方法
D:动态评价方法
E:定量分析方法
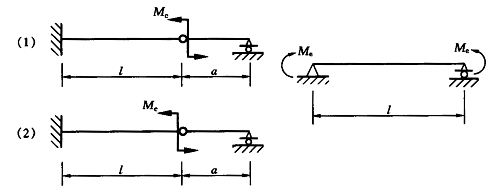
多跨静定梁的两种受载情况(1)和(2)如图所示。下列结论中哪个是正确的?()
A:两者的Fs图相同,M图也相同
B:两者的Fs图相同,M图不同
C:两者的Fs图不同,M图相同
D:两者的Fs图不同,M图也不同
A、B两根圆形输水管,管径相同,雷诺数相同,A管为热水,B管为冷水,则两管流量
的关系为:()
A:A
B:B
C:C
D:D
圆形截面简支梁由A、B套成,A、B层间不计摩擦,材料的弹性模量E
B
=2E
A
。求在外力偶矩M
e
作用下,A、B中最大正应力的比值σ
Amax
/σ
Bmin
有四个答案:()
A:1/6
B:1/4
C:1/8
D:1/10
若三对直角坐标轴的原点均通过正方形的形心C,则下列结论正解的是?()
A:A
B:B
C:C
D:D
实验室测定土渗透性的方法主要有()。
A:常水头法
B:变水头法
C:双环注水法
D:单注水环法
测定岩石点荷载强度时,规则试件的重复数量为()。
A:3~5块
B:5~10块
C:10~15块
D:15~20块
目前国内外应用最为普遍、技术发展最为成熟的地应力测量方法为()。
A:钻孔套心应力解除法
B:孔壁应变法
C:水压致裂法
D:孔底应变法
按连续介质概念,流体质点是:()
A:几何的点
B:流体的分子
C:流体内的固体颗粒
D:几何尺寸在宏观上同流动特征尺度相比是微小量,又含有大量分子的微元体
关于构造柱的作用,哪几种说法是正确的?()Ⅰ.提高砌体房屋的抗剪强度Ⅱ.构造柱对砌体起到约束作用,使其变形能力有较大提高Ⅲ.提高了墙体高厚比限值Ⅳ.大大提高了砌体承受竖向荷载的能力
A:Ⅰ、Ⅱ、Ⅲ
B:Ⅰ、Ⅲ、Ⅳ
C:Ⅰ、Ⅱ、Ⅳ
D:Ⅰ、Ⅲ
利用文丘里管喉部的负压抽取基坑中的积水,如图所示,若喉部流速v
1
=10m/s,出口速度v
2
=1m/s,不计损失,吸水高度h最多为:()
A:4.5mH
2
O
B:6.05mH
2
O
C:5.05mH
2
O
D:5.82mH
2
O
通信线路的带宽是描述通信线路的()。
A:纠错能力
B:物理尺寸
C:互联能力
D:传输能力
固结系数越大,土的固结越()。
A:慢
B:快
C:不变
D:不确定
机械波波动方程为y
0
=0.04cos8π(t+0.02x),则()。
A:其波速为20m·s
-1
B:其振幅为4m
C:波沿x轴负向传播
D:其周期为4s
已知某元素+3价离子的电子排布式为1s
2
2s
2
2p
6
3s
2
3p
6
3d
5
,则该元素在周期表中哪一周期、哪一族?()
A:四,Ⅷ
B:五,VB
C:三,VA
D:六,ⅢB
土的指标中,土粒比重、天然密度、含水量是实测指标,其他指标是换算指标。
建筑物施工速度快、地基排水条件不良时,宜采用()试验测定土的抗剪强度。
A:三轴固结排水剪
B:三轴固结不排水剪
C:直剪快剪
D:三轴不固结不排水剪
三角高程测量是()。
A:一种高程测量的方法
B:能测定两点之间的水平距离和高差
C:一种交会定点的方法
D:主要用于平面三角网控制测量
一个土工合成材料试样的梯形撕裂强度是指该试样在试验过程中测出的最大拉力。
下面哪一种措施无助于减小建筑物的沉降差?()
A:先修高的、重的建筑物,后修矮的、轻的建筑物
B:进行地基处理
C:采用桩基础
D:建筑物建成后在周边均匀地堆土
图5-11-5所示细长中心受压直杆a)、b)、c)、d),四根杆的材料、长度及抗弯刚度均相同。两两对比,它们临界力相互关系为()。
A:A
B:B
C:C
D:D
已知三角形各角的中误差均为±4",若三角形角度闭合差的允许值为中误差的2倍,则三角形角度闭合差的允许值为:()
A:±13.8"
B:±6.9"
C:±5.4"
D:±10.8"
下列各组元素的原子半径从小到大排序错误的是:()
A:Li
B:Al
C:C
D:P
首页
<上一页
56
57
58
59
60
下一页>
尾页