自考题库
首页
所有科目
自考历年真题
考试分类
关于本站
游客
账号设置
退出登录
注册
登录
出自:海船船员证
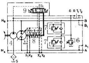
如图:作为先导阀的阀9是()
A:三位四通电磁换向阀
B:三位四通电液换向阀
C:比例电磁换向阀
D:以上说法均错误
() is/are the legal survey institution(s) that stated by PRC.
A:Ship Survey Bureau
B:CCS
C:Maritime Safety Administration
D:all of the above
运行质量的衡量标准是什么?
氟利昂溶入滑油中,会使其:()。
A:黏度增大
B:黏度减小
C:倾点变高
D:与C相反
船用辅锅炉以蒸馏水做给水,其含盐量应低于()mg/L(NaCl)。
A:10
B:30
C:50
D:100
Stop in present position and()pilot.
A:wait
B:waiting
C:wait on
D:wait for
无论是纤维缆绳还是钢丝缆绳,如设它们的破断强度为B,一般情况下,它们的安全强度应取()
A:B/5
B:B/6
C:B/7
D:B/8
构件的持久极限()材料的持久极限,构件的持久极限与材料的性质()。
A:等同;有关
B:不同;有关
C:等同;无关
D:不同;无关
A fire, occurring in the windings, of an overloaded electrical motor, is considered a ().
A:class "A" fire
B:class "B" fire
C:class "C" fire
D:class "D" fire
If reefer spaces are not properly cleaned prior to loading cargo,it will most likely cause().
A:mold to develop on commodities
B:malfunction of the refrigeration equipment
C:contamination of the insulation in the space
D:All of the above
舷弧是表示()。
A:上甲板边线的纵向曲度
B:上甲板中线的纵向曲度
C:上甲板边线的横向曲度
D:上甲板中线的横向曲度
在装油过程中,(),直至装油结束。
A:开始,中间,结束前各取一次
B:开始装油时取一次,后每隔1~2h取一次
C:开始装油时取一次,后每隔2~3h取一次
D:开始装油时取一次,后每隔3~4h取一次
燃油锅炉阀件及附件效用试验的内容应包括()。 a.水位表冲刷效用试验; b.蒸汽压力表准确性校对; c.锅炉自动控制设备效用试验; d.本体上各阀件启闭效用试验; e.喷油器前燃油管路速闭阀效用试验; f.上下排污阀进行排污操作试验。
A:a+f
B:a+b+d+f
C:a+b+d+e+f
D:仅仅是c
渗透探伤不能探测()缺陷和()缺陷。
A:表面开口/内部
B:表面非开口/皮下
C:表面开口/皮下
D:表面非开口/内部
反映活塞环外圆面磨损的指标是()。
A:磨损率
B:天地间隙
C:搭口间隙
D:A+C
在冬季西北太平洋锋面气旋中,一般大浪中心可出现在低压中心()。
A:正南200nmile
B:西南偏南300至600nmile
C:西南100nmile
D:东南偏南200nmile
On cargo booms,preventers are().
A:auxiliary guys
B:extra fair leads
C:steel bands
D:stops
Which of the following statements describes the relationship between viscosity and specific gravity?()
A:Liquids with different viscosities will always have the same specific gravity
B:Liquids with different viscosities will never have the same specific gravity
C:Viscosity and specific gravity are directly proportional
D:Viscosity and specific gravity are not related in that one does not define or limit the other
我国《船舶与海上设施法定检验规则》中规定的横摇周期Tθ与()无关。
A:船宽
B:船舶重心高度
C:初稳性高度
D:漂心距船中距离
()经常发生在冷、暖空气交界的锋面附近,随锋面降水相伴而生,故又称降水雾或雨雾。
A:平流雾
B:锋面雾
C:蒸汽雾
D:辐射雾
我国沿岸流系主要由()组成。
A:辽南沿岸流、辽东沿岸流
B:渤海沿岸流、苏北沿岸流
C:闽、浙沿岸流
D:以上均是
电磁计程仪的传感器目前常用的主要有()。
A:管道式,电磁式
B:动压式,静压式
C:平面式,测杆式
D:磁致式,电致式
航行试验的目的是为了进一步验证动力装置()。 a.修理及安装质量; b.运转稳定性和可靠性; c.测试主机有效功率及经济性指标。
A:a+b
B:b+c
C:a+c
D:a+b+c
为保证油水分离器的正常工作,一般对其设计时应保证()。
A:排油阀打开时,排水阀应开大
B:排油阀打开时,排水阀应关小
C:排油阀打开时,排水阀应关闭
D:排油阀打开时,排水阀无特殊要求
拖轮顶推助操时,哪种带缆方式可以较好的保持拖轮顶推的方向?()
A:单首缆
B:双首缆
C:紧绑
D:三首缆
炉水水处理中的硝酸钠药物的主要作用是()。
A:提高炉水碱度
B:降低炉水硬度
C:吸收炉水中的溶解氧
D:防止苛性脆化
采用PID调节的自动控制系统,为实现比例积分作用,应该()。
A:全关积分阀
B:全开积分阀
C:全关微分阀
D:全开微分阀
单套结的作用是()
A:吊物品
B:舷外作业时作保险绳
C:套系缆桩
D:代替坐板
空气吸收的热量有()化为对外作功量。
A:28.6%
B:50%
C:71.4%
D:100%
绞收缆绳时必须()
A:首尾兼顾,首、尾缆交替绞进
B:先收船首缆绳,在收船尾缆绳
C:先收船尾缆绳,在收船首缆绳
首页
<上一页
573
574
575
576
577
下一页>
尾页