自考题库
首页
所有科目
自考历年真题
考试分类
关于本站
游客
账号设置
退出登录
注册
登录
出自:基础考试
设函数f(x)=x
3
-3x
2
-9x+6,则()。
A:A
B:B
C:C
D:D
图5-5-6矩形截面,C为形心,阴影面积对z
c
轴的静矩为(S
z
)
A
,其余部分面积对z轴的静矩为(S
z
)
B
,(S
z
)
A
与(S
z
)
B
之间的关系有四种答案:()
A:A
B:B
C:C
D:D
土的固结系数越大,则压缩量也越大。
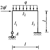
图示结构E=常数,在给定荷载作用下若使A支座反力为零,则各杆截面惯性矩的关系应为:()
A:I
2
=I
3
B:I
2
=4I
3
C:I
2
=2I
3
D:I
3
=4I
2
一束单色光垂直入射于光栅上,在光栅常数a+b为()情况时(a代表每条透光缝的宽度,b代表不透光部分的宽度),k=3、6、9等级次的主极大不会出现?
A:a+b=4a
B:a+b=2a
C:a+b=5a
D:a+6=3a
撕裂强度,是模拟土工织物边缘无裂口时抗撕能力。
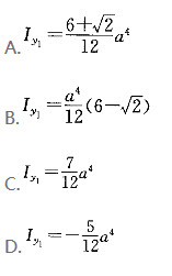
图所示正方形截面对要y
1
轴的惯性矩应为:()
A:A
B:B
C:C
D:D
太沙基单向固结理论是基于()推导的。
A:达西定理
B:渗透定律
C:有效应力原理
D:库仑定律
测量坐标系是以()方向为纵轴正向。
A:东
B:西
C:南
D:北
群桩承载力为()
A:单桩承载力之和
B:大于单桩承载力之和
C:小于单桩承载力之和
D:单桩承载力之和加承台底部应力
土工织物材料的力学性能指标主要包括()
A:垂直渗透系数
B:透水率
C:平面渗透系数
D:导水率
E:梯度比
图示结构,载荷F可在刚性横梁DE上自由移动。杆1和杆2的横截面积均为A,许用应力均为[σ](拉、压相同)。则载荷F的许可值有四种答案:()
A:[σ]A/2
B:2[σ]A/3
C:[σ]A
D:2[σ]A
下述哪几种情况不宜于采用粉体喷搅拌法(干法)来处理?()
A:地基土的天然含水量小于30%
B:地基土的天然含水量大于70%
C:地下水的PH值小于4
D:地下水的PH值大于12
已知图示结构EI=常数,当B点水平位移为零时,P
1
/P
2
应为:()
A:10/3
B:9/2
C:20/3
D:17/2
岩石点荷载强度试验试样尺寸的参考直径是()
A:30mm
B:50mm
C:7cm
D:10cm
在开挖隧道的施工方法中,下列()说法体现了新奥法的技术原则。
A:尽量采用大断面开挖
B:及时进行喷锚初期支护,与围岩形成整体
C:对围岩和支护进行动态监控量测
D:二次衬砌紧跟初期支护施工,阻止围岩和初期支护变形
E:在软弱破碎围岩地段,使支护结构断面及早闭合
若土的内摩擦角
=5°,坡角β与稳定因数N
s
的关系如表所示。
当现场土坡高度h=4.6m,粘聚力c=10kPa,土的重度γ=20kN/m
3
,基坑的极限坡角为:()
A:β=40°
B:β=50°
C:β=30°
D:β=20°
已知柠檬酸的结构简式为:
判断下列说法
不正确
的是()。
A:可使KMnO
4
溶液褪色
B:它可与银氨溶液发生银镜反应
C:它可使溴水褪色
D:它在催化剂的作用下的加氢,最后产物的分子式是C
10
H
20
O
5根弹簧系数均为k的弹簧,串联与并联时的等效弹簧刚度系数分别为:()
A:A
B:B
C:C
D:D
下面关于截面的形心主惯性轴y、z的定义,哪个是正确的?()
A:A
B:B
C:C
D:D
坚硬岩石采用柔性承压板法测试岩体变形,而软弱岩体则采用钢性承压板法测试。
1mol氧气(O
2
)和1mol氦气(He),均视为理想气体,它们分别从同一状态开始作等温膨胀,终态体积相同,则此两种气体在这一膨胀过程中:()
A:对外做功和吸热都相同
B:对外做功和吸热都不相同
C:对外做功相同,但吸热不同
D:对外做功不同,但吸热相同
一变压器原绕组匝数为N
1
,副绕组匝数为N
2
,将负载电阻R接到变压器副绕组,则该负载折算到原绕组的阻值为()。
A:A
B:B
C:C
D:D
图示两种构架中,横杆均视为刚性,各竖杆的横截面和长度均相同,材料均为A3钢。设F和F′分别表示这两种构架的最大许可载荷,对下列结论:
①F>F′;②F<F′;③F值完全取决于杆EF的稳定性;④F′值完全取决于杆C′D′的稳定性。有四种答案: ()
A:①、③对
B:②、④对
C:①、④对
D:②、③对
图示三铰刚架受力F作用,则B处约束力的大小为:()
A:A
B:B
C:C
D:D
自动水准仪是借助安平机构的补偿元件、灵敏元件和阻尼元件的作用,使望远镜十字丝中央交点能自动得到下述中哪种状态下的读数?()
A:视线水平
B:视线倾斜
C:任意
D:B和C
已知BCl
3
分子中,硼以sp
2
杂化轨道成键,则该分子的空间构型是()。
A:正三角形
B:三角锥形
C:正四面体形
D:直线形
配置加劲肋是提高焊接组合梁腹板局部稳定性的有效措施,当
(受压翼缘扭转受到约束)时,可能发生何种情况,相应采取什么措施?()
A:可能发生剪切失稳,应配置横向加劲肋
B:可能发生弯曲失稳,应配置纵向加劲肋
C:剪切失稳与弯曲失稳均可能发生,应同时配置横向加劲肋和纵向加劲肋
D:可能发生剪切失稳,应配置纵向加劲肋
全波整流、滤波电路如图所示,如果输入信号u
i
=10sin(t+30°)V,则开关S闭合前,输出电压u为()V。
A:0
B:7.64
C:10
D:12
下列物质熔点最高的是()。
A:CF
4
B:CCl
4
C:CBr
4
D:CI
4
首页
<上一页
52
53
54
55
56
下一页>
尾页