自考题库
首页
所有科目
自考历年真题
考试分类
关于本站
游客
账号设置
退出登录
注册
登录
出自:变电检修工
电力变压器一般装设的保护种类有()。
A:气体保护
B:纵差保护或电流速断保护
C:复合电压起动的过流保护
D:间隙保护
E:过负荷保护
在220kV带电区域中的非带电设备上检修时,工作人员正常活动范围与带电设备的安全距离应大于()。
A:0.35m
B:0.6m
C:1.5m
D:3.0m
电压互感器正常运行中相当于一个运行()的降压变压器。
A:空载
B:负载
C:降压
D:升压
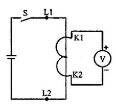
电压互感器用直流法测极性接线图是()。
A:
B:
C:
D:
什么叫实时量测系统的冗余性?
破坏性放电包括()。
A:火花放电
B:击穿
C:局部放电
D:火花放电、击穿、闪络
变压器()线圈的电压比与它们线圈匝数比()。
测量绕组直流电阻的目的是()。
A:保证设备的温升不超过上限;
B:测量绝缘是否受潮;
C:判断接头是否接触良好;
D:判断绝缘是否下降。
在下列()情况下,应停用线路单相重合闸装置。
A:开关分合闸次数达到规定值
B:线路有人带电作业
C:可能造成非同期合闸
与电容器串联的电抗器是起限制()和高次谐波的作用。
CY
3
型操动机构的常见故障有哪些?
SW2-35型断路器总行程超过规定值时,调节缓冲器的垫片厚度即可。
梯阶的距离不应大于(),并在距梯顶()处设限高标志。
A:20cm;1.0m;
B:30cm;1.5m;
C:40cm;1.0m。
GW22-252型隔离开关发生分闸后动触头不复位现象,可能的原因是()。
A:触子弹簧失效
B:平衡弹簧失效
C:回复弹簧失效
在设备的起吊中,常常利用滑轮来提升重物,现提升重物的质量m=100kg,绳索材料的许用应力是[σ]=9.8×106Pa,求这根绳索的直径d应是多少?
无间隙氧化锌避雷器是目前最先进的过电压保护设备之一。在正常运行电压时,氧化锌电阻阀片呈现(),通过它的电流只有微安级。
A:极高的电阻
B:极低的电阻
C:导通
D:断开
怎样进行高温中暑急救?
检查隔离开关合闸接触是否良好,应使用()厚的塞尺插入深度不超过5mm。
A:0.03mm
B:0.05mm
C:0.07mm
在四连杆机构中,当传动连杆与主动连杆成一条直线时,我们称“从动连杆为死点位置”。
隔离开关触指应排列整齐,弹簧勾应处在弹簧勾凸痕处
我国特高压交流电网的标称电压是()千伏。
A:330
B:500
C:750
D:1000
接受和分配电能的电气装置及其相应的回路称为()。
A:二次回路
B:配电装置
C:一次回路
D:输电系统
说明图E-23中电流互感器的接线方式。
如图E-76所示,说出充油式套管结构图中的各元件名称(可只答出20个元件)。
电力电缆主要由导体,(),和()三部分组成。
发电机自同期并列的最大特点是()。
A:不会给系统带来大的冲击
B:不会给发电机带来大的冲击
C:操作简单、过程短
真空灭弧室采用的纵向磁场触头能大大降低电弧电压,有效地限制等离子体,从而极大地提高集聚电流
高压断路器在继电保护作用下动作跳闸后,其位置指示灯()
A:发绿色闪光
B:不亮
C:发平光
20kV系统中性点接地方式有()
A:中性点经低电阻接地
B:中性点不接地
C:中性点直接接地
D:中性点经消弧线圈接地
SF
6
气体的比重是空气的5.1倍,绝缘能力是空气的倍()。
首页
<上一页
49
50
51
52
53
下一页>
尾页