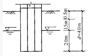
某建筑场地位于冲积平原上,地下水位为3.0m,地表至5m为黏性土,可塑状态,地下水位以上容重为19kN/m3,地下水位以下容重为20kN/m3,5m以下为砂层,黏粒含量4%,稍密状态,标准贯入试验资料如下表,拟采用桩基础,设计地震分组为第一组,8度烈度,设计基本地震加速度0.30g。
根据《建筑抗震设计规范》(GB50011-2010),回答以下问题:
第1题,共4个问题
(单选题)该场地的液化等级为()。
A:轻微液化
B:中等液化
C:严重液化
D:显著液化
第2题,共4个问题
(单选题)确定液化判别的深度范围为()。
A:10m
B:15m
C:20m
D:25m
第3题,共4个问题
(单选题)可能发生液化的点数为()。
A:5
B:6
C:7
D:8
第4题,共4个问题
(单选题)需要采取的抗液化措施有()。
A:减少结构自重
B:适当选择基础埋深
C:部分消除液化沉降
D:全部消除液化沉降