自考题库
首页
所有科目
自考历年真题
考试分类
关于本站
游客
账号设置
退出登录
注册
登录
出自:专业知识
下面程序的运行结果是:I=5J=10K=20M=-10IF(I.GT.M)M=IIF(J.GT.M)M=JIF(K.GT.M)M=KWRITE(*,*)MEND()
A:5
B:10
C:20
D:-10
规范5.1.6条规定,轴心受压构件的剪力按照
计算,那么,对于缀条这样的轴心受压构件,式中的,是不是需要考虑折减,是按照强度还是按照稳定考虑折减?
下列元素的电负性大小顺序中正确的是:()
A:Be>B>Al>Mg
B:B>Al>Be≈Mg
C:B>Be≈Al>Mg
D:B≈Al>Be>Mg
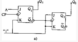
由两个主从型JK触发器组成的逻辑电路,如图a)所示。设Q
1
、Q
2
的初始态是00,已知输入信号A和脉冲信号CP的波形,如图b)所示。当第二个CP脉冲作用后,Q
1
Q
2
将变为()
A:11
B:10
C:01
D:保持00不变
下列几种方法中,哪一种不能测定砌体或砂浆的强度?()
A:回弹法测砂浆的抗压强度
B:推出法测砂浆的抗压强度
C:扁顶法测砂浆的抗压强度
D:原位法测砌体的抗剪强度
以下关于花岗岩与大理石的叙述中,哪一项
不正确
()?
A:在一般情况下,花岗岩的耐磨性优于大理石
B:在一般情况下,花岗岩的耐蚀性优于大理石
C:在一般情况下,花岗岩的耐火性优于大理石
D:在一般情况下,花岗岩的耐久性优于大理石
导致夹水痕的因素有哪些如何改善?
研究结构构件的强度降低率和刚度退化率,可采用下列何种低周反复加载制度?()
A:控制作用力加载法
B:等幅位移加载法
C:控制作用力和位移混合加载法
D:变幅、等幅位移混合加载
已经按框架计算完毕的框架结构,后来再加上一些剪力墙,结构的安全性将会()
A:更加安全
B:不安全
C:框架的下部某些楼层可能不安全
D:框架的顶部楼层可能不安全
简述PEI聚乙醚的的应用范围、工艺条件与特性。
《木结构设计规范》GB50005-2003的4.1.7条,规定了结构重要性系数γ
0
的取值,γ
0
与设计使用年限有关。表4.2.1-5规定了对应于设计使用年限的强度调整系数。我发现,两者是互为倒数的,例如,设计使用年限为25年,γ
0
取0.95,1/0.95=1.05,恰好为设计使用年限25年时的强度调整系数。由于设计时要求γ
0
S≤R,规范在这个地方是不是重复计算了?
在设计时,一般都是对结构构件承载力除以一个大于1的系数进行折减,而抗震验算时却除以一个小于1的系数(γ
RE
≤1.0)进行增大,为什么?
简述合模时的工艺过程?
如图所示水泵吸水系统,水箱与水池液面高差z=30m,断面1-1到2-2的总水头损失h
w
=3mH
2
O,则水泵的扬程H至少应为()
A:30mH
2
O
B:33mH
2
O
C:29mH
2
O
D:40mH
2
O
对于给定条件下的反应,随反应进行应:()
A:正反应速率降低
B:速率常数变小
C:平衡常数变大
D:逆反应速率降低
对于螺纹结构,模具上面齿轮应该用什么材料?钨钢料行不?
图示结构的超静定次数为()
A:5
B:6
C:7
D:8
下列含氧酸中酸性最弱的是()
A:HClO
3
B:HBrO
3
C:H
2
SeO
4
D:H
2
CO
3
电路如图所示,当t=0时开关闭合,闭合前电路已处于稳态,电流I(t)在t≥0以后的变化规律是()
A:4.5-0.5
A.
B:B.4.5-4.5
C:C.3+0.5
D:D.4.5-0.5
撤销要约时,撤销要约的通知应当在受要约人发出承诺通知多长时间达受要约人()?
A:之前
B:当日
C:后五日
D:后十日
工程勘察设计单位超越其资质等级许可的范围承揽建设工程勘察设计业务的,将责令停止违法行为,处合同约定的勘察费、设计费多少倍的罚款?()
A:1倍以下
B:1倍以上,2倍以下
C:2倍以上,5倍以下
D:5倍以上,10倍以下
建设项目的防治污染设施没有建成或者没有达到国家规定的要求就投入生产或者使用的,应如何处理()?
A:应责令停止生产或者使用,可以并处罚款
B:交够罚款后才能使用
C:经有关部门批准交付一定的排污费才可使用
D:上级批准后才能使用
BOM表及模具材料清单如何编制?
你认为产品从设计到出货这些过程当中哪个环节最重要?
均质圆盘作定轴转动,其中图a)、图c)的转动角速度为常数(ω=C),而图b)、图d)的角速度不为常数(ω≠C),则下列哪个图示的惯性力系简化的结果为平衡力系?()
A:图A.
B:图B.
C:图C.
D:图D.
《砌体规范》表10.1.5中,第2项"两端均设构造柱的剪力墙"取γ
RE
=0.9,第3项"组合砖墙"取γ
RE
=0.85,这两种墙应如何区分?
手机模里的斜顶只有2-3MM,你有什么方式让它变得更强更耐用?手模前模有倒钩你打算做什么样的结构?
设计金属外壳时,应注意什么?通常有那几种材料?
电路如图所示,二极管为理想元件,已知u
2
=100sin314t(V),R
L
=90Ω(设电流表的内阻视为零,电压表的内阻视为无穷大)。交流电压表(V
1
)、直流电流表(A
2
)和直流电压表(V
2
)的读数分别是()
A:100V,1A,45V
B:100V,1A,90V
C:100V,1.1A,100V
D:141V,1A,90V
当受拉钢筋刚达到屈服时,适筋梁状态是()
A:达到极限承载能力
B:受压边缘混凝土的压应变ε
c
=ε
u
(ε
u
为混凝土的极限压应变)
C:受压边缘混凝土的压应变ε
c
≤ε
u
D:受压边缘混凝土的压应变ε
c
=0.002
首页
<上一页
3
4
5
6
7
下一页>
尾页