自考题库
首页
所有科目
自考历年真题
考试分类
关于本站
游客
账号设置
退出登录
注册
登录
出自:电气工程师发输变电
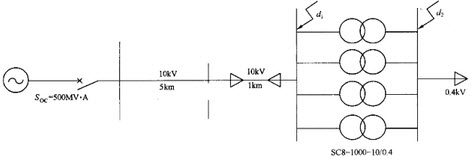
某供电系统如下图所示。试求工厂变电所高压10kV母线上和低压380V母线上发生短路的三相短路电流。
在游泳池的水池内只允许用标称电压不超过()的安全超低压供电。
A:6V
B:12V
C:24V
D:36V
泵或通风机系统选用何种类型的调节方式,主要决定于()因素。
A:工作流量的变化规律
B:调节装置价格的高低
C:泵或风机容量的大小
D:管路性能曲线的静扬程(静压)所占全扬程(全压)的比例
设如题13图所示,试求系统在最小运行方式下各短路点的三相短路电流。
开关柜(屏)、控制保护屏、通信设备等,应采用()的固定方式。
A:螺栓
B:焊接
C:螺栓或焊接
D:简单连接
供电系统如下图所示,求各部分电抗标幺值。(变压器型号为S7-3200-35/6,Ud%=7%)
某房间为6×12m2,装有6盏150w白炽灯,每只光通量为2090lm,利用系数KL=0.43,减光系数Kj=0.75,悬挂高度为H=3.5m,工作面高度为0.8m,试计算水平工作面上的平均照度。
照明配电系统中三相配电干线的各相负荷宜分配平衡,最小相负荷不宜小于其()。
A:105%
B:95%
C:85%
D:75%
医院的()等场所不应设置紫外线杀菌灯。
A:候诊室、传染病院的诊室
B:厕所、呼吸科、血库
C:穿刺、妇科冲洗、手术室
D:候诊大厅、走道等人流密集处
有关接于公共连接点的每个用户引起该点正常电压不平衡度允许值的规定,以下叙述()是正确的。
A:允许值一般为1.3%
B:根据连接点的负荷状况可作适当变动,但允许值不超过1.5%
C:根据连接点的负荷状况可作适当变动,但必须满足允许值为2%,短时不得超过4%的规定
D:允许值不得超过1.3%
民用建筑里的自备柴油发电机房所配备的日用油箱间,应归类于()。
A:爆炸性气体环境2区
B:爆炸性粉尘环境11区
C:火灾危险环境21区
D:火灾危险环境22区
某能源中心建设面积为250m
2
主计算机房,间计算机房内磁场干扰环境场强不应大于()。
A:700A/m
B:800A/m
C:900A/m
D:950A/m
体育建筑照明质量标准值有彩电转播GR值为()。
A:80
B:65
C:50
D:40
一般称相关色温在()区间的光色为暖色。
A:<3300
B:3300~4300
C:4300~5300
D:>5300
建筑物电气装置的接地配置的一般要求为()。
A:根据电气装置的要求,接地配置可以兼有或分别地承担防护和功能两种功能
B:用于输送可燃液体或气体的金属管道,不应用作接地极
C:如若装置本身有接地极,则应将该接地极用一接地导体连接到总接地端子上
D:应当考虑到高压系统与低压系统共用接地配置时的情况
根据工程建设标准强制性条文,油浸电力变压器、充有可燃油的高压电容器和多油开关等用房受条件限制必须布置在民用建筑物内时,不应布置在()。
A:上部人员稀少的地下室一层靠外墙部位
B:人员密集场所的上一层
C:首层
D:贴邻人员密集场所
在一个电网中性点不接地的系统内,有一组三相母线水平排列,在远离发电机端发生短路时,下列说法()是正确的。
A:母线的动稳定要用三相短路电流来校验
B:三相母线的边相受力最大
C:三相母线的受力相同
D:三相母线的中间相受力最大
将导电部分间用导体直接连通,使其电位相等或接近,称为()。
A:总等电位联结
B:局部等电位联结
C:等电位联结
D:辅助等电位联结
住宅建筑厨房照度标准应为()lx。
A:10、30、50
B:10、20、30
C:20、30、50
D:20、50、100
每一照明单相分支回路所接光源数不宜超过()个。
A:20
B:25
C:30
D:50
某远离发电厂的终端变电所设有一台110/38.5/10.5kV,20000kVA主变压器。已知电源S为无穷大系统,变压器的
。 计算主变器10.5kV回路的持续工作电流应为下列哪项数值()?
A:1101A
B:1155A
C:1431A
D:1651A
某厅堂高2.5m,装设4个嵌入式筒灯,尺寸及布灯如图13-1;维护系数0.8,灯具的光强分布表(以光源光通为10001m的数据)如表。
注按接近的θ角查表,取相应的I0值。 同第1小题,但光源为100W白炽灯,光通量为12101m,求P点地面水平照度为()。
A:79lx
B:87lx
C:96lx
D:106lx
变电所电气装置的接地装置中接地网内应敷设水平均压带,接地网的埋设深度不宜小于()m。
A:0.3
B:0.5
C:0.6
D:0.7
某300MW火力发电厂,厂用电引自发电机,厂用变主变为Dynllynll,容量40/25-25MVA,厂用电压为6.3kV,主变低压侧与6kV开关柜用电缆相连,电缆放在架空桥架上。校正系数K1=0.8,环境温度为40℃,6kV最大三相短路电流为38kA,电缆芯热稳定系数C为150。
第1题,共8个问题
(单选题)380V低压接地保护动作时间为1min,求电缆导体与绝缘层或金属层之间的额定电压为()。
A:380V
B:379V
C:291V
D:219V
第2题,共8个问题
(单选题)6kV中性点经电阻接地,若单相接地电流为100A,此电阻值为()。
A:4.64Ω
B:29.70Ω
C:36.38Ω
D:63Ω
第3题,共8个问题
(单选题)6kV断路器额定开断电流为40kA,短路电流为38kA,其中直流分量为60%,求此断路器开断直流分量的能力()。
A:22.5kA
B:24kA
C:32kA
D:34kA
第4题,共8个问题
(单选题)变压器到开关柜的电缆放置在架空桥架中,允许工作电流为6kA的电力电缆,最合理最经济的为()。
A:YJV-6/67根3×185mm2
B:YJV-6/610根3×120mm2
C:YJV-6/618根1×185mm2
D:YJV-6/624根1×150mm2
第5题,共8个问题
(单选题)若电动机容量为1800kW,电缆长50m,短路持续时间为0.25s,电动机短路热效应按Q=I2t计算,电动机的功率因数和效率乘积ηcosφ为0.8。则选取电缆的型号为()。
A:YJV-6/63×95mm2
B:YJV-6/63×120mm2
C:YJV-6/63×150mm2
D:YJV-6/63×180mm2
第6题,共8个问题
(单选题)假设电缆的热稳定系数为86,按短路热稳定条件,计算本工程电缆允许的最小截面最接近下列哪项数值()?
A:173mm2
B:164mm2
C:156mm2
D:141mm2
第7题,共8个问题
(单选题)已知电缆护层的冲击耐压值为37.5kV,则电缆保护器通过最大电流时的最大残压应取下列哪项数值?()并说明理由。
A:64kV
B:37.5kV
C:24kV
D:26.8kV
第8题,共8个问题
(单选题)电缆终端的设计取决于所要求的工频和冲击耐受电压值、大气污染程度和电缆终端所处的海拔。假设本工程电缆终端安装处海拔为2000m,则电缆终端外绝缘雷电冲击试验电压最低应为下列何值?()并说明原因。
A:325kV
B:450kV
C:480kV
D:495kV
某地区拟建一座500kV变电站,站地位于Ⅲ级污秽区,海拔高度不超过1000m,年最高温度为40℃,年最低温度为-25℃。变电站的500kV侧,220kV侧各自与系统相连。3kV侧接无功补偿装置。该站远景规模为:主变压器4×750MVA,500kV出线6回,220kV出线14回,500kV电抗器两组,35kV电容器组8×60Mvar,35kV电抗器8×60Mvar。本期建设规模为:主变压器2×750MVA,500kV出线2回,220kV出线6回,每组主变压器各接35kV电容器组2×60Mvar,35kV电抗器2×60Mvar。主变选用3×250MVA单相自耦无励磁电压变压器。电压比:,容量比:250MVA/250MVA/66.7MVA接线组别:YNa0dll。
第1题,共1个问题
(单选题)如该变电站本期35kV母线的规矩容量1800MVA,每1435kV电容器串联电抗器的电抗率为4.5%,为了在投切电容器组时不发生3次谐波谐振则下列哪组容量不应选用()?(列式计算)
A:119Mvar
B:65.9Mvar
C:31.5Mvar
D:7.89Mvar
有一台发电机300MW,通过容量为360MVA额定电压242/20kV升压变,二回220kV2×LGJ-400/100km与系统连接,正常运行时变压器中性点直接接地。
第1题,共5个问题
(单选题)220kV架空线路2×LGJ-400导线及良导体避雷线,单长100km,电抗有名制0.297Ω/km,UB=230kV,SB=100MW。二回路的正序、零序电抗的标幺值为()。
A:0.056/0.168
B:0.056/0.0187
C:0.0181/0.0843
D:0.0281/0.0094
第2题,共5个问题
(单选题)360MVA变压器UD%=14%基准电压UB=230kV,SB=100MW,其正序、零序标幺值为()
A:0.0431/0.0431
B:0.0389/0.0389
C:0.0431/0.1293
D:0.0389/0.1167
第3题,共5个问题
(单选题)60MVA变压器UD%=14%基准电压UB=230kV,SB=100MW,其正序、零序标幺值为()
A:0.0431/0.0431
B:0.0389/0.0389
C:0.0431/0.1293
D:0.0389/0.1167
第4题,共5个问题
(单选题)下列哪种在故障下保护开关正确动作,为保持系统稳定运行,可以采取切荷()?
A:300MW发电机跳闸
B:一回220kV线路无故障断开不重合
C:一回220kV线路三相故障断开不重合
D:220kV母线单相接地故障
第5题,共5个问题
(单选题)在做规划设计阶段,潮流计算哪些参数()?
A:发电机的Xd,发电机出力,变压器正、负序电抗(X1、X2),线路正序零序阻抗分别为(R1+jX1)和(R0+jX0),负荷(P+jQ)。
B:发电机出力,变压器正序电抗(X1),线路正序阻抗(R1+jX1),负荷(P+iQ)。
C:发电机出力,变压器正序零序阻抗(X1、X0),线路正序零序阻抗(R1+jX1)和(R0+jX0),负荷[]。
D:发电机的同步电抗Xd:发电机出力,变压器正序电抗(X1),线路正序阻抗(R1+jX1),负荷(P+jQ)。
变电所内,不同用途和不同电压的电气装置、设施,应使用一个总的接地装置,其电阻值应()。
A:符合其中最小值的要求
B:小于10Ω
C:小于4Ω
D:小于1Ω
高压供电系统计算三相短路电流时,一般高压电缆每千米电抗取()。
A:0.1Ω
B:0.2Ω
C:0.06Ω
D:0.08Ω
从宏观上确定照度水平,应考虑的主要因素有()。
A:视觉工效,即人们进行工作、生产的效能
B:视觉满意程度
C:国家的经济水平
D:能源供应状态
爆炸性粉尘环境10区、11区内电缆线路()有中间接头。
A:不宜
B:不应
C:不能
D:严禁
首页
<上一页
47
48
49
50
51
下一页>
尾页