自考题库
首页
所有科目
自考历年真题
考试分类
关于本站
游客
账号设置
退出登录
注册
登录
出自:基础考试
一束波长为λ的单色光分别在空气中和玻璃中传播,则在相同的传播时间内:()
A:传播的路程相等,走过的光程相等
B:传播的路程相等,走过的光程不相等
C:传播的路程不相等,走过的光程相等
D:传播的路程不相等,走过的光程不相等
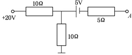
如图所示电路中,A点的电位是()V。
A:5
B:10
C:15
D:25
《建筑地基基础设计规范》中根据液性指数的大小划分黏性土的状态有()
A:坚硬
B:硬塑
C:可塑
D:软塑
E:流塑
如图所示构件上a点处,原始单元体的应力状态应为下列何图所示?()
A:图B
B:图C
C:图D
D:图E
记极限
,
,则()
A:A>B
B:A<B
C:A=B
D:A、B中至少有一个不存在
点(1,2,1)到平面x+2y+2z-10=0的距离为()
A:-1
B:1
C:2
D:3
图示结构中AC杆的温度升高t℃,则杆AC与BC间的夹角变化是:()
A:增大
B:减小
C:不变
D:不定
理想液体与实际液体的主要差别在于:()
A:密度
B:粘性
C:压缩性
D:表面张力
建筑用砂的空隙率应小于()%。
A:45
B:46
C:47
D:42
(Mg(OH)
2
)=5.6×10
-12
,则Mg(OH)
2
在0.01mol·L
-1
NaOH溶液中的溶解度为()。
A:5.6×10
-9
B:5.6×10
-10
C:5.6×10
-8
D:5.6×10
-5
在标准灌入试验室,先垂直打入的15cm不计锤击数。然后,继续灌入土中()cm并记录其锤击数,此击数即为标准灌入击数N。
A:15
B:30
C:45
D:60
下列水溶液,渗透压最高的是()。
A:A
B:B
C:C
D:D
矩形截面纯弯梁(图5-7-19),材料的抗拉弹性模量E
t
大于材料的抗压弹性模量E
e
,则正应力在截面上的分布图有以下四种答案:()
A:A
B:B
C:C
D:D
地基土的破坏的形式有()
A:压密破坏
B:整体剪切破坏
C:局部剪切破坏
D:冲剪破坏
单元体的应力状态如图所示,其σ1的方向:()
A:在第一、三象限内,且与x轴成小于45°的夹角
B:在第一、三象限内,且与y轴成小于45°的夹角
C:在第二、四象限内,且与x轴成小于45°的夹角
D:在第二、四象限内,且与y轴成小于45°的夹角
光学经纬仪有DJ
1
、DJ
2
、DJ
6
等多种型号,数字下标1、2、6表示的是以下哪种测量中误差的值(以秒计)?()
A:水平角测量一测回角度
B:竖直方向测量一测回方向
C:竖直角测量一测回角度
D:水平方向测量一测回方向
液限是指()的界限含水率。
A:可塑状态与半固态之间
B:半固态与固态之间
C:流动状态与可塑状态之间
D:含水量减小而土体积开始不变时
如图所示,圆轴的扭矩图为:()
A:A
B:B
C:C
D:D
催化剂可加快反应速率的原因。下列叙述正确的是:()
A:降低了反应的
B:降低了反应的
C:降低了反应的活化能
D:使反应的平衡常数
减小
竖直角测量时,须将竖盘指标水准管气泡居中,其目的是()。
A:使竖盘竖直
B:使竖盘指标差为零
C:使横轴水平
D:使竖盘读数指标处于正确位置
平衡反应2NO(g)+O
2
(g)
2NO(g)△H<0使平衡向右移动的条件是下列中的哪一项?()
A:升高温度和增加压力
B:降低温度和压力
C:降低温度和增加压力
D:升高温度和降低压力
岩石的自然吸水率大,表明岩石的()。
A:裂隙发育程度大
B:张开型孔隙多
C:孔隙连通性好
D:岩石力学性能差
横截面面积为A的等直杆,承受轴向载荷(图5-2-7)其绝对值最大的正应力σ
max
为:()
A:A
B:B
C:C
D:D
下列关于化学反应速率常数K的说法正确的是()。
A:K值较大的反应,其反应速率在任何条件下都大
B:通常一个反应的温度越高,其K值越大
C:一个反应的K值大小与反应物的性质无关
D:通常一个反应的浓度越大,其K值越大
两个性质相同的土样,用变形模量E
0
计算的最终沉降量S
1
和用压缩模量E
s
计算的最终沉降量S
2
之间存在的大小关系是:()
A:S
1
>S
2
B:S
1
=S
2
C:S
1
D:S
1
≥S
2
若压杆在两个方向上的约束情况不同,且μ
y
>μ
z
。那么该压杆的合理截面应满足的条件有四种答案:()
A:I
y
=I
z
B:I
y
<I
z
C:I
y
>I
z
D:λ
z
=λ
y
液体中某点的绝对压强为100kN/m
2
,则该点的相对压强为:()(注:当地大气压强为1个工程大气压)
A:1kN/m
2
B:2kN/m
2
C:5kN/m
2
D:10kN/m
2
我国规范度量结构构件可靠度的方法是下列中哪一种?()
A:用可靠性指标β,不计失效概率P
f
B:用荷载、材料的分项系数及结构的重要性系数,不计P
f
C:用β表示P
f
,并在形式上采用分项系数和结构构件的重要性系数
D:用荷载及材料的分项系数,不计P
f
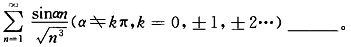
级数
( )
A:绝对收敛
B:发散
C:条件收敛
D:敛散性与常数a有关
进行往返路线水准测量时,从
理论上说之间应具备的关系是( )
A:符号相反,绝对值不等
B:符号相同,绝对值相同
C:符号相反,绝对值相等
D:符号相同,绝对值不等
首页
<上一页
46
47
48
49
50
下一页>
尾页