自考题库
首页
所有科目
自考历年真题
考试分类
关于本站
游客
账号设置
退出登录
注册
登录
出自:计算机科学
综合布线系统中,与电缆的衰减直接相关的因素包括()。
A:品牌
B:长度
C:直径
D:温度
E:频率
设栈S和队列Q的初始状态为空,元素a.b.c.d.e.f依次通过栈S,一个元素出栈后即进入队列Q。若这6个元素出队列的顺序是bdcfea.则栈S的容量至少应是()。
简述延迟分支“从目标处调度”方法的调度要求和作用前提。
杀毒软件的病毒特征库汇集了已出现的所有病毒的特征,因此可以查杀所有病毒,有效保护信息。
你是一个楼宇信息化项目的负责人,下周你要向管理层显示可视的质量控制对过程的影响。完成它最好的工具是?()
A:Pareto图
B:柱状图
C:流程图
D:控制图
分区魔术师PM可以建立硬盘分区,也可以删除、调整、合并已有分区。
Stdout System.out作为()的实例,来实现stdout,它代表的是()
完成下列十六进制数的运算,并转换为十进制数进行校核7AB×6F。
下列选项中为单精度数的是()
A:2
B:5.8
C:0.2f
D:023
试用8051串行口扩充I/O口,控制16个发光二极管,画出电路并编写显示程序。
在Word中,图片只能从系统自带的剪辑库中获取。
在FLASH,移动对象的副本和限制对象移动的角度(以45度为单位)分别按什么键()
A:Alt和Shift
B:Ctrl和Alt
C:Alt和Ctrl
D:Shift和Ctrl
在HTML页面中包含一个按钮控件mybutton,如果要实现点击该按钮时调用已定义的Javascript函数compute,要编写的HTML代码是()。
A:〈input name=“mybutton” type=“button” onBlur=“compute()” value=“计算”〉
B:〈input name=“mybutton” type=“button” onFocus=“compute()” value=“计算”〉
C:〈input name=“mybutton” type=“button” onClick=“functioncompute()” value=“计算”〉
D:〈input name=“mybutton” type=“button” onClick=“compute()” value=“计算”〉
在Word 2003中,打印预览状态下,正确的是()。
A:此时能显示出标尺
B:此时能改变显示比例
C:此时能调整页边距
D:可以进行多页预览
E:此时能进行文字处理
BootLoader的主要作用是()
A:机器启动时引导操作系统
B:操作系统实现对硬件操作的抽象,使操作系统的代码与硬件无关
C:为操作系统屏蔽各种外设的细节差异,为操作硬件提供了统一的软件接口
D:统一管理硬件资源,把硬件的诸多功能进行抽象,以服务的形式提供给应用程序
关于MP3文件,下列叙述
不正确
的是()。
A:是一种在网络上非常流行的音频文件
B:MP3文件格式是一种压缩格式文件
C:MP3文件声音质量非常好,甚至可以和CD质量相媲美
D:MP3文件可以通过WindowsXP自带的"录音机"程序生成
Open-Close原则的含义是一个软件实体()。
A:应当对扩展开放,对修改关闭
B:应当对修改开放,对扩展关闭
C:应当对继承开放,对修改关闭
D:以上都不对
如果一个类包含一个或多个纯虚函数,则该类为()。
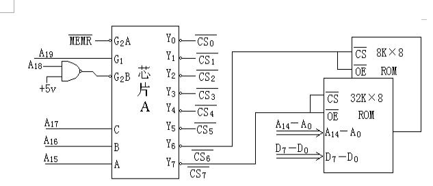
参看下面的基本ROM图,并回答问题? (1)芯片A是什么?说明芯片A的作用?列举出你知道的起该作用的芯片? (2)分配给32K×8ROM芯片的地址为多少? (3)分配给8K×8ROM芯片的地址为多少?
根据下图完成题目:
Store元素的需口(required interface)是什么?
电话、电视等的发明和应用处于信息技术发展历程中的()
A:第二次发展阶段
B:第三次发展阶段
C:第四次发展阶段
D:第五次发展阶段
下图中箭头所指的图形在WORD2000中是如何实现的?()
A:插入"剪贴画"
B:插入"艺术字"
C:插入"图文框"
D:单击[绘图]中的"自选图型",再进行编辑
下面描述属于分层系统的优点的是()
A:支持基于抽象程度递增的系统设计,使设计者可以把一个复杂系统按递增的步骤进行分解
B:支持功能增强,因为每一层至多和相邻的上下层交互,因此功能的改变最多影响相邻的上下层
C:支持重用
D:不支持重用
主板有什么作用及主板故障的一般处理方法有哪些?
如果不能很好的控制线程的运行和停止,容易引起死锁。下列()方法是安全的线程停止方法。
A:stop()
B:suspend()
C:interrupt()
D:轮询循环
重复执行上一次的滤镜操作使用()
A:Ctrl+F
B:Shift+D
C:TAB+C
D:Alt+T
流水线中可能出现的三种相关是什么?各自的定义?
Authorware的导航图标用于控制程序流程的()。
DefWindowProc( )函数的功能什么?
防病毒程序可以()。
A:防患所有计算机病毒的入侵
B:检查和清除所有已知的计算机病毒
C:检查和清除大部分已知的计算机病毒
D:修复所有被计算机病毒破坏的数据
首页
<上一页
449
450
451
452
453
下一页>
尾页