自考题库
首页
所有科目
自考历年真题
考试分类
关于本站
游客
账号设置
退出登录
注册
登录
出自:基础考试
已知土的3/17mKN、3/2.27mKNs、%10w,则孔隙比为()
A:0.66
B:0.76
C:0.86
D:0.96
建设项目评价中的总投资包括:()
A:建设投资和流动资金
B:建设投资和建设期利息
C:建设投资、建设期利息和流动资金
D:固定资产投资和流动资产投资
按《岩土程勘察规范》(GB50021-2001)计算滑坡推力,其作用点取以下()位置是正确的。
A:滑体厚度1/2处
B:滑体厚度1/3处
C:滑动带处
D:滑体顶面处
一平面简谐波的波动方程为y=0.1cos(3πt-πx+-π)(SI),t=0时的波形曲线如图所示,则下列叙述中哪个正确?()
A:O点的振幅为-0.1m
B:频率γ=3Hz
C:波长为2m
D:波速为9m/s
单元体受力后,变形如图5-3-11虚线所示,则剪应变γ为:()
A:α
B:2α
C:π/2-2α
D:π/2+2α
对一维渐变渗流,完全潜水井的含水层厚度H为8m,井的半径r
0
为0.2m,抽水对井的涌水量Q为0.03m
3
/s,井中水深h为5m,若取影响半径R=400m,计算渗流系数k为:()
A:0.0025m/s
B:0.0018m/s
C:0.018m/s
D:0.025m/s
建筑物室内地坪上±0的标高为16.010m,用P点进行测设,H=17.350m,当P点水准尺的读数为1.146m时,则在±0处上水准尺的读数为()。
A:2.486m
B:1.486m
C:0.194m
D:1.194m
最大孔隙比的测定方法有()。
A:量筒到转发
B:震动锤击法
C:漏斗法
与二进制数101.01011等值的十六进制数是()。
A:5.48
B:5.51
C:5.53
D:5.58
下列方程中为齐次方程的是()
A:A
B:B
C:C
D:D
目前一般计算机系统的工作原理是()。
A:程序设计
B:二进制
C:存储程序和程序控制
D:结构化
图5-11-10所示结构中所有梁、(杆)完全相同,在图示四种加载条件下,水平杆的稳定工作安全系数n
w
a),nn
w
b),nn
w
c),nn
w
d)之间的关系为:()
A:A
B:B
C:C
D:D
各物质浓度均为0.10mol·dm
-3
的下列水溶液中,其pH值最小的是()。
A:NH
4
Cl
B:NH
3
C:CH
3
COOH
D:CH
3
COOH+CH
3
COONa
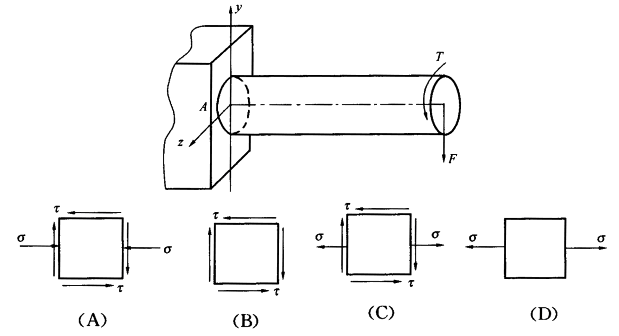
图示圆轴,固定端外圆上y=0点(图中A点)的单元体的应力状态是:()
A:A
B:B
C:C
D:D
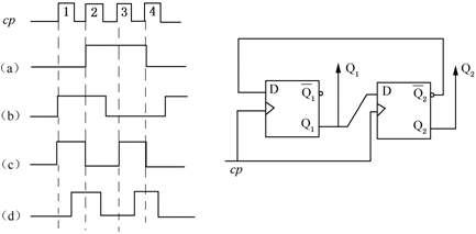
由两个D触发器组成的电路如图所示。设Q1Q2的初始态是00,已知cp的脉冲波形,Q2的波形是()。
A:图A
B:图B
C:图C
D:图D
图示结构两个状态中的反力互等,r
12
=r
21
,r
12
和r
21
的量纲为:()
A:力
B:无量纲
C:力/长度
D:力×长度
某公司准备建立一项为期10年的奖励基金,用于奖励有突出贡献的员工,每年计划颁发100000元奖金,从第1年开始至第10年正好用完账户中的所有款项,若利率为6%,则第1年初存入的奖励基金应为:()
A:1318079元
B:1243471元
C:780169元
D:736009元
轴心受拉构件按强度计算的极限状态是()。
A:净截面的平均应力达到钢材的抗拉强度f
u
B:毛截面的平均应力达到钢材的抗拉强度f
u
C:净截面的平均应力达到钢材的抗拉强度f
u
D:毛截面的平均应力达到钢材的抗拉强度f
u
下列物质中,只需克服色散力就能沸腾的是()。
A:H
2
O(l)
B:Br
2
(l)
C:CHCl
3
(l)
D:NH
3
(l)
现场测试土的密度的方法包括()。
A:环刀法
B:灌砂法
C:蜡封法
D:比重法
在一容器中,反应2NO
2
(g)
2NO(g)+O
2
(g),恒温条件下达到平衡后,加一定量Ar气体保持总压力不变,平衡将会:()
A:向正方向移动
B:向逆方向移动
C:没有变化
D:不能判断
不计阻尼,不计杆重时,图示体系的自振频率为:()
A:A
B:B
C:C
D:D
如图所示悬臂梁,其正确的弯矩图应是:()
A:图A
B:图B
C:图C
D:图D
图示结构中,a杆的内力为:()
A:P
B:-3P
C:2P
D:0
轻微扰动土样可以进行()试验。
A:土样定名
B:含水率
C:密度
D:强度
E:固结试验
图示中心受压杆a)、b)、c)、d)。其材料、长度及抗弯刚度均相同。两两对比,临界力相互关系有四种答案:()
A:A
B:B
C:C
D:D
可以用做沥青微填料的物质是()
A:炭黑
B:高钙粉煤灰
C:火山灰
D:页岩粉
载荷试验时,基准梁应固定在其支持桩上。
将0.1mol·L
-1
HAC溶液加水稀释1倍,其H
+
浓度和pH值变化趋势为()。
A:原来的1/2倍和增大
B:原来的1/2倍和减小
C:减小和增大
D:增大和减小
图示为三角形单元体,已知ab、ca两斜面上的正应力为σ,剪应力为零。在竖正面bc上有:()
A:A
B:B
C:C
D:D
首页
<上一页
39
40
41
42
43
下一页>
尾页