自考题库
首页
所有科目
自考历年真题
考试分类
关于本站
游客
账号设置
退出登录
注册
登录
出自:计算机科学
举出两点以上Javascript和Java语言的不同之处。
在资源管理器的左窗格中,如果某个文件夹图标的左面有一个矩形框,那么,单击其中的减号,便可以()。
A:隐藏此文件夹下的全部文件夹
B:隐藏此文件夹下的全部文件和文件夹
C:选中此文件夹并隐藏此文件夹下的全部文件夹
D:选中此文件夹并隐藏此文件夹下的全部文件和文件夹
CAE技术的应用特点有哪些?
用鼠标右击一个控件时出现的菜单一般称为()。
三维齐次坐标有()个分量。
A:2
B:3
C:4
D:5
Repeater控件的()属性获取或设置如何显示repeater控件的标头部分。
A:itemtemplate
B:separatortemplate
C:footertemplate
D:headertemplate
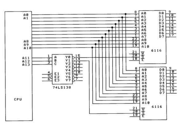
分析下列电路原理图,回答问题
第1题,共4个问题
(简答题)静态RAM6116的容量为多少?
第2题,共4个问题
(简答题)图中连接方式是否存在地址重叠?
第3题,共4个问题
(简答题)要使74LS138输出Y0或Y1有效,E1、E2和E3应分别接什么信号?(电源/地)
第4题,共4个问题
(简答题)两片存储器的基本地址分布范围为多少?
使用画圆工具画一个正圆,应在拖动鼠标的同时按下()键。
A:Ctrl
B:Alt
C:Shift
D:Alt+F4
在E-R模型中,实体间的联系用()图标来表示。
A:矩形
B:直线
C:菱形
D:椭圆
在Word中,可以使用()在表格的各单元格中移动光标。
要选择不同的字体供TEXT命令使用,那么必须创建文字样式。()
在数据链路层对比特流010******** 零比特填充后的输出为()。
获取软件系统需求
不包括
以下的哪个来源()。
A:系统相关领域的法律法规
B:系统的质量控制团队
C:系统的业务流程描述
D:其他类似系统产品
计算机在工作的时候会把程序使用高的数据和指令放在()里。
A:缓存
B:内存
C:一级缓存
D:二级缓存
下面说法中,正确的是()。
A:只有使用QQ才能进行视频聊天
B:发送的电子邮件会直接投递到对方的计算机中
C:BBS是网络为我们提供的一种交流方式
D:MSN只能提供文字聊天服务
在参考模型中,一般而言交换机工作在()
A:物理层
B:数据链路层
C:网络层
D:应用层
在幻灯片放映视图下,要打开放映控制菜单,以下操作中错误的是()
A:用鼠标右键单击屏幕上的任意位置
B:用鼠标右键单击"放映控制"按钮
C:单击"放映控制"按钮
D:单击屏幕上除"放映控制"按钮外的任意位置
下列不是类的属性修饰符的是()
A:public
B:abstract
C:private
D:final
软件开发为什么要使用UML建模?它有何特点?
使用add方法可以在框架的内容窗格中添加组件
模拟信号中转换时间值的过程是();幅度转换过程是();它们的转换过程称为()。
A:量化;采样;模/数转换
B:采集;采样;模/数转换
C:模/数转换;采集;采样
D:采样;量化;模/数转换
IEEE802标准将数据链路层划分为LLC和MAC两个子层。
请简述参照完整性规则的定义?
在构成8088最大模式下构成系统总线时,可用到下列哪些芯片?( )
A:74LS373
B:8288
C:74LS245
D:74LS138
E:8289
拍卖出让国有土地使用权,竞买人不足()人,主持人应当终止拍卖。
A:2
B:3
C:4
D:5
人群可共同编辑和查看的网页被称为什么?()
A:播客
B:维基
C:网络日志(博客)
D:即时消息
构成控制信号序列的最小单位是()。
下列哪个做法不恰当()。
A:网上阅读新闻
B:网上下载公共软件
C:网上看不健康视频
D:玩网络游戏
PHP中,标识符允许出现的符号有:()
A:大写字母
B:小写字母
C:数字
D:减号
下面是一个Servlet部署文件的片段:
Servlet的类名是()。
A:FirstServlet
B:Hello
C:helpHello
D:/helpHello
首页
<上一页
403
404
405
406
407
下一页>
尾页