自考题库
首页
所有科目
自考历年真题
考试分类
关于本站
游客
账号设置
退出登录
注册
登录
出自:基础考试
如图所示,在平板和受拉螺栓之间垫上一个垫圈,可以提高:()
A:螺栓的拉伸强度
B:螺栓的剪切强度
C:螺栓的挤压强度
D:平板的挤压强度
描述岩体变形特征的力学参数主要包括()。
A:变形模量
B:泊松比
C:粘聚力
D:内摩擦角
由标准方向北端起顺时针量到所测直线的水平角,该角的名称及其取值范围分别是:()
A:象限角、0°~90°
B:象限角、0°~±90°
C:方位角、0°~180°
D:方位角、0°~360°
相对误差是衡量距离丈量精度的标准,以钢尺量距,往返分别测得125.4687m和125.451m,则相对误差为:()
A:±0.016
B:│0.016│/125.459
C:1/7100
D:0.00128
下列各固态物质中,硬度最大的是()。
A:NaCl
B:CaCl
2
C:H
2
O
D:SiC
孔底应变法测试中应变计的安装,应该将孔底应变计压贴在孔底平面中部1/2直径范围内。
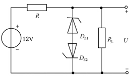
如图所示电路中,已知稳压管D
z1
、D
z2
的稳定电压分别为7V和7.5V,正向导通压降均为0.7V,输出电压U等于()V。
A:6.3
B:7.7
C:8.2
D:14.5
反映膨胀土胀缩性的指标有()。
A:膨胀率
B:缩限
C:膨胀力
D:压缩系数
E:线缩率
图示结构,不计杆件分布质量,当EI增大时,结构自振频率:()
A:不变
B:增大
C:减少
D:不能确定
设函数
,则Q′(x)等于:()
A:A
B:B
C:C
D:D
设平面闭区域D由x=0,y=0,x+y=
及x+y=1所围成,
之间的关系应是( )
A:A
B:B
C:C
D:D
如图,下列说法中,哪一个是错误的:()
A:对理想流体,该测压管水头线(H
p
线)应该沿程无变化
B:该图是理想流体流动的水头线
C:对理想流体,该总水头线(H
p
线)沿程无变化
D:该图不适用于描述实际流体的水头线
从土工合成材料样品上裁取试样时,试样的布置应采用下列方法()。
A:平行取样法
B:梯形取样法
C:均匀取样法
D:分层取样法
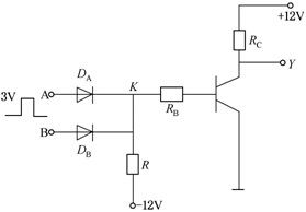
电路如图所示,A、B端输入信号均为方波,D
A
、D
B
是理想二极管,当K点电位等于3V时,三极管饱和导通,此电路是一个()。
A:与门
B:非门
C:与非门
D:或非门
中主应力σ
2
和岩石三轴强度的关系()。
A:无相关关系
B:σ
2
增大岩石脆性增强
C:σ
2
增大岩石塑性增强
D:σ
2
增大岩石的屈服应力不变
土的相对密度试验过程中,在进行最小干密度试验时,用漏斗法和量筒倒转法测试的是土在最疏松状态下的体积。
已知
,则
等于:()
A:0.331V
B:1.211V
C:-0.036V
D:0.110V
已知下列电对电极电势的大小顺序为:E(F
2
/F>E(Fe
2+
3+/Fe
2+
>E(Mg
2+
/Mg>E(Na
+
/Na),则下列离子中最强的还原剂是:()
A:F
B:Fe
2+
C:Na
+
D:Mg
2+
非恒定均匀流是()的流动。
A:当地加速度为零;迁移加速度不为零
B:当地加速度不为零;迁移加速度为零
C:当地加速度与迁移加速度均不为零
D:当地加速度与迁移加速度均不为零,但总加速度为零
埋深为d的浅基础,基底压应力p
0
与基底附加应力p存在的大小关系为:()
A:p>p
0
B:p=p
0
C:p
D:p=2p
0
土的剪切破坏面不发生在最大剪应力面.
塑性指数表达了土体在()时的含水量变化范围。
A:半固态
B:流动状态
C:可塑状态
D:固态
一般把以()为基本逻辑部件的电子计算机称为第三代计算机。
A:电子管
B:晶体管
C:集成电路
D:超大规模集成电路
总线能为多个部件服务,它可分时地发送与接收各部件的信息。所以,可以把总线看成是()。
A:一组公共信息传输线路
B:微机系统的控制信息传输线路
C:操作系统和计算机硬件之间的控制线
D:输入/输出的控制线
土工合成材料厚度测试压力为()。
A:1kPa
B:2kPa
C:5kPa
D:10kPa
土工合成材料的等效孔径O95为分布曲线上()。
A:过筛率90%所对应的粒径值
B:过筛率10%所对应的粒径值
C:过筛率95%所对应的粒径值
D:过筛率5%所对应的粒径值
波长为λ的驻波中,相邻波节之间的距离为()。
A:A
B:B
C:C
D:D
等边角钢截面已知形心为C,对y轴的惯性矩I
y
=3175cm
4
,I
max
=5045cm
4
,(图5-5-11),则I
min
等于:()
A:560cm
4
B:935cm
4
C:1305cm
4
D:1870cm
4
水流经过变直径圆管,管中流量不变,已知前段直径d
1
=30mm,雷诺数为5000,后段直径变为d
2
=60mm,则后段圆管中的雷诺数为:()
A:5000
B:4000
C:2500
D:1250
目前工程中在地基设计计算时,地基中应力的计算与分布采用的基本假设条件是()
A:基地土是均匀连续的
B:基础底面的压力看做是刚性荷载
C:地基土是各向同性的
D:地基在深度和水平方向是无限延伸的
首页
<上一页
38
39
40
41
42
下一页>
尾页