自考题库
首页
所有科目
自考历年真题
考试分类
关于本站
游客
账号设置
退出登录
注册
登录
出自:内线安装工
《电力法》对盗窃电能和盗窃电力设施者有何处罚规定?
变压器只能传递能量,不能产生能量。
绘图题:画出电压互感器V/V接线。
某工地在10kV高压线路下堆放混凝土预制构件,一台25t履带吊车在线路一侧装运构件,钢丝绳晃动触碰高压线,将一名手扶吊起配件的起重工电击倒,这起触电事故是()。
A:严重违章作业;
B:吊车司机操作失误;
C:高压线路未停电;
D:无防护措施。
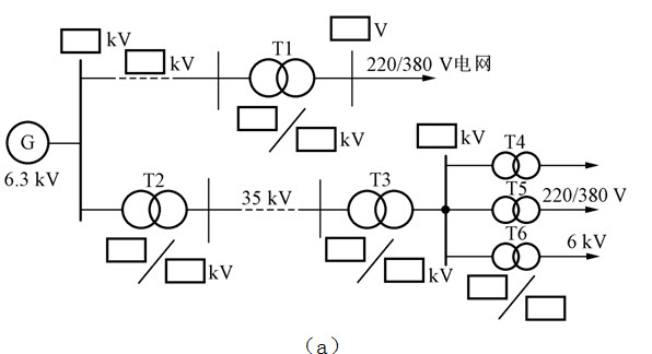
绘图题:在图E-61(a)各方框中填入额定电压值。
母线的排列有什么规定?
当机械负载对启动、调速及制动有要求,但调速范围不大,且低速运行时间较短时,应选用()电动机。
A:笼型
B:同步
C:直流
D:交流
三相异步电动机启动时,发生缺相的后果是()。
A:电动机无法启动
B:电动机可以启动
C:电动机可以启动,但过载能力下降
D:电动机可以启动,但效率下降
存储器分为主存与辅存,主存又分为随机存储器(RAM)与只读存(ROM)。
Y—△降压启动,适用于三相鼠笼式异步电动机()。
A:△接法,380V
B:Y接法,380V
C:△/Y,220/380V
D:Y接法,220V
供电电能的质量指标主要有哪些项目?
交流电路中有哪几种功率?
用万用表测晶闸管时,可以断定管子已损坏的情况是()。
A:A、G间正、反向电阻均大于500kΩ
B:A、K间正、反向电阻均大于500kΩ
C:A、G间有一正向电阻小于1kΩ
D:G、K间反向电阻略大于正向电阻,但小于1kΩ
绘图题:画出π型LC滤波电路图。
常用指示电工仪表的结构形式有哪些?
当供电可靠性要求较高时,工厂配电系统采用的接线方式是()。
A:放射式;
B:树干式;
C:环形;
D:链式。
干粉、二氧化碳、1211灭火器的存放主要应防止()。
A:高温
B:受潮
C:环境温度
D:保温
按逻辑功能的不同可以把数字电路分为哪两大类?各有什么含义?寄存器、编码器、触发器各属于哪类电路?
为了区别相序,三相交流裸导线L1、L2、L3的涂色标记分别为()。
A:红、绿、黄
B:绿、红、黄
C:黄、红、绿
D:黄、绿、红
绘图题:画出电流互感器不完全星形接线图。
低压断路器按结构可分为哪两类?
屋顶避雷带沿屋顶装设时,应高出屋面()mm。
A:80
B:100
C:150
D:100~150
室内配线常用的绝缘导线如何分类?
为了保证装配后流动轴承与轴颈和壳体孔台肩处紧贴,轴承的圆弧半径应()轴颈或壳体孔台肩处的圆弧半径。
A:小于
B:等于
C:大于
D:忽大忽小
室内配线对导线有何基本要求?
DW15型自动空气开关如何灭弧?其灭弧栅片为什么不用铜制造?
热继电器做电动机保护时,适用于()。
A:轻载启动,过载保护
B:间断工作,短路保护
C:频繁启动,过载保护
D:重载启动,短路保护
低压熔断器在电路中主要起哪些保护?
设三相异步电动机额定电流IN=10A,进行频繁的带负载启动,熔体的额定电流应选()A。
A:10
B:15
C:50
D:25
剥线钳使用时应注意哪些问题?
首页
<上一页
2
3
4
5
6
下一页>
尾页