自考题库
首页
所有科目
自考历年真题
考试分类
关于本站
游客
账号设置
退出登录
注册
登录
出自:热工自动装置检修工
电动执行器输出信号为0—10mA,去驱动调节机构。
LVDT(差动变压器)式位置变送器可送出4~20mADC信号,直接被DCS系统使用。()
试述气动阀门定位器有哪些作用?
所谓明备用,是指专门设置一台平时不工作的电源作为(),当任一台工作电源发生故障或检修时,由它代替工作电源的工作。
多回路系统中整定参数的原则时()。
A:先内后外
B:先外后内
C:任意
D:内外同时
调节器的比例带δ过大,会使被调量的短期偏差();积分时间过大,会使被调量的短期偏差()。
在比例、积分、微分调节规律中,三种调节规律各自发挥不同的作用,起基本调节作用的是()作用。
A:比例;
B:积分;
C:微分。
给水系统调试时,具备那些条件才能进行汽包锅炉水位调节系统的投入工作?
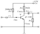
如图所示单电源供电的基本放大电路,各元件参数如图所示,试估算该放大器的静态工作点。
甲类单管功率放大器的静态工作点位于()
A:截止区
B:放大区
C:饱和区
D:任意位置
计算题:求如图D-20所示系统的传递函数。
国际单位制中,压力的单位是(),又叫(),单位符号是Pa。
电动执行器以()为动力,接受变送单元或调节单元发出的()信号,并转变为相应的角位移或直线位移量,操纵阀门、挡板、风门等,完成自动调节任务。
电阻串联时,当支路两端施加一定的电压,各电阻上的电压为()
A:电阻越大,电压越大
B:电阻越大,电压越小
C:电阻越小,电压越大
D:与电阻的大小无关
气动执行器的气源管上,一般应装有()和()。
构成计数器的基本电路是()。
A:或非门
B:与非门
C:触发器
D:或门
什么是调节器参数整定?
下列关于电压的描述中,()是正确的。
A:衡量电场力转移电荷做功的能力的物理量
B:电压的单位为焦耳
C:电压的方向是从低位能指向高位能
D:电压的大小与电荷绕行的途径有关
在单元机组运行中,机侧主汽温一般高于炉侧。
若衰减率等于零,则调节过程是()。
A:等幅振荡
B:非周期
C:增幅振荡
D:衰减振荡
当汽机超速保护动作时。OPC输出信号使高压调节汽门和高压旁路门关闭,防止汽机严重损坏。()
吹灰器常见的故障及处理方法?
临时进入现场可以不带安全帽。()
锉削的表面不可以用手擦、摸,以放锉刀打滑。
锉削的表面不可以用手()、(),以防()。
量差压的导管内存有空气时,将造成误差,为避免此误差,可在导管()设置排气容器或排气阀。
A:最低位置
B:最高位置
C:取样点
D:任何位置
分布式数据采集系统的前级只有信号采集和传输功能,而无预处理功能。()
严格的说,现场实际应用的PI调节器的调节系统其实际调节结果是有差的。
几个串联环节的等效环节,其放大系数等于各串联环节的放 大系数的乘积。
机组再热汽温的调节手段一般有哪些?
首页
<上一页
2
3
4
5
6
下一页>
尾页