自考题库
首页
所有科目
自考历年真题
考试分类
关于本站
游客
账号设置
退出登录
注册
登录
出自:电厂化学设备检修工
6203轴承的内径是15mm。
发现有人触电应尽快使人脱离电源后立即实施人工呼吸,以确保抢救时间,对吗?为什么?
闸阀与球阀相比,优点是启闭省力流通阻力小,缺点是开启行程大,检修较困难。
一级除盐系统的阳床出水呈碱性。
怎样找叶轮的显著不平衡?
选择螺栓材料应比螺母材料()。
A:高一个工作等级的钢种
B:选择一样
C:低一个工作等级的钢种
D:高一个工作等级或低一个工作等级的钢种均可
电动葫芦在工作中,不准倾斜起吊或作拖拉工具使用。
密封环与叶轮口环处每侧径向间隙一般约为密封环内径的1‰~1.5‰,但最小不得小于轴瓦顶部间隙,且应四周均匀。
进行某设备的安装与调试工作,必须熟悉该设备的检修工艺标准。
碱液循环泵可以用屏蔽式磁力泵,也可以用一般的离心泵。
一皮带传动,主动轮直径D
1
=100mm,转速n
1
=50r/min,从动轮转速n
2
=40r/min,求皮带轮传动比L
12
和从动轮直径D
2
?
在温度较高,硅胶不能吸附时,分子筛也不能吸附。
蝶阀的动作特点和优点是什么?
柱塞泵的流量增加时,其压力()。
A:一定增加
B:不一定增加
C:与温度有关
D:与管道阻力有关
气焊火焰中的氧化焰适用于焊接()。
A:铸铁;
B:黄铜;
C:高碳钢;
D:不锈钢。
浮动床装入白球的目的是什么?
各厂可化学人员可按自行格式编写机组大修化学检查报告()
说明图中各形位公差代号的意义。
轴承代号为6303,其轴承内径为()mm。
A:10
B:15
C:17
D:20
侧视图作全剖,俯视图作A-A处全剖,主视图局部剖,见图所示。
一段管道,长20m,工作温度为225℃。此管材的膨胀系数是 =0.015mm/(m•℃),安装温度为25℃,求正常工作时,此管道的伸长量?
热力设备停备用保护化学监督主要指标是什么?
在双层滤料过滤器内,上层滤料一般是石英砂,下层滤料是无烟煤。
当塑料焊件较厚时,应选用()焊接。
A:X型
B:V型
C:U型
D:平面型
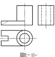
补画图E-11的三视图。
滚动轴承的配合间隙是指轴承未安装前自由状态下的间隙。
简述电解槽绝缘不良的原因及处理方法?
电解槽阳极产生氧气,阴极产生氢气。
电缆着火后,不应使用()灭火。
A:干粉灭火器;
B:1211灭火器;
C:二氧化碳灭火器;
D:泡沫灭火器。
运行稳定的发电机组,磷酸酯抗燃油的试验周期为()月一次。
A:6
B:3
C:1
首页
<上一页
2
3
4
5
6
下一页>
尾页