出自:初级中学教师资格证

在中国与世界交往中,哪一项是当代中国文化中间一只艳丽的花朵()?
A:中国梦
B:中国功夫
C:中华民族精神
D:中华文化
北京的"四合院"、上海的"石库门"、广东的"围村"、陕西的"窑洞"、福建的"土楼"等民居建筑都与当地的自然环境息息相关,具有鲜明的地域文化特色,是中华民族共有的文化财富。各具特色的地域文化()。①决定于各地千差万别的自然条件②蕴涵着中华文化的共性③深受地理环境的影响和制约④长期相互借鉴而日趋同一
A:①②
B:①④
C:②③
D:③④
受教育的权利和机会取决于()
A:社会政治经济制度
B:科学技术
C:生产力
D:文化
以下观点属于素质教育的特点的是()
A:促进学生的个性发展
B:教学过程中,强调“发现”知识的过程
C:重视创新能力的培养
D:把学生的全面发展与个性发展结合起来
E:把教学过程理解为知识积累的过程 
某企业管理者意识到:企业的竞争,说到底是人的竞争。因此,该企业不仅注重提高每个员工的积极性、创造力和业务素质,还合理配置人力资源,促使企业不断发展壮大。该企业采取的上述做法表明()。 ①系统内部结构具有有序性和优化趋向 ②一切事物的存在和发展都是有条件的 ③人们能根据主观需要调整原有的联系 ④整体在事物存在发展中居于主导地位
A:①②
B:①③
C:②④
D:③④
下列有关体育课程标准制定理念的描述不正确的是()。
A:改革课程内容教学方式
B:努力体现课程的时代性,培养学生终身体育的意识
C:强调老师在课堂上的主导作用,确立老师的主体地位
D:激发运动兴趣,注意学生运动爱好和专长的形成,奠定学生终身体育的基础
18世纪的法国社会崇思鄙行,揭示事物原理的“自由艺术”广受尊崇,将原理付诸实用的“机械艺术”则隐晦无闻。而狄德罗主编的《百科全书》中,描述农业耕作、运河御水、造纸印刷、丝绸织造等各门技艺的精美图版有600幅。狄德罗在此体现出的思想是()
A:社会契约
B:民主共和
C:宽容博爱
D:理性平等
截至2013年年底,中国汽车保有量突破1.37亿辆。随着适合国情的新能源、小型化汽车的出现,汽车消费将迎来新的高峰。这表明()
A:生产是消费的动力和目的
B:新的消费热点能带动相关产业的出现和成长
C:生产决定着消费的对象和方式
D:消费对生产的调整和升级起着导向作用
教师职业道德基本原则对整个教师体系中的一切具体规范和范畴都具有约束力,是评价教师道德行为的最高道德准则。这反映的是教师职业道德基本原则的哪个作用?()
A:指导作用
B:统帅作用
C:裁决作用
D:约束作用
学者郑秉文说:现代西方福利国家虽然从模式上看起源于英国,但事实上英国在战后宣布建成福利国家之后已经在相当程度上背离了普享性原则、统一性原则、均一性原则。英国输出了福利国家的思想和模式,却又带头改革,引发了一场风靡全球的福利革命。对上述材料的正确认识是()
A:必须打破“全民福利”的“大锅饭”制度
B:建立现代福利制度需向西方国家“看齐”
C:实施高福利制度是构建社会和谐的基础
D:由膨胀到瘦身是各国福利制度的必经阶段
关于教师期望和教育效果的关系的实验研究,是l968年进行的,实验的主持者是()
A:罗森塔尔
B:史莫克
C:奥苏贝尔
D:古德
试论普通高中如何开展思想政治新课程教学活动?
在学习观上强调学习的主动建构性、社会互动性和情境性的心理学理论是()。
A:行为主义学习理论
B:认知主义学习理论
C:建构主义学习理论
D:人本主义学习理论
数学学习中形成的认真审题的态度及其方法影响到物理、化学等学科中的审题活动,可韵;之为()。
1898年6月11日,光绪帝颁布(),“()”开始。到9月21日仅103天,因此又称“()”。
林则徐“海纳百川,有容乃大”的名句启示我们()。①实现文化创新,需要博采众长②文化的交流、借鉴和融合是不同民族文化之间相互借鉴,取长补短的过程③文化的交流、借鉴和融合是学习和吸收各民族优秀文化成果,以发展本民族文化的过程④文化的交流、借鉴和融合是在文化交流与文化借鉴的基础上,推出融汇多种文化特质的新文化的过程
A:①②③
B:①③④
C:①②④
D:①②③④
个体主观能动性的最高层次是个体的心理活动。
下列哪一个判断不正确()
A:班级是个复杂的小社会,是学校行政体系中最基层的行政组织
B:班级是开展学校课程实施的基本*单位
C:班级是开展教学活动的基本*单位
D:班级通常由教师、一群学生及环境组成,通过师生交互影响的过程实施教育教学活动,以实现教育教学目标
简述信息技术课堂中常用的教学方法。
通过学习而形成的、影响个人行为选择的内部准备状态或反应的倾向性称为()。
A:品德
B:态度
C:意向
D:技能
简述唐代三省六部的职能及历史作用。
班主任的领导方式一般分为三种类型:权威的、民主的、放任的。
一堂成功的教学一定要运用多媒体教学。( )
集体主义的出发点和归宿是()。
A:集体主义高于个人利益
B:集体主义服从个人利益
C:集体利益与个人利益相结合
D:集体利益包含个人利益
班级文化的特点有( )
A:教育性
B:凝聚性
C:制约性
D:自主性
课堂板书的特点有()。
A:超越性
B:艺术性
C:实践性
D:高度概括性
E:直观形象性
自然实验法的优点是()
A:减少人为性,提高真实性
B:减少人为性,降低真实性
C:提高人为性,增加真实性
D:提高人为性,降低真实性
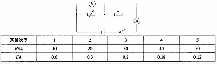
在探究通过导体的电流与哪些因素有关时,某小组用如图所示的电路,研究通过导体的电流与电阻的关系。电源电压不变。 (1)该小组在连完最后一根导线时,发现电流表指针偏转角度太大,请分析原因。为了帮助学生避免类似错误,教学中应该加强哪方面的指导? (2)正确连线后进行实验,发现第4次的实验数值明显偏大,请分析该小组在实验操作过程中可能存在的错误。本实验环节必须控制的实验条件是什么? (3)教学中如何引导学生根据表格数据画出的正比例图象?

敬业与乐业
梁启超
今日所讲,专为现在有职业及现在正做职业上预备的人——学生——说法,告诉他们对于自己现有的职业应采取何种态度。
敬业。对于“敬”字惟有南宋教育家朱熹解得最好。他说:“主一无适便是敬。”用现在的话讲,凡做一件事,便忠于一件事,将全副精力集中到这事上头,一点不旁骛,便是敬。业有什么可敬呢?为什么该敬呢?
人类一面为生活而劳动,一面也是为劳动而生活。人类既不是上帝特地制来充当消化面包的机器,自然该各人因自己的地位和才力,认定一件事去做。凡可以名为一件事的,其性质都是可敬。当大总统是一件事,拉黄包车也是一件事。事的名称,从俗人眼里看来,有高下;事的性质,从学理上解剖起来,并没有高下。只要当大总统的人,信得过我可以当大总统才去当,实实在在把当总统当作一件正经事来做;拉黄包车的人,信得过我可以拉黄包车才去拉,实实在在把拉车当作一件正经事来做,便是人生合理的生活。这叫做职业的神圣。凡职业没有不是神圣的,所以凡职业没有不是可敬的。惟其如此,所以我们对于各种职业,没有什么分别拣择。总之,人生在世,是要天天劳作的。劳作便是功德,不劳作便是罪恶。至于我该做那一种劳作呢?全看我的才能何如、境地何如。因自己的才能、境地,做一种劳作做到圆满,便是天地间第一等人。
怎样才能把一种劳作做到圆满呢?唯一的秘诀就是忠实,忠实从心理上发出来的便是敬。《庄子》记痼偻丈人承蜩的故事,说道:“虽天地之大,万物之多,而惟吾蜩翼之知。”凡做一件事,便把这件事看作我的生命,无论别的什么好处,到底不肯牺牲我现做的事来和他交换。我信得过我当木匠的做成一张好桌子,和你们当政治家的建设成一个共和国家同一价值;我信得过我当挑粪的把马桶收拾得干净,和你们当军人的打胜一支压境的敌军同一价值。大家同是替社会做事,你不必羡慕我,我不必羡慕你。怕的是我这件事做得不妥当,便对不起这一天里头所吃的饭。所以我做这事的时候,丝毫不肯分心到事外。曾文正说:“坐这山,望那山,一事无成。”一个人对于自己的职业不敬,从学理方面说,便是亵渎职业之神圣;从事实方面说,一定把事情做糟了,结果自己害自己。所以敬业主义,于人生最为必要,又于人生最为有利。庄子说:“用志不分,乃凝于神。”孔子说:“素其位而行,不愿乎其外。”我说的敬业,不外这些道理。



第1题,共2个问题
(简答题)文中所说的“人生合理的生活”,这句话的意思是什么,如何理解?

第2题,共2个问题
(简答题)文中说,“事的性质,从学理上解剖起来,并没有高下。”又说,“我信得过我当木匠的做成一张好桌子,和你们当政治家的建设成一个共和国家同一价值”。然而,也有人引用拿破仑名言说:“不想当元帅的士兵不是好士兵。”请你谈谈你的看法。
提出“民为贵,社稷次之,君为轻”思想的是()。
A:孔子
B:老子
C:孟子
D:庄子