自考题库
首页
所有科目
自考历年真题
考试分类
关于本站
游客
账号设置
退出登录
注册
登录
出自:电气试验工
下列情况需要进行安全技术交底记录是()。
A:具有法人资格的外单位来变电站承包设备检修、防腐、安装、调试
B:基建施工需要运行中设备停止运行
C:外单位在变电站内对非管辖范围内设备的工作
加强分接开关的运行维护,要做好()。
A:机械
B:电气维护
C:控制操作
D:手动操作
在电路中,电流之所以能在电路中流动,是由于电路两端电位差而造成的,将这个电位差称为()。
A:电压
B:电源
C:电流
D:电容
《安全生产法》规定:生产经营单位发生重大生产安全事故时,()应当立即组织抢救,并不得在事故调查处理期间擅离职守。
雷电流的计算波形常用的有()、()、()、()几种计算波形。
模拟式万用表的测量机构采用()系。
A:电磁
B:电动
C:磁电
D:感应
对变压器进行感应耐压试验的目的和原因是什么?
测量准确度高、功耗小、灵敏度高,只能用于直流测量的测量机构是()。
A:磁电系
B:电磁系
C:电动系
D:铁磁系
10KV中性点不接地系统发生单相接地时,非故障相的电压指示()。
A:增大
B:减小
C:不变
D:无关
磁电式微安表使用后应将其两个接线端子()。
A:开路;
B:接地;
C:接壳;
D:用导线短接。
在湿度较大的条件下测量绝缘电阻时,可在试品表面加等电位屏蔽。
变压器整体绝缘显著降低,能够有效发现缺陷的可能试验项目是()。
A:直流电阻
B:介质损失角测量
C:绝缘电阻
D:泄漏电流
切空载变压器产生的过电压,可以用避雷器加以限制。
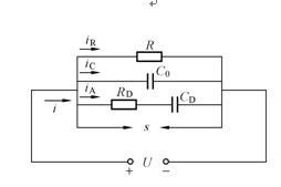
绘图题:加上直流电压后,电介质的等值电路如图E-47,画出各支路电流变化曲线和总电流i的变化曲线。
测量10kV变压器的高压侧现场吸收比时,低压侧应()。
A:短路接地
B:开路
C:开路接地
D:接地
短路电流的危害有()。
A:短路电流通过电器设备时,将引起导体严重发热,造成导体温度升高甚至熔化,并且会损坏绝缘
B:在相间产生很大的电动力作用于导体之上,可能造成设备的变形或损坏
C:短路处往往有电弧产生,高温电弧会烧毁故障设备或烧伤周围人员,甚至会引起火灾
D:短路电流通过变压器、线路等阻抗元件时,将产生很大的电压降,还会引起发电机端电压的降低,因此影响电力系统的正常供电
该文字符号F为负荷开关。
SF6断路器易出现的问题是什么?
简述“三比较”的方法主要内容。
测量电力变压器绕组的绝缘电阻应使用2500V或5000V绝缘电阻表进行测量。
互感器所存在()和(),称为互感器的基本误差。
红外检测中,精确检测要求设备通电时间不小于()。
A:2h
B:4h
C:6h
D:8h
万用表在使用完毕后,应将转换开关调至()档。
A:交流电压最大
B:电流
C:直流电压最大
D:欧姆
六氟化硫封闭式组合电器进行气体泄漏测量,以24h的漏气量换算,每一个气室年漏气率应不大于()。
A:0.01%
B:0.1%
C:1%
D:10%
66kV变压器被测绕组的tgδ值换算至20°时,不应大于()。
测量绝缘介质损tgδ能反映绝缘本身状态,同时又能反映绝缘由良好状态向劣化状况转化过程。
试述测量变压器有载分接开关过渡电阻的目的?
(),()和(),这是保证登高作业的安全用具。
A:绝缘夹钳,试电笔,安全带
B:梯子,高凳,钳形电流表
C:绝缘杆,绝缘夹钳,试电笔
D:梯子,高凳,安全带
有载调压分接开关的切换开关筒上静触头压力偏小时对变压器直流电阻有什么影响?
对回路电阻过大的断路器,应重点检查哪些部位?
首页
<上一页
36
37
38
39
40
下一页>
尾页