自考题库
首页
所有科目
自考历年真题
考试分类
关于本站
游客
账号设置
退出登录
注册
登录
出自:电气试验工
变压器温度下降,绕组直流电阻()。
A:变大
B:变小
C:不变
D:变得不稳定
良好的设备绝缘其泄漏电流与外施直流电压的关系是近似的线性关系。()
变压器三相直流电阻不平衡的原因()。
A:分接开关接触不良
B:线圈或引线焊烧不良、断裂
C:套管导电杆与引线连接不良
D:较严重的线圈匝间短路或层间短路
用电容式分压器是高压电压测量最常用的方法。()
变压器运行时各部件的温度是不同的,其中()温度最高。
A:铁芯
B:变压器油
C:绕组
下面为常规法一串级式电压互感器tgδ的试验结果: (A)正接线测量,A
X
短接加3kV,a
X
,a
D
,X
D
接C
X
线,底座接地,R
3
=346Ω,tgδ=1.7%。 (B)反接线测量A
X
接C
X
线,a
X
,a
D
,X
D
接地,加3kV,R
3
=317Ω,tgδ=3.0%。试计算A
X
对底座的电容C
X
和tgδ(忽略瓷套及油的影响)。
通常110kV及以下电压等级的GIS采用单相封闭式结构。()
套丝时应将圆柱体(或圆柱管)端部倒成()的锥体,且维体的小端直径略小于螺纹小径。
A:5°~10°
B:15°~20°
C:35°~45°
D:50°~9°
吸收比试验是一项在低电压下测定的绝缘性能。
电容器的直流充电电流(或放电电流)的大小在每一瞬间都是()的。
A:相同;
B:不同;
C:恒定不变;
D:无规律。
直流电动机的产磁极产生的磁场是()磁场。
A:恒定
B:放置
C:脉动
D:匀强
使用变比仪测试变压器时,测试用的高、低压线不能接反,否则将产生高压危及人身及仪器安全。()
测量绝缘电阻时,变压器的非被试线圈短路接地有哪些主要优点?
断路器回路直流电阻测量的电流规定是()。
A:5A
B:10A
C:50A
D:100A
两台()电压互感器接成V/V形,其总容量为两台容量和的()。
在电流互感器中,通常副绕组电流都做成()安。
A:5
B:6
C:7
D:8
低温裂缝
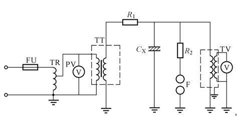
图E-15是什么试验项目的接线图?并写出各元件的名称。
负载伏安特性曲线的形状仅与负载自身特性有关,而与实际加在该负载上电压的大小无关。
在变压器查找故障时,通过做空载试验检查,如线圈短路故障、铁芯缺陷等,均可用空载试验检查出来。
一台变压器某一绕组直流电阻试验结果如下表
从上述试验结果看该变压器可能有故障吗?如果有,那可能是什么类型故障?
交流电机若铭牌上有两个电流值,表明定子绕组在两种接法时的输入电流。
下列属于破坏性试验的有:()。
A:交流耐压试验
B:直流耐压试验
C:绝缘电阻试验
D:吸收比试验
对一台6kV并联电容器测量极间电容值,其标准值为220μF,实测值为223μF,请判断电容值误差值为多少,是否合格?
架空线路导线三角形排列时,面向负荷侧,按顺时针自左至右()。
A:A、C、B
B:A、B、C
C:B、A、C
D:C、B、A
串联电路中,电路两端的总电压等于电阻两端的()之和。
A:电流
B:电压
C:电阻
D:电抗
测量电缆电缆故障点所采用方法
不正确
的是()。
A:电桥法
B:脉冲法
C:闪络法
D:自激法
在负载状态下,变压器铁心中的磁通量比空载状态下大得多。
绝缘电阻测量可以判断内部绝缘材料是否受潮,或外绝缘表面是否有缺陷。()
用一个刀闸S,两节甲电池E和一块直流毫伏表PV,做一台电压互感器的极性试验,画出接线图。
首页
<上一页
35
36
37
38
39
下一页>
尾页