自考题库
首页
所有科目
自考历年真题
考试分类
关于本站
游客
账号设置
退出登录
注册
登录
出自:基础考试
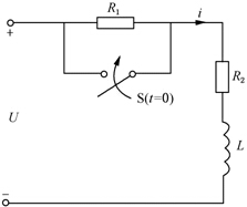
电路如图所示,已知:U=30V,R
1
=10Ω,R
2
=20Ω,L=1H,稳定状态下闭合开关S将R
1
短路,短路后经过()s电流i能达到1.2A。
A:0.017
B:0.026
C:0.051
D:0.076
根据热力学第二定律判断下列哪种说法是正确的:()
A:热量能从高温物体传到低温物体,但不能从低温物体传到高温物体
B:功可以全部变为热,但热不能全部变为功
C:气体能够自由膨胀,但不能自动收缩
D:有规则运动的能量能够变为无规则运动的能量,但无规则运动的能量不能变为有规则运动的能量
当土中含水率低于缩限时,水分蒸发时的体积不再缩小。
材料相同的悬臂梁Ⅰ、Ⅱ,所受载荷及截面尺寸如图5-8-9所示。关于它们的最大挠度有下列结论:()
A:Ⅰ梁最大挠度是Ⅱ梁的1/4倍
B:Ⅰ梁最大挠度是Ⅱ梁的1/2倍
C:Ⅰ梁最大挠度是Ⅱ梁的2倍
D:Ⅰ、Ⅱ梁的最大挠度相等
基坑开挖或降水后,会造成周围地下水位的降低。工程中为了防止和减少降水时对临近建筑物的影响,常采用回灌的处理措施。关于回灌,下列哪种说法
不正确
?()
A:回灌可以采用井点、砂井、砂沟等方式
B:回灌井宜进入稳定水面下1m,且位于渗透性较好的土层中
C:回灌水量可以通过水位观测孔中水位变化进行控制和调节,不宜超过原水位标高
D:回灌与降水在施工过程中应避免同时进行
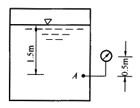
图示密闭水箱,压力表测得压强为5kN/m
2
,压力表中心比A点高0.5m,A点在液面下1.5m。则液面压强为()。
A:9.7kPa
B:-9.7kPa
C:4.8kPa
D:-4.8kPa
岩石抗冻性试验的冻融循环次数根据工程需要确定,一般为()次。
A:5
B:10
C:15
D:20
按照网络分布和覆盖的地理范围,可以将计算机网络划分为()。[2007年真题]
A:Internet网
B:广域网、互联网和城域网
C:局域网、互联网和Internet网
D:广域网、局域网和城域网
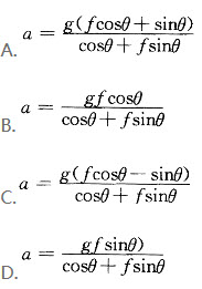
质量为m的物块A,置于与水平面成θ角的斜面B上,如图所示。A与B间的摩擦系数为f,为保持A与B一起以加速度以水平向右运动,则所需的加速度a至少是:()
A:A
B:B
C:C
D:D
地基土的容许承载力与上部建筑物的结构形式有关。
pH值对电极电势有影响的是下列中哪个电对?()
A:Sn
4+
/Sn
2+
B:Cr
2
O
7
2_
/Cr
3+
C:A
+
g/Ag
D:Br
2
Br
-
无阻尼等截面梁承受一静力荷载P,设在t=0时把这个荷载突然撤除,质点m的位移为:()
A:A
B:B
C:C
D:D
标准贯入击数可以()。
A:评价地基土液化可能性
B:估算单桩承载力
C:估算地基土密度
D:估算地基承载力
在直剪试验中,施加一垂直荷载之后,逐渐施加水平荷载,直至试件发生剪切破坏,试件的体积最终会()
A:始终不变
B:减小
C:增大
图示三铰拱的水平推力H为:()
A:50kN
B:25kN
C:22.5kN
D:31.2kN
微分方程
的通解是()
A:A
B:B
C:C
D:D
地基基础工程施工,为确保工程质量及邻近建筑的安全,必要时应作施工勘查和调查。
若函数
处连续且可导,则常数a、b的值应取为()
A:a=1,b=1
B:a=-1,b=1
C:a=1,b=-1
D:a=-1,b=-1
对明渠恒定均匀流,在已知通过流量Q、渠道底坡i、边坡系数m及粗糙系数n的条件下,计算梯形断面渠道尺寸的补充条件及设问不能是:()
A:给定水深h,求底宽b
B:给定宽深比β,求水深h与底宽b
C:给定最大允许流速
,求水深与底宽b
D:给定水力坡度J,求水深h与底宽b
在图5-11-4所示压杆的坐标系及挠曲线形状,其弯矩方程式,正确的是:()
A:A
B:B
C:C
D:D
粘土中很少有()
A:土颗粒
B:土孔隙
C:结合水
D:自由水
某企业年初投资5000万元,拟10年内等额回收本利,若基准收益率为8%,则每年年末应回收的资金是:()
A:540.00万元
B:1079.46万元
C:745.15万元
D:345.15万元
经过深层搅拌法处理后的地基属于:()
A:天然地基
B:人工地基
C:桩基础
D:其他深基础
影响桩基承载力的主要因素有()
A:桩身所穿越地层的强度、变形性质和应力历史
B:桩端持力层的强度和变形性质
C:桩身和桩底的几何特征
D:桩材料强度
E:群桩的几何参数
谢才公式
仅适用于什么区?()
A:紊流粗糙区(即阻力平方区)
B:紊流光滑区
C:紊流过渡区
D:流态过渡区
后张法预应力混凝土轴心受拉构件完成全部预应力损失后,预应力筋的总预拉力
。若加荷至混凝土应力为零时,外荷载N
0
应为:()
A:N
0
=50kN
B:N
0
>50kN
C:N
0
<50kN
D:N
0
=50kN或N
0
>50kN,应看
的大小
某土样的天然含水量叫为25%,液限ω
为40%,塑限ω
p
为15%,其液性指数I
为:()
A:2.5
B:0.6
C:0.4
D:1.66
压杆下端固定,上端与水平弹簧相连,如图所示,该杆长度系数μ值为:()
A:μ<0.5
B:0.5<μ<0.7
C:0.7<μ<2
D:μ>2
电极反应,Al
3+
+3e
-
=Al,
,推测电极反应3Al-6e
-
=2Al
3+
的标准电极电势是:()
A:-3.32V
B:1.66V
C:-1.66V
D:3.32V
图5-10-6一端固定的折杆ABC,在C点作用集中力P,力P的方向如图5-10-6所示(其作用面与ABC平面垂直)。AB段的变形有四种答案:()
A:弯扭组合变形
B:拉弯组合变形
C:拉弯扭组合变形
D:斜弯曲
首页
<上一页
34
35
36
37
38
下一页>
尾页