自考题库
首页
所有科目
自考历年真题
考试分类
关于本站
游客
账号设置
退出登录
注册
登录
出自:电气工程公共基础
已知某投资项目折现率为16%时,净现值为-120万元;折现率为12%时,净现值为80万元。则该投资项目的内部收益率近似为()。
A:14.40%
B:13.60%
C:12.16%
D:14,66%
图示半圆形断面长直渠道,半径r0=2m,底坡i=0.0004,渠壁粗糙系数n=0.01,则渠道的断面平均流速为()m/s。
A:1
B:2
C:2.5
D:3
根据《安全生产法》有关生产安全事故的应急救援与调查处理的规定,建筑施工企业应当()。
A:指定专职的应急救援人员
B:一律建立应急救援组织
C:配备全部的应急救援器材、设备
D:对应急救援器材、设备进行经常性维护、保养
电路是由_________、_________、_________及等基本元件组成。
某第4周期元素,当该元素原子失去一个电子成为正1价离子时,该离子的价层电子排布式为3d10,则该元素的原子序数为()。
A:19
B:24
C:29
D:36
一个两输入端的门电路,当输入为10时,输出不是1的门电路为()
A:与非门
B:或门
C:或非门
D:异或门
阻值分别为r和2r的两只电阻串联后接入电路,则阻值小的电阻发热量是阻值大的电阻发热量的( )倍
A:1
B:1/2
C:2
D:1/3
你被任命管理一个有关企业资源计划系统的设计、开发和实施的项目,你将要与一个ERP软件商洽谈购买事宜,你认识到对于这些实时系统的项目而言,详细计划是成功的条件,你建立了一个干系人的团队来帮助准备计划,为了促进计划的编制工作,你应该使用()。
A:“自制购入”分析
B:从前面的计划中获得的经验教训和其它的历史数据
C:收益成本分析
D:项目管理信息系统
对变压器铁心叠片有什么质量要求?
对于双极型晶体三极管(简称晶体管),如下
不正确
的描述是()。
A:晶体管的工作状态可分为截止状态、放大状态和饱和状态
B:晶体管的工作区域可分为线性区和非线性区
C:晶体管工作状态可由开关接通与断开的电路模型表示
D:晶体管存在开关状态和放大状态两种工作状态
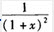
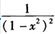
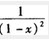
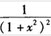
() 幂级数
A:
B:
C:
D:
本证函数
如要将一个最大幅度为9.99V的模拟信号转换为数字信号,要求ADC的分辨率小于10mV,最少应选用()位ADC。
A:6
B:8
C:10
D:12
不属于
冲击电压发生器的结构是()。
A:阶梯式
B:塔式
C:圆筒式
D:单边整流式
拆卸MR有载分接开关的切换开关对操作位置有什么要求?操作中应注意哪些问题?
外施耐压应采用()Hz的频率进行试验。
A:40—50
B:50—60
C:45—50
D:50—55
质量指标体系的特性有形性,具有哪几项子特性()。
A:可视性
B:专业性
C:互动性
D:合规性
子午面
温度、压强相同的氦气和氧气,它们分子的平均能量;和平均平动动能;。的关系是()。
A:和都相等
B:相等,而不相等
C:相等,而不相等
D:和都不相等
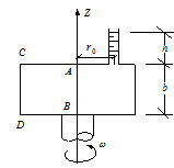
图示圆柱形容器内充满液体,并以等角速度绕Z轴旋转,则()。
A:A
B:B
C:C
D:D
某投资项目预计建成后的年固定成本为46万元,每件产品估计售价为56元,单位变动成本(含销售税金和附加)为25元,则该项目的盈亏平衡产量为()万件。
A:0.82
B:1.48
C:1.84
D:2.67
设有一仓库有一批产品,已知其中50%、30%、20%依次是甲、乙、丙厂生产的,且甲、乙、丙厂生产的次品率分别为1/10,1/15,1/20,现从这批产品中任取一件,求取得正品的概率()
A:0.62
B:0.72
C:0.82
D:0.92
在夫琅和费单缝衍射实验中,若单缝在垂直于透镜方向向上作微小移动,则在透镜焦平面上的衍射图样()。
A:向上移动
B:向下移动
C:不变
D:衍射主最大光强变小
下列行为违反了《建设工程勘察设计管理条例》的是()。
A:将建筑艺术造型有特定要求的项目的勘察设计任务直接发包
B:业主将一个工程建设项目的勘察设计分别发包给几个勘察设计单位
C:勘察设计单位将所承揽的勘察设计任务进行转包
D:经发包方同意,勘察设计单位将所承揽的勘察设计任务的非主体部分进行分包
用集成计数器设计n进制计数器时,一般采用()。
A:置最小数法
B:反馈复位法
C:反馈预置
D:时钟禁止
如何重新安装MR有载分接开关的切换开关?
图7-6电路中,a-b路的开路电压U为()。
A:0
B:
C:
D:
在局域网中使用了基带传输技术,基带传输是指()。
A:能够采用FDM,传输是单向的
B:不能够采用FDM,传输是单向的
C:能够采用FDM,传输是双向的
D:不能够采用FDM,传输是双向的
等于()。
A:cosx-sinx+C
B:sinx+cosx+C
C:sinx-cosx+C
D:-cosx+sinx+C
选零件图的主视图的原则是什么?
首页
<上一页
34
35
36
37
38
下一页>
尾页