自考题库
首页
所有科目
自考历年真题
考试分类
关于本站
游客
账号设置
退出登录
注册
登录
出自:基础考试
某点的相对压强为-39.2kPa,则该点的真空高度为:()
A:4mH
2
O
B:6mH
2
O
C:3.5mH
2
O
D:2mH
2
O
水平梁AB由铰A与杆BD支撑。在梁上O处用小轴安装滑轮。轮上跨过软绳。绳一端水平地系于墙上,另端悬持重W的物块。构件均不计重。铰A的约束力大小为:()
A:A
B:B
C:C
D:D
一弹簧质量系统,置于光滑的斜面上,斜面的倾角α可以在0°~90°间改变,则随α的增大系统振动的固有频率:()
A:增大
B:减小
C:不变
D:不能确定
直角刚杆OAB可绕固定轴O在图示平面内转动,已知OA=40cm,AB=30cm,w=2rad/s,α=1rad/s
2
,则图示瞬时,B点加速度在y方向的投影为:()
A:40cm/s
2
B:200cm/s
2
C:50ccm/s
2
D:-200cm/s
2
已知动点的运动方程为x=t,y=2t
2
。则其轨迹方程为:()
A:A
B:B
C:C
D:D
频率为100Hz,传播速度为300m/s的平面简谐波,波线上两点振动的相位差为
,则此两点相距:()
A:2m
B:2.19m
C:0.5m
D:28.6m
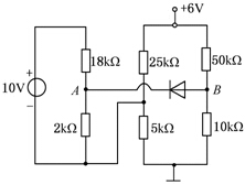
如图所示电路中,A点和B点的电位分别是()V。
A:2;-1
B:-2;1
C:2;1
D:1;2
下列关于土的容重说法错误的是()。
A:土的容重定义为单位体积土的质量
B:土的湿容重比干容重大
C:土的容重等于密度乘以重力加速度
D:土的容重是独立物理性指标
已知挡土墙高4.5m,墙背直立、光滑,墙后填土为砂土并与墙顶齐平,c=0,φ=30°,γ=18kN/m
3
,γ′=9kN/m
3
,地下水位位于墙顶,则距墙顶深度4m处的主动土压力强度为()。
A:18.0kPa
B:10.8kPa
C:12.0kPa
D:16.1kPa
重力W=80kN的物体自由地放在倾角为30°的斜面上,若物体与斜面间的静摩擦系数
,动摩擦系数f′=0.4,则作用在物体上的摩擦力的大小为:()
A:30kN
B:40kN
C:27.7kN
D:0
已知函数f(x)对一切x满足xf
(x)+3x[f′(x)
2
=1-e
-x
,若f(x)在点x
0
(≠0)处有极值,则()。
A:A
B:B
C:C
D:D
下列分子中,分子间作用力最大的是()。
A:F
2
B:Cl
2
C:Br
2
D:I
2
供电电路提高功率因数的目的在于()。
A:减少用电设备的有功功率
B:减少用电设备的无功功率
C:减少电源向用电设备提供的视在功率
D:提高电源向用电设备提供的视在功率
真空中波长为λ的单色光,在折射率为n的均匀透明媒质中,从A点沿某一路径传播到B点。设路径的长度为ι,A、B两点光振动相位差记为△φ,则ι和△φ的值分别为:()
A:L=3λ/2,△φ=3π
B:L=3λ/(2n),△φ=3nπ
C:L=3λ/(2n),△φ=3π
D:L=3nλ/2,△φ=3nπ
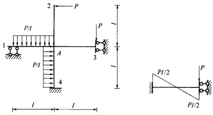
图示各结构中,除特殊注明者外,各杆件EI=常数。其中不能直接用力矩分配法计算的结构是:()
A:A
B:B
C:C
D:D
一幅地形图上,等高距是指下列中哪种数值相等?()
A:相邻两条等高线间的水平距离
B:两条计曲线间的水平距离
C:相邻两条等高线间的高差
D:两条计曲线间的高差
图示a)、b)两截面,其惯性矩关系应为:()
A:A
B:B
C:C
D:D
某功率因数为0.4的感性负载,外加100V的直流电压时,消耗功率100W。则该感性负载的感抗为()Ω。
A:100
B:229
C:0.73
D:329
挡土墙后填土的内摩擦角
粘聚力f变化,对主动土压力Ea大小的影响是:()
A:
、c越大,E
a
越大
B:
、c越大,E
a
越小
C:
越大、c越小,E
a
越大
图5-11-8所示结构二杆材料和截面形状和尺寸相同,均为细长杆,若在平面内失稳而破坏。那么结构的临界载荷沿何方位作用时,其值最小?有四种答案:()
A:θ=0°
B:θ=90°
C:θ=30°
D:使二杆同时进入临界状态的θ值
图示结构用力矩分配法计算时,结点A的约束力矩(不平衡力矩)M
A
为()
A:A
B:B
C:C
D:D
击实试验测定的两大指标是()。
A:最大干密度和最优含水率
B:土体的抗剪强度
C:重度和含水率
D:压实度
轴向压力N对构件抗剪承载力V
u
的影响符合下列哪项所述?()
A:不论N的大小,均可提高构件的V
u
B:不论N的大小,均会降低构件的V
u
C:N适当时提高构件的V
u
D:N大时提高构件的V
u
,N小时降低构件的V
u
一声波波源相对媒质不动,发出的声波频率是v
0
。设一观察者的运动速度为波速的1/
0
,当观察者迎着波源运动时,他接收到的声波频率是:()
A:2v
0
B:1/2v
0
C:v
0
D:3/2v
0
图示受力杆件的轴力图有以下四种:()
A:A
B:B
C:C
D:D
一横波沿一根弦线传播,其方程为y=-0.02cosπ(4x-50t)(SI),该波的振幅与波长分别为:()
A:0.02cm,0.5cm
B:-0.02m,-0.5m
C:-0.02m,0.5m
D:0.02m,0.5m
将0.125L压强为6.08×10
4
Pa的气体A与0.150L压强为8.11×10
4
Pa的气体()
A:1.42×10
5
Pa
B:3.95×10
4
Pa
C:1.40atm
D:3.90atm
地基的承载力()临塑荷载。
A:等于
B:小于
C:大于
已知平面图形的形心为C,面积为A,对z轴的惯性矩为I
z
,则图形对z
1
轴的惯性矩有四种答案:()
A:A
B:B
C:C
D:D
可用于加筋挡土墙的加筋材料有()。
A:土工格栅
B:塑料排水带
C:有纺织物
D:土工加筋带
首页
<上一页
30
31
32
33
34
下一页>
尾页