自考题库
首页
所有科目
自考历年真题
考试分类
关于本站
游客
账号设置
退出登录
注册
登录
出自:电气工程公共基础
液体中()相等的点组成的面称为等压面。
逻辑函数与⊙满足()关系。
A:互非
B:对偶
C:相等
D:无任何关系
可编程逻辑阵列PLA可以实现用()表示的逻辑电路。
A:与非-与非表达式
B:或非-或非表达式
C:与—或—非表达式
D:标准与—或表达式
在特别危险场所使用的行灯电压不得超过()V。
A:220;
B:36;
C:12;
D:6。
以下哪种文件可能感染宏病毒()。
A:JPG文件
B:PPT文件
C:AVI文件
D:HTML文件
按集成度的不同可以把集成电路分为(),
A:小规模集成电路(SSI)
B:中规模集成电路(MSI)
C:大规模集成电路(LSI)
D:超大规模集成电路(VLSI0)
试提出数字频率计的三种设计方案,比较各种方案的特点。如果用HDPLD来实现,设计方案是最佳吗?简述理由。
两个卡诺热机的循环曲线如图所示,其中一个工作在温度为T1与T3的两个热源之间,另一个工作在温度为T2与T3的两个热源之间,已知这两个循环曲线所包围的面积相等,由此可知()。
A:两个热机的效率一定相等
B:两个热机从高温热源所吸收的热量一定相等
C:两个热机向低温热源所放出的热量一定相等
D:两个热机吸收的热量与放出的热量(绝对值)的差值一定相等
图1~图3为三个不同的晶体管放大电路,下列说法正确的是()。
A:图1~图3均具有稳定的静态工作点,但只有图1不具有电压放大能力
B:若图2和图3电路中各元件型号及参数相同,则它们具有相同的电压放大能力
C:它们的输入电阻均与负载有关
D:以上三种说法均不正确
GB/T16274-1996标准中规定,变压器应装有导流式压力释放装置。当内部压力达到()时,应可靠释放压力。
A:35kPa
B:45kPa
C:55kPa
D:65kPa
求一个逻辑函数F的对偶式,可将F中的().
A:“·”换成“+”,“+”换成“·”
B:原变量换成反变量,反变量换成原变量
C:变量不变
D:常数中“0”换成“1”,“1”换成“0”
一个容器内贮有1mol氢气和1mol氩气,当气体处于平衡态时,若氢气对器壁的压强为P1,氩气对器壁的压强为P2,则两者的关系是()。
A:p1>p2
B:p12
C:p1=p2
D:不能确定
防火墙体系结构包括过滤路由器、双宿主主机、被屏蔽主机、被屏蔽子网,下列关于这四种描述正确的是()。
A:过滤路由器:如果攻击者进入屏蔽主机内,内网中的就会受到很大威胁
B:双宿主主机:一旦入侵者侵入堡垒主机,则无法保证内部网络的安全
C:被屏蔽主机:一旦被攻陷后很难发现,而且不能识别不同的用户
D:被屏蔽子网:如果攻击者试图进入内网或者子网,就必须攻破过滤路由器和双宿主主机,然后才能进入子网主机
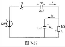
如图7-37所示电路,,t=0时闭合开关S后,为下列选项中的()。
A:
B:
C:
D:
资产负债率是反映项目()的评价指标。
A:偿债能力
B:盈利能力
C:营运能力
D:资产管理效率
磁阻的大小与磁路的长度( )
A:无关
B:成反比
C:成正比
D:成非线性关系
用反馈复位法来改变由8位十进制加法计数器的模值,可以实现()模值范围的计数器。
A:l~10
B:1~16
C:1~99
D:1~100
下列属于WLAN方案设计步骤的是?()
A:用户需求分析
B:局域网设计
C:局域网间互联方案设计
D:进一步完善方案设计
E:方案实施
十进制数25用8421BCD码表示为()。
A:10101
B:00100101
C:100101
D:10101
图示平面机构由O1A、O2B杆件与直角三角板ABC构成。图示位置O1A、O2B均垂直水平线O1O2,且O1A=O2B=BC=R,AB=2R,此时杆O1A以角速度ω转动,则三角板上C点的速度应为()。
A:Rω,水平向右
B:2Rω,垂直CO1向上
C:Rω,水平向左
D:2Rω,垂直CO2向右
用卡诺图化简逻辑函数的步骤除了将函数化简为最小项之和的形式外还有()。
A:画出表示该逻辑函数的卡诺图
B:找出可以合并的最小项
C:写出最简“与或”逻辑函数表达式
D:写出最简“与或非”逻辑函数表达式
显微物镜有哪些主要类型?各有什么特点?
傅里叶变化全息图
将0.1mol·L-1的HAc溶液加水稀释到原来体积的2倍时,其H+离子浓度和pH的变化趋势为()。
A:增加和减小
B:减少和增大
C:为原来的一半和减小
D:为原来的一倍和减小
当落后的负载阻抗角2增大时,变压器电压变化率ΔU%将()。
A:增大;
B:不变;
C:减小;
D:迅速减小。
若对轴流式泵采用出口端节流调节方式,则在节流调节中,随着流量的不断减小,其消耗的轴功率将()。
A:不断增大
B:不断减小
C:基本不变
D:增大或减小、不变均有可能
在CPU中ALU的主要作用是()。
A:产生一系列的控制信号以控制计算机中的所有部件按指令操作
B:实现指令所指定的各种算术和逻辑运算操作
C:存放指令、指令地址、操作数及运算结果等
D:连接CPU内部各部件,为信息传送提供通路
域名服务器的作用是()。
A:为连入Internet网的主机分配域名
B:为连入Internet网的主机分配IP地址
C:将主机域名转换为IP地址
D:将主机的IP地址转换为域名
两直角刚杆AC、CB支承如图4-5所示,在铰C处受力F作用,则A、B两处约束力的作用线与x轴正向所成的夹角分别为()。
A:0°,90°
B:90°,0°
C:45°,60°
D:45°,135°
阻值分别为r和2r的两只电阻并联后接入电路,则阻值小的电阻发热量是阻值大的电阻发热量的( )倍
A:2
B:4
C:1/2
D:1/3
首页
<上一页
28
29
30
31
32
下一页>
尾页