自考题库
首页
所有科目
自考历年真题
考试分类
关于本站
游客
账号设置
退出登录
注册
登录
出自:基础考试
载荷试验主要用于确定()
A:评价地基土承载力
B:计算地基土变形模量
C:现场测定湿陷性黄土地基的湿陷起始压力
D:A+B+C
图示均质圆轮,质量为m,半径为r,在铅垂图面内绕通过圆盘中心O的水平轴转动,角速度为w,角加速度为ε,此时将圆轮的惯性力系向O点简化,其惯性力主矢和惯性力主矩的大小分别为:()
A:A
B:B
C:C
D:D
在△ABC中,直接观测了∠A和∠B,其中误差分别为
±∠4",则∠C的中误差
为:()
A:±8"
B:±7"
C:±5"
D:±1"
呈脆性破坏的坚硬岩石宜在室内通过三轴试验测定岩体的抗剪强度,而风化强烈的非均质岩体应在现场进行抗剪试验。
电子经纬仪的读数系统采用下列中的哪种方式?()
A:光电扫描度盘自动计数,自动显示
B:光电扫描度盘自动计数,光路显示
C:光学度盘,自动显示
D:光学度盘,光路显示
若用衍射光栅准确测定一单色可见光的波长,在下列各种光栅常数的光栅中,选用哪一种最好:()
A:1.0×10
-1
mm
B:5.0×10
-1
mm
C:1.0×10
-2
mm
D:1.0×10
-3
mm
对工程岩体或建筑物进行长期观测()的目的是()。
A:诊断险情、验证设计参数、评估新施工技术优越性或新材料的性能
B:工作安排的要求
C:掌握变化规律,预测建筑物未来发展动态
D:判断工程事故的责任和赔偿
E:积累资料,改进未来工程的施工或设计
软弱或破碎的岩体,宜采用()法测定岩体变形。
A:柔性承压板
B:刚性承压板
C:钻孔径向加压法
D:狭缝法
波长分别为λ
1
=450nm和λ
2
=750nm的单色平行光,垂直射人到光栅上,在光栅光谱中,这两种波长的谱线有重叠现象,重叠处波长为λ谱线的级数为:()
A:2,3,4,5,…
B:5,10,15,20,…
C:2,4,6,8,…
D:3,6,9,12,…
土体具有压缩性的主要原因是()
A:主要是由土颗粒的压缩引起的
B:主要是由孔隙的减少引起的
C:主要是因为水被压缩引起的
下面哪种情况对桩的竖向承载力有利?()
A:建筑物建成后在桩基附近堆土
B:桩基周围的饱和土层发生固结沉降
C:桥梁桩基周围发生淤积
D:桩基施工完成后在桩周注浆
图示结构(杆件截面为矩形)在温度变化t
1
>t
2
时,其轴力为:()
A:A
B:B
C:C
D:D
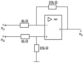
如图所示电路可进行减法运算,已知输出电压u0=12V,则两输入信号电压ui1与ui2之间的关系是()。
A:A
B:B
C:C
D:D
按照《建筑基坑支护技术规程》(JGJ120—1999),基坑支护设计时,()试验方法可取得实践所用的ck、φk值。
A:不固结不排水三轴试验
B:固结不排水三轴试验
C:有可靠经验时的直剪快剪试验
D:固结快剪的直剪试验
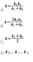
弹簧一物块直线振动系统中,物块质量m,两根弹簧的刚度系数各为k
1
与k
2
。若用一根等效弹簧代替这两根弹簧,则其刚度系数k为:()
A:A
B:B
C:C
D:D
针对三相异步电动机起动的特点,采用Y-△换接起动可减小起动电流和起动转矩,以下说法正确的是()。
A:Y联接的电动机采用Y-△换接起动,起动电流和起动转矩都是直接起动的1/3
B:Y联接的电动机采用Y-△换接起动,起动电流是直接起动的1/3,起动转矩是直接起动的1/3
C:△联接的电动机采用Y-△换接起动,起动电流是直接起动的
,起动转矩是直接起动的1/3
D:△联接的电动机采用Y-△换接起动,起动电流和起动转矩都是直接起动的1/3
已知某元素+3价离子的电子分布式为1s
2
2s
2
2p
6
3s
2
3p
6
3d
2
,该元素在周期表中属于()。
A:VB族
B:ⅢB族
C:VA族
D:ⅢA族
一般来说,含水层颗粒越粗,下面的哪一项越大()
A:地下水水力梯度
B:地下水水位变化幅度
C:静水压力
D:渗透系数
岩体结构面抗剪强度参数主要采用()方法获得.
A:单轴压缩试验
B:结构面直剪试验
C:三轴压缩试验
D:直接剪切试验
受扭实心等直圆轴,当直径增大一倍时,其最大剪应力τ
2max
和两端相对扭转角φ
2
与原来的τ
1max
和φ
1
的比值为()。
A:A
B:B
C:C
D:D
超固结比是指()的比值。
A:上覆土体自重应力与先期固结压力
B:先期固结压力与上覆土体自重应力
C:先期固结压力与附加应力
D:附加应力与先期固结压力
按系统命名法,下列有机化合物命名正确的是:()
A:2-乙基丁烷
B:2,2-二甲基丁烷
C:3,3-二甲基丁烷
D:2,3,3-三甲基丁烷
图5-5-8所示(1)、(2)两截面比较其对形心轴的惯性矩关系必为()
A:A
B:B
C:C
D:D
模型与原形采用相同介质,为满足粘性阻力相似,若几何比尺为10,设计模型应使流速比尺为:()
A:10
B:1
C:0.1
D:5
三角形物块沿水平地面运动的加速度为a,方向如图。物块倾斜角为α。重W的小球在斜面上用细绳拉住,绳另端固定在斜面上。设物块运动中绳不松软,则小球对斜面的压力F
N
的大小为:()
A:F
N
B:F
N
>Wcosα
C:F
N
=Wcosα
D:只根据所给条件则不能确定
拟测设距离D=49.550m,两点间坡度均匀,高差为1.686m,丈量时的温度为27℃,所用的钢尺的尺长方程式为L
t
=30m+0.004m+0.0000125(t-20)×30m,则测设时在地面上应量多少?()
A:49.546m
B:49.571m
C:49.531m
D:49.568m
测量学中所指的水平角是测站点至两个观测目标点的连线在什么平面上投影的夹角?()
A:水准面
B:水平面
C:两方向构成的平面
D:大地水准面
现场岩体结构面抗剪试验中,试件尺寸应不小于()cmX()cm。
A:30X30
B:50X50
C:60X60
D:70X70
越流补给系数b与下列哪一项无关()。
A:弱透水层的渗透系数
B:弱透水层的厚度
C:弱透水层的岩性
D:弱透水层的越流量
量纲和谐原理是指:()
A:量纲相同的量才可以乘除
B:基本量纲不能与导出量纲相运算
C:物理方程式中各项的量纲必须相同
D:量纲不同的量才可以加减
首页
<上一页
26
27
28
29
30
下一页>
尾页