自考题库
首页
所有科目
自考历年真题
考试分类
关于本站
游客
账号设置
退出登录
注册
登录
出自:基础考试
图示刚架,EI=常量,欲使节点B的转角为零,则荷载P
1
/P
2
比值为()。
A:1.5
B:2
C:2.5
D:3
水平管以角速度w绕铅垂z轴转动。管内有一小球M以速度V=rw沿管运动,r为小球到转轴的距离。球M的绝对速度是()。
A:A
B:B
C:C
D:D
图示结构杆①的轴力为:()
A:0
B:-ql/2
C:-ql
D:-2ql
黄土的湿陷起始压力Psh在地基评价中起的作用有()
A:计算湿陷量
B:计算自重湿陷量
C:根据基底压力及埋深价是否进行地基处理
D:根据土层埋藏深度评价是否为自重湿陷性黄土
圆柱形外管嘴的正常工作条件是:()
A:L>(3~4)d,H
0
<9m
B:L=(3~4)d,H
0
<9m
C:L<3~4)d,H
0
>9m
D:L=(3~4)d,H
0
>9m
土的三轴试验主要有()。
A:不固结不排水剪
B:固结不排水剪
C:直剪慢剪
D:固结排水剪
条形基础埋深3m,宽3.5m,上部结构传至基础顶面的竖向力为200kN/m,偏心弯矩为50kN·m/m,基础自重和基础上的土重可按综合重度20kN/m
3
考虑,则该基础底面边缘的最大压力值为()。
A:141.6kPa
B:212.1Pa
C:340.3Pa
D:180.5Pa
对某项目投资方案进行单因素敏感性分析,基准收益率15%,采用内部收益率作为评价指标,投资额、经营成本、销售收入为不确定性因素,计算其变化对IRR的影响如表所示。则敏感性因素按对评价指标影响的程度从大到小排列依次为:()
A:投资额、经营成本、销售收入
B:销售收入、经营成本、投资额
C:经营成本、投资额、销售收入
D:销售收入、投资额、经营成本
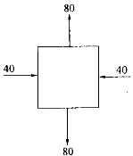
图示单元体中应力单位为MPa,则其最大剪应力为:()
A:60
B:-60
C:20
D:-20
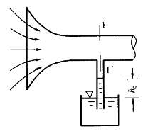
图示吸风管道,用风机经喇叭口吸入密度ρ=1.2kg/m
3
的空气。进口处测得水柱吸上高度h
0
=10mm,不计损失,则管中1-1断面空气流速为()。
A:0.44m/s
B:4.08m/s
C:12.78m/s
D:44m/s
图示变直径管d
1
=100mm,d
2
=200mm,流速v
2
=1m/s则v
1
=()。
A:2m/s
B:3m/s
C:4m/s
D:8m/s
下列计算简图哪一个是错误的?()
A:A
B:B
C:C
D:D
图示拉杆承受轴向拉力P的作用,设斜截面m─m的面积为A,则σ=P/A为:()
A:横截面上的正应力
B:斜截面上的正应力
C:斜截面上的应力
D:斜截面上的剪应力
土的灵敏度是指原状土强度与重塑土强度之比。
迄今为止进行深部地应力测量最有效手段为()。
A:钻孔套心应力解除法
B:孔壁应变法
C:水压致裂法
D:孔底应变法
图示水箱水位不变,则水在渐扩管中的流动应是()。
A:非恒定均匀流
B:恒定非均匀流
C:非恒定非均匀流
D:紊流
淤泥质土是指符合下列哪种指标的土?()
A:ω>ω
p
,e≤1.5
B:ω>ω
L
,1.0≤e<1.5
C:ω>ω
L
,e≥1.5
D:ω>ω
p
,1.0≤e<1.5
库仑强度准则认为岩石破坏主要是()。
A:压缩破坏
B:拉伸破坏
C:扭曲破坏
D:剪切破坏
若希望实现三相异步电动机的向上向下平滑调速,则应采用()。
A:串转子电阻调速方案
B:串定子电阻调速方案
C:调频调速方案
D:变磁极对数调速方案
流土(流砂)渗透破坏与()有关。
A:水力梯度
B:渗透路径长度
C:土颗粒组成
D:渗流溢出处的盖重
对低碳钢试件进行拉伸试验,测得其弹性模量E=200GPa。当试件横截面上的正应力达到320MPa时,测得其轴向线应变ε=3.6×10
-3
,此时开始卸载,直至横截面上正应力σ=0。最后试件中纵向塑性应变(残余应变)是:()
A:2.0×10
-3
B:1.5×10
-3
C:2.3×10
-3
D:3.6×10
-3
悬臂梁受力如图5-7-11所示,横截面有图示四种形式,中空部分的面积A
0
都相等,其中强度最高的截面梁为:()
A:A
B:B
C:C
D:D
安装止水带前,应将其与混凝土接触的表面(),并()。
A:擦拭干净,除去油渍污染物
B:擦拭干净,涂刷保护膜
C:除去污染物,涂刷粘结剂
D:除去污染物,涂刷保护膜
绝对压强p
abs
与相对压强p、当地大气压p
a
、真空度p
v
之间的关系是:()
A:p
abs
=p+p
v
B:p=p
abs
+p
a
C:p
v
=p
a
-p
abs
D:p=p
v
+p
a
在图示梁中,反力V
E
和V
B
的值应为:()
A:V
E
=P/4,V
B
=0
B:V
E
=0,V
B
=P
C:V
E
=0,V
B
=P/2
D:V
E
=P/4,V
B
=Pl2
关于化学反应速率常数k的说法正确的是:()
A:k值较大的反应,其反应速率在任何情况下都大
B:通常一个反应的温度越高,其k值越大
C:一个反应的k值大小与反应的性质无关
D:通常一个反应的浓度越大,其k值越大
下列电子构型中,属于原子基态的是()。
A:A
B:B
C:C
D:D
将0.2mol/L的醋酸与0.2mol/L醋酸钠溶液混合,为使溶液pH值维持在4.05,则酸和盐的比例应为(K
a
=1.76×10
-5
):()
A:6:1
B:4:1
C:5:1
D:10:1
广义积分,
等于:()
A:A
B:B
C:C
D:D
如图所示梁的剪力方程应分几段来表述?()
A:4
B:3
C:2
D:5
首页
<上一页
25
26
27
28
29
下一页>
尾页