自考题库
首页
所有科目
自考历年真题
考试分类
关于本站
游客
账号设置
退出登录
注册
登录
出自:水轮机检修工
调速器自动运,行时,连通阀在()位置。
千斤顶在使用时,不能用沾有油污的木板或铁板为衬垫物,以防千斤顶受力时打滑。
游标卡尺精度比千分尺高,而且比较灵敏。
引起水轮机振动的水力因素
反击式水轮机尾水管,增加水轮机的水头损失,从而降低了水轮机的效率。
机件三视图间有“三等”关系,其中()两图长对正。
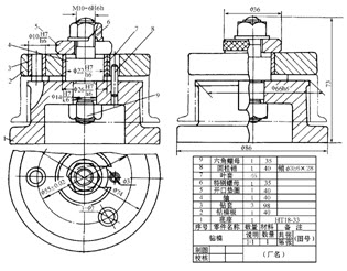
读钻模装配图(),并做下列填空题:
(1)装配图的名称为(),共有()种零件组成; (2)钻模装配图是由三个视图组成,主视图采用了(),俯视图采用了(),左视图采用了(); (3)2号件与7号件是(),4号零件与7号零件是(),4号零件与2号零件是(); (4)取卸工件应先旋松()号零件,再取下()号零件,然后拿出钻模板,取卸工件; (5)底座上三个圆弧槽的作用是()。零件8的作用是()。
随着反击型水轮机转轮结构和工况的变化,其叶片出口水流环量()。
A:一定为正值;
B:一定为0;
C:一定为负值;
D:有正值、0、负值三种可能性。
工作人员接到违反安全规程的命令,应()。
A:服从命令
B:执行后向上级汇报
C:拒绝执行
D:向上级汇报后再执行
水斗式水轮机与混流式水轮机相比较,其特点是()。
A:适用高水头,大流量;
B:平均效率高;
C:应用水头范围窄;
D:结构简单,工程造价较低。
快速闸门的作用是().
A:防止机组飞逸;
B:调节进水口流量;
C:以上两条兼有;
D:都不是
画出图E-106的受力图。
锯割硬材料或薄材料时,应选用()锯条。
A:细齿;
B:粗齿;
C:中齿;
D:都可以。
使用塞尺时,其叠片数一般不宜超过三片。
导叶关闭时被异物卡住,当操作力达到正常力()时剪断销剪断,使其它导叶正常工作。
A:1.2倍
B:1.5倍
C:2倍
D:2.5倍
离心泵泵壳两面轴套外围密封装置的作用是防止空气进入壳内和防止水向外涌。
液压千斤顶的使用注意事项有哪些?
标注尺寸的基本要素是尺寸数字、尺寸线、箭头和()。
单导管直缸式接力器主要用于()。
A:大型水轮机组;
B:大中型水轮机组;
C:小型水轮机组;
D:中型水轮机组。
已知某图中标注为,求标准公差。
导水叶的开闭动作,是由调速器的主配压阀的压力油直接操纵导水叶拐臂转动导叶轴而实现的
斜流式水轮机凸轮换向机构组装完毕后,在内凸轮一端装一指示标记,当内凸轮按叶片规定角度转动时内凸轮上,下移动量应大于规定值但不超过:()
A:2mm
B:3mm
C:4mm
D:5mm
力对刚体的作用效果取决于()。
A:力的大小、方向和作用点;
B:力的大小、方向和作用线;
C:刚体的质量;
D:力的大小、方向和作用点,刚体的质量。
轴流转桨式水轮机叶片自0位置向开侧旋转为负角。
导叶立面间隙调整方法是什么?
画出图E-93的受力图。
我国水轮机产品型号由三部分组成,其中第二部分是()。
A:水轮机主轴布置型式和引水室特征;
B:水轮机型式;
C:水轮机转轮标称直径及其它必要数据;
D:水轮机转轮型号。
试述扩修后启动试运行前水轮机的主要检查项目。
当机组轴线与其旋转中心呈其角度差时,其最大净全摆度是轴心与旋转中心偏心距的()
A:1.5倍;
B:2倍;
C:2.5倍;
D:3倍。
由于水流所激起各部分的振动统称为()
A:机械振动
B:水力振动
C:电磁振动
首页
<上一页
25
26
27
28
29
下一页>
尾页